#1 Skrevet Desember 17, 2007 Satte inn xenon i grøftelysene mine, men fikk problem.Når de slåes på begynner fjernlyslampen inne i bilen å blinke samt at tåkelysene slo seg av etter 2-3 sek. Har xenon i både nær- og fjernlys og har ingen problemer med de.Lysene er koblet slik at når fjærnlys slåes på, slåes tåkelys av.Noen som har vært borti nå slikt? 0 Del dette innlegget Lenke til innlegg Del på andre sider Flere delingsalternativer...
#2 Skrevet Desember 24, 2007 Satte inn xenon i grøftelysene mine, men fikk problem.Når de slåes på begynner fjernlyslampen inne i bilen å blinke samt at tåkelysene slo seg av etter 2-3 sek. Har xenon i både nær- og fjernlys og har ingen problemer med de.Lysene er koblet slik at når fjærnlys slåes på, slåes tåkelys av.Noen som har vært borti nå slikt? har du orginale tåkelys? 0 Del dette innlegget Lenke til innlegg Del på andre sider Flere delingsalternativer...
#3 Skrevet Desember 24, 2007 skal jo slå seg av når du setter på fulltlys da?! 0 Del dette innlegget Lenke til innlegg Del på andre sider Flere delingsalternativer...
#4 Skrevet Desember 24, 2007 skal jo slå seg av når du setter på fulltlys da?! det gjør det på noen passater. gjerne visst dem ble bestilt med lyspakke fra møller. 0 Del dette innlegget Lenke til innlegg Del på andre sider Flere delingsalternativer...
#5 Skrevet Desember 26, 2007 er orginale lys ja...skjønner ikke noe av det jeg.. 0 Del dette innlegget Lenke til innlegg Del på andre sider Flere delingsalternativer...
#6 Skrevet Desember 28, 2007 akkurat det gjør mine å, slårseg av når je setter på fultlys, jeg har orginal xenon, lurer på hvordan j får gjort om det 0 Del dette innlegget Lenke til innlegg Del på andre sider Flere delingsalternativer...
#7 Skrevet Desember 28, 2007 Husk at det er ulovlig å kjøre med tåkelys + fjernlys eller nærlys. 0 Del dette innlegget Lenke til innlegg Del på andre sider Flere delingsalternativer...
#8 Skrevet Desember 28, 2007 Hehe, det må je si jeg hopper å drit i:P kjørt med spredere i alle år je har hatt bil å enda itte blitt stoppa, bilen ser straks finere ut med tåkelysa på men takk får infoen 0 Del dette innlegget Lenke til innlegg Del på andre sider Flere delingsalternativer...
#9 Skrevet Desember 28, 2007 Selvfølgelig hopper og driter du idet som svært mange andre. At forskning viser at synet ditt blir 30% dårligere (og også den du møter blir vesentlig mere blendet) med tåkelys påslått bør da ikke ha noe å si. Det er EN ting jeg ikke fatter med folk som ferdes i trafikken: Man MÅ PÅ DØD OG LIV bryte så mange regler som overhodet mulig, samma fa.. med sikkerheten så lenge man er kul. Enten det er snakk om feil lysbruk (bruk av tåkelys og ikke bruk av parklys når man står stille er det som går igjen synes jeg), ikke bruk av kjetting (tunge kjøretøyer) osv. Om man tar ett liv eller to, neida det må vi regne med. Det er viktigst å være kul. Og nei, jeg finner ikke igjen rapporten akuratt nå selv om jeg har googlet etter den. Men mener å huske det var ett eller annet svensk bilforbund som hadde laget den. edit: når jeg møter biler med tåkelys så forblir jeg på fjernlys. Det er nok ikke riktig at meg det heller, men jeg vil ikke være den skadelidende for at den jeg møter ikke kan kjøre med lovlige lys. Det gjør meg desverre til en som bryter loven, men det hopper og driter jeg i ! 0 Del dette innlegget Lenke til innlegg Del på andre sider Flere delingsalternativer...
#10 Skrevet Desember 28, 2007 Selvfølgelig hopper og driter du idet som svært mange andre. At forskning viser at synet ditt blir 30% dårligere (og også den du møter blir vesentlig mere blendet) med tåkelys påslått bør da ikke ha noe å si. Det er EN ting jeg ikke fatter med folk som ferdes i trafikken: Man MÅ PÅ DØD OG LIV bryte så mange regler som overhodet mulig, samma fa.. med sikkerheten så lenge man er kul. Enten det er snakk om feil lysbruk (bruk av tåkelys og ikke bruk av parklys når man står stille er det som går igjen synes jeg), ikke bruk av kjetting (tunge kjøretøyer) osv. Om man tar ett liv eller to, neida det må vi regne med. Det er viktigst å være kul. Og nei, jeg finner ikke igjen rapporten akuratt nå selv om jeg har googlet etter den. Men mener å huske det var ett eller annet svensk bilforbund som hadde laget den. edit: når jeg møter biler med tåkelys så forblir jeg på fjernlys. Det er nok ikke riktig at meg det heller, men jeg vil ikke være den skadelidende for at den jeg møter ikke kan kjøre med lovlige lys. Det gjør meg desverre til en som bryter loven, men det hopper og driter jeg i ! 0 Del dette innlegget Lenke til innlegg Del på andre sider Flere delingsalternativer...
#11 Skrevet Desember 28, 2007 ...fordi man ser faktisk dårligere når man kjører tåkelys sammen med fjernlys! Fordi fokuset vil bli rundt bilen der tåkelysene lyser som sterkest.. Kjører man derimot uten tåkelys, så vil man få fokus langt framme. og det er vel det vi alle vil oppnå ved å montere xenon på fjernlysene..!? Det var den moralprekenen 0 Del dette innlegget Lenke til innlegg Del på andre sider Flere delingsalternativer...
#12 Skrevet Desember 29, 2007 hehe, er det noen som blinker til meg pga spredere, jo, så får de alt av fultlys tilbake, monterer gjerne 4tusen metere også får å blende dom:) eller 8 vis je får plass, tror aldri spredere har tatt noen liv desverre hehe:) men, denne tråden handler ikke om dette, den handler om et problem om xenon:) 0 Del dette innlegget Lenke til innlegg Del på andre sider Flere delingsalternativer...
#13 Skrevet Desember 30, 2007 datt litt ut av tema her ja..selvfølgelig kjører jeg ikke med grøftelys på med verken nær- eller fjærnlys.Problemet oppstår uansett når jeg slår de på.Har jeg parklys på og jeg skal slå de på oppstår problemet.Litt irriterende... 0 Del dette innlegget Lenke til innlegg Del på andre sider Flere delingsalternativer...
#14 Skrevet Desember 30, 2007 Selvfølgelig hopper og driter du idet som svært mange andre. At forskning viser at synet ditt blir 30% dårligere (og også den du møter blir vesentlig mere blendet) med tåkelys påslått bør da ikke ha noe å si. Det er EN ting jeg ikke fatter med folk som ferdes i trafikken: Man MÅ PÅ DØD OG LIV bryte så mange regler som overhodet mulig, samma fa.. med sikkerheten så lenge man er kul. Enten det er snakk om feil lysbruk (bruk av tåkelys og ikke bruk av parklys når man står stille er det som går igjen synes jeg), ikke bruk av kjetting (tunge kjøretøyer) osv. Om man tar ett liv eller to, neida det må vi regne med. Det er viktigst å være kul. Og nei, jeg finner ikke igjen rapporten akuratt nå selv om jeg har googlet etter den. Men mener å huske det var ett eller annet svensk bilforbund som hadde laget den. edit: når jeg møter biler med tåkelys så forblir jeg på fjernlys. Det er nok ikke riktig at meg det heller, men jeg vil ikke være den skadelidende for at den jeg møter ikke kan kjøre med lovlige lys. Det gjør meg desverre til en som bryter loven, men det hopper og driter jeg i ! jeg hadde satt på fulltlys tilbake til deg. da hadde du fått både nærlys, fulltlys og tåkelys alle i xenon 6000K så det skulle vært moro å sett hvor lenge du hadde sett noe 0 Del dette innlegget Lenke til innlegg Del på andre sider Flere delingsalternativer...
#15 Skrevet Januar 1, 2008 Selvfølgelig hopper og driter du idet som svært mange andre. At forskning viser at synet ditt blir 30% dårligere (og også den du møter blir vesentlig mere blendet) med tåkelys påslått bør da ikke ha noe å si. Det er EN ting jeg ikke fatter med folk som ferdes i trafikken: Man MÅ PÅ DØD OG LIV bryte så mange regler som overhodet mulig, samma fa.. med sikkerheten så lenge man er kul. Enten det er snakk om feil lysbruk (bruk av tåkelys og ikke bruk av parklys når man står stille er det som går igjen synes jeg), ikke bruk av kjetting (tunge kjøretøyer) osv. Om man tar ett liv eller to, neida det må vi regne med. Det er viktigst å være kul. Og nei, jeg finner ikke igjen rapporten akuratt nå selv om jeg har googlet etter den. Men mener å huske det var ett eller annet svensk bilforbund som hadde laget den. edit: når jeg møter biler med tåkelys så forblir jeg på fjernlys. Det er nok ikke riktig at meg det heller, men jeg vil ikke være den skadelidende for at den jeg møter ikke kan kjøre med lovlige lys. Det gjør meg desverre til en som bryter loven, men det hopper og driter jeg i ! Jeg hadde slengt på alt av lys jeg å!!! Xenon 6000k i alt fra meg å! 0 Del dette innlegget Lenke til innlegg Del på andre sider Flere delingsalternativer...
#16 Skrevet Januar 1, 2008 lurer på om det er mulig å få svar på det som var spørsmål om i denne tråden jeg?? 0 Del dette innlegget Lenke til innlegg Del på andre sider Flere delingsalternativer...
#17 Skrevet Januar 1, 2008 Du finner kanskje svar her:) http://forum.vwaudi-club.no/showthread.php?t=107810 0 Del dette innlegget Lenke til innlegg Del på andre sider Flere delingsalternativer...
#18 Skrevet Januar 2, 2008 Husk at det er ulovlig å kjøre med tåkelys + fjernlys eller nærlys. Tåkelys (kurvelys) Det er i utgangspunktet ikke tillatt å bruke tåkelys i kombinasjon med fjernlys. Unntaket er kurvekjøring i lav hastighet (10-20 km/t). http://www.dinside.no/php/art.php?id=31106 0 Del dette innlegget Lenke til innlegg Del på andre sider Flere delingsalternativer...
#19 Skrevet Januar 2, 2008 Sorry at jeg kupper tråden litt. Når jeg møter biler med kurve/tåkelys som blender meg, da setter jeg på mine som er justert litt mere opp enn nødvendig (bruker ikke de til annet) snart xenon i de. Bruker ikke og sette fullt lys mot de. Noen skjønner hintet om at de blender meg, men det er jo enkelte som ikke vil forstå. Det er sikkert de som ikke vil ødelegge utseendet på bilen. Til de som på død og liv må bruke kurve/tåkelys tenk over dette. Last bak i bilen, passasjerer og spesielt de med tilhenger etter. Tyngde bak gjør at lysene foran lyser høyere. Juster kurve/tåkelysene, det er altfor mange som kjører med ujusterte lys. Til Øiamo vil jeg bare si at, spredere har ikke tatt liv, men bruken av de har tatt. Og det kan vel bli flere med holdningen til enkelte, som setter fullt lys mot de som gir et tegn om at lysene blender. Men det er faktisk ikke ungdommen som er verst angående kurve/tåkelys bruk. De verste finner du i 30 årene og oppover, både kvinner og menn, spesielt de i suvèr. Kan det være at de ikke finner bryteren for og slå av lysene?? 0 Del dette innlegget Lenke til innlegg Del på andre sider Flere delingsalternativer...
#20 Skrevet Januar 2, 2008 Kanskje vi skal komme tilbake til tema her nå? 0 Del dette innlegget Lenke til innlegg Del på andre sider Flere delingsalternativer...
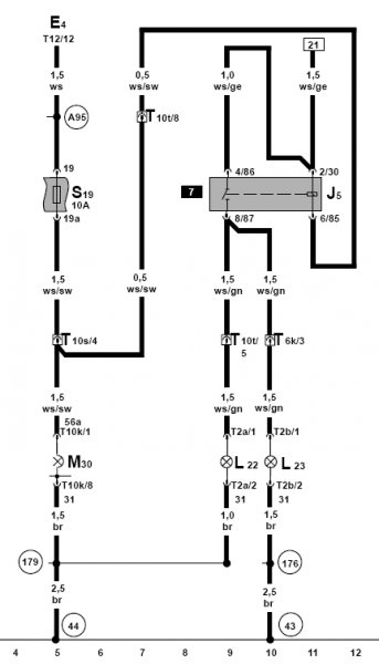
#21 Skrevet Januar 2, 2008 Kan virke som om du har noen belastningsproblemer i tåkelyskretsløpet ditt. Hvis tåkelysene dien er koplet slik at de slår seg av når du tenner fjernlysa, så vil jeg tro at de er koplet som vist på vedlagte skjemaskisse. Prøv å fjern ledning som går inn på pinne 85 på relé 7 og isoler denne. Montér så en ny ledning på reléets pinne 85 som du legger direkte til jord. Hvis ikke dette hjelper, ville jeg prøvd et eget relé med strøm rett fra batteriet til tåkelysene som styres av nevnte relé 7 på vedlagte skisse. 0 Del dette innlegget Lenke til innlegg Del på andre sider Flere delingsalternativer...
#22 Skrevet Januar 3, 2008 Takker og bukker.Skal prøve dette etterhvert. 0 Del dette innlegget Lenke til innlegg Del på andre sider Flere delingsalternativer...
#23 Skrevet Januar 7, 2008 Jeg plukket opp dashbordet,men fant ikke noen relè nr.7 under der.Fant i hele tatt ingen relè med nr 1 og oppover..fant mange med flere nr som 85,192 osv..mange rare nr.noen som har vært borti det samme? 0 Del dette innlegget Lenke til innlegg Del på andre sider Flere delingsalternativer...
#24 Skrevet Januar 7, 2008 Jeg plukket opp dashbordet,men fant ikke noen relè nr.7 under der.Fant i hele tatt ingen relè med nr 1 og oppover..fant mange med flere nr som 85,192 osv..mange rare nr.noen som har vært borti det samme? Nr. 7 er reléposisjon. Reléets nummer skal etter hva jeg har funnet ut være nr. 381. Correct me if I'm wrong. Beklager at dette ikke kom med i forrige post. 0 Del dette innlegget Lenke til innlegg Del på andre sider Flere delingsalternativer...
#25 Skrevet Januar 7, 2008 ok.det kan stemme.Fant ut at det var et rammesystem under der og det sto et relè på posisjon nr.7.Da prøver vi igjen!Takk for tipset. 0 Del dette innlegget Lenke til innlegg Del på andre sider Flere delingsalternativer...