akte-skisse. forstilling golf 4

Anbefalte innlegg

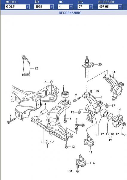
Er det noen her med akte, som kan legge ut en sprengskisse av forstillinga på golf 4? Tenker på bærebruer inkl fjærbein, ledd og skruer\bolter\muttere.

takk =)

Del dette innlegget


Lenke til innlegg
Del på andre sider

Som for eksempel detta?

Golf 4 forstilling.JPG

Golf 4 forstilling1.JPG

Del dette innlegget


Lenke til innlegg
Del på andre sider

Hadde helt glemt denne, heh. Takk for hjelpa =)

Del dette innlegget


Lenke til innlegg
Del på andre sider



VACN 2018- Powered by Invision Community

Bli medlem
×

Viktig informasjon

Vi har plassert informasjonskapsler/cookies på din enhet for å kunne vise siden slik vi har utviklet den.
Godtar du ikke dette, må du avslutte bruken og forlate vårt nettsted, ellers vil VACN anta du aksepterer dette.