#1 Skrevet Februar 18, 2008 Madamen var ute å kjørte en tur her om fredagen, og da kom det opp advarsel med "check engine coolant", hun kjørte bilen hjem, og etter at bilen hadde stått i ro i en times tid så kunne jeg konstatere at kjølevæskenivået var godt under min-merket. fyllte opp og trodde at alt skulle være i skjønneste orden igjen. Skuffelsen var derfor stor da jeg oppdaget at kjølevæskenivået var under min merket igjen nå i kveld, før jeg la ut på en times kjøretur. fylte på en liter og oppdaget noe skum lignende i toppsjiktet av kjølevæsken. det kom også luft opp fra den tynne slangen (ø~30mm) som går inn på ekspansjonstankens fremkant. -var ute å sjekket igjen nå, etter at bilen har stått i ro i en og en halv time etter at jeg hadde min 1-times kjøretur. Kjølevæskenivået har ikke gått merkbart ned, kanskje 1-2mm, jeg kikket under bilen etter dammer, og fant en liten dam, men denne dammen var av helt klart vann, uten lukt eller farge. Dryppet kom fra et sted rett ved den fleksi-vibrasjons-saken som sitter på eksosanlegget ca rett under passasjersiden. Jeg mistenker at dette er kondens fra klimaanlegget (13 plussgrader her nå). Temperaturen ligger konstant på 90 grader, bilen drar godt, uten ulyder eller unormal røyk fra eksos -kun endel hvitt når bilen er kald, noe som er helt normalt. har heller ikke finni noen lekasjer i motorrom, og det blir ikke dammer på bakken. Hva tror dere? bekymrer jeg meg unødig mye? kan det være så enkelt som at bilen hadde for lite kjølevæske og at det er luftinga av anlegget som tar tid? 0 Del dette innlegget Lenke til innlegg Del på andre sider Flere delingsalternativer...
#2 Skrevet Februar 18, 2008 Madamen var ute å kjørte en tur her om fredagen, og da kom det opp advarsel med "check engine coolant", hun kjørte bilen hjem, og etter at bilen hadde stått i ro i en times tid så kunne jeg konstatere at kjølevæskenivået var godt under min-merket. fyllte opp og trodde at alt skulle være i skjønneste orden igjen. Skuffelsen var derfor stor da jeg oppdaget at kjølevæskenivået var under min merket igjen nå i kveld, før jeg la ut på en times kjøretur. fylte på en liter og oppdaget noe skum lignende i toppsjiktet av kjølevæsken. det kom også luft opp fra den tynne slangen (ø~30mm) som går inn på ekspansjonstankens fremkant. -var ute å sjekket igjen nå, etter at bilen har stått i ro i en og en halv time etter at jeg hadde min 1-times kjøretur. Kjølevæskenivået har ikke gått merkbart ned, kanskje 1-2mm, jeg kikket under bilen etter dammer, og fant en liten dam, men denne dammen var av helt klart vann, uten lukt eller farge. Dryppet kom fra et sted rett ved den fleksi-vibrasjons-saken som sitter på eksosanlegget ca rett under passasjersiden. Jeg mistenker at dette er kondens fra klimaanlegget (13 plussgrader her nå). Temperaturen ligger konstant på 90 grader, bilen drar godt, uten ulyder eller unormal røyk fra eksos -kun endel hvitt når bilen er kald, noe som er helt normalt. har heller ikke finni noen lekasjer i motorrom, og det blir ikke dammer på bakke. Hva tror dere? bekymrer jeg meg unødig mye? kan det være så enkelt som at bilen hadde for lite kjølevæske og at det er luftinga av anlegget som tar tid? Det vil no vise seg etter hvert. Sjekk oljen med faste mellomrom. Evt tapp av kjølevesken og sjekk at det ikke er olje i den. Til meg var det rett å slett en pakning på webastoen. Er ikke sikkert det er slik på din, men sikkert en hel del slangeklemmer som fort kan lekke litt. Tror nok ikke at 1 liter går så fort, så dette har nok hendt over tid. 0 Del dette innlegget Lenke til innlegg Del på andre sider Flere delingsalternativer...
#3 Skrevet Februar 19, 2008 Noe hvitt i olja på den da? 0 Del dette innlegget Lenke til innlegg Del på andre sider Flere delingsalternativer...
#4 Skrevet Februar 19, 2008 Har ikke webasto eller tilleggsvarmer, og det er ikke noe rart med olja 0 Del dette innlegget Lenke til innlegg Del på andre sider Flere delingsalternativer...
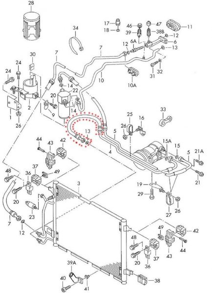
#5 Skrevet Februar 20, 2008 var under bilen å kikka nå akkurat, og jeg ser da hva feilen er. det er koblingen på en slange som lekker kjølevæske. slangen ser ut til å være i forbindelse med klimaanlegget. lakk ikke fra slangen når bilen kun gikk på tomgang, men vil vel kanskje lekke mere når AC slår inn? slangen befinner seg rett bak hullet i nedre del av fangeren (ref tråd: "hull i fangeren" av meg selv) kan noen hjelpe meg med å finne delenummer på denne slangebiten og evt. tilhørende pakninger??? finner ikke helt fram i AKTE.. skulle vel kanskje hatt ASLE nå..? 0 Del dette innlegget Lenke til innlegg Del på andre sider Flere delingsalternativer...
#6 Skrevet Februar 20, 2008 slangen er ca 10cm lang. en ende har en presset kobling (vet ikke hva de kaller det) andre enden har en kon e.l. som er festet med en mutter. kan prøve å få tatt bilde av det etterpå. 0 Del dette innlegget Lenke til innlegg Del på andre sider Flere delingsalternativer...
#7 Skrevet Februar 20, 2008 kan også informere om at slangen det er snakk om befinner seg like under resirk-ventilen 0 Del dette innlegget Lenke til innlegg Del på andre sider Flere delingsalternativer...
#8 Skrevet Februar 20, 2008 her er slangen som jeg tror er årsak i lekkasjen. Kan noen vennligst si sin mening? har jeg funnet riktig utifra mine plasserings-beskrivelser?? 0 Del dette innlegget Lenke til innlegg Del på andre sider Flere delingsalternativer...
#9 Skrevet Februar 20, 2008 Vil bare si at den slangen der har ingen ting med kjøleveska til motoren å gjøre.. AC-anlegget er et eget lukket system. Har du lekasje på den og må bytte den må du få vakuumert og fyllt opp anlegget med riktig mengde freon etter at du har byttet den.. 0 Del dette innlegget Lenke til innlegg Del på andre sider Flere delingsalternativer...
#10 Skrevet Februar 20, 2008 må ut å kikke etter at dama har kommet tilbake med bilen for å forsikre meg om at jeg har finni riktig slange. kommer rød-rosa væske ut av denne som har samme lukt som kjølevæska på bilen. 0 Del dette innlegget Lenke til innlegg Del på andre sider Flere delingsalternativer...
#11 Skrevet Februar 20, 2008 Er det en av slangene til den tynne "radiatoren" (kondensatoren) så er det til AC'en.. 0 Del dette innlegget Lenke til innlegg Del på andre sider Flere delingsalternativer...
#12 Skrevet Februar 20, 2008 i følge AKTE så har del "4" navnet "kjølemiddelslange" er det freon det er snakk om da eller? trodde da at kjølevæsken gikk i sløyfe med AC. men jeg tar sikkert feil. hvor kan kjølevæsken komme fra da? 0 Del dette innlegget Lenke til innlegg Del på andre sider Flere delingsalternativer...
#13 Skrevet Februar 20, 2008 Da kom dama hjem igjen, og jeg fikk sett litt bedre på problemområdet. viste seg at det ikke var denne slangen som jeg trodde tidligere, (bilde 1) prøvde og tighte mutteren på denne, men den satt bom. kikket litt nermere og fant ut at det var en eller annen plugg i bunnen av radiatoren (bilde 2) -beklager dårlig bilde. så ut som om det er et helsike å komme til denne. -noen som har erfaring og kan veilede meg?? 0 Del dette innlegget Lenke til innlegg Del på andre sider Flere delingsalternativer...