golfen ble plutselig myk bak:S

Anbefalte innlegg

skulle ut å kjøre en tur i dag å da kjennte jeg at bilen var så jævla myk bak..gynga skikkelig..kjennte ingenting i går kveld..kjører med vmaxx coilovers btw..er vel gåene dempere sikkert?er vel ikke andre ting som kan ha skjedd?

Del dette innlegget


Lenke til innlegg
Del på andre sider

gynging er som regel et tegn på at demperene er gåene ja. så du har rett i det :)

Del dette innlegget


Lenke til innlegg
Del på andre sider

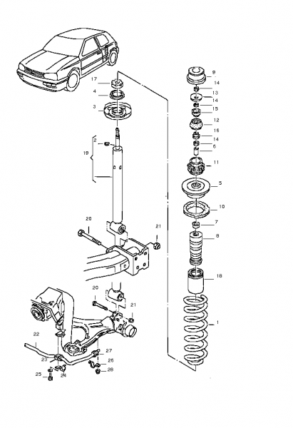
Vet ikke hvordan dette er på coilovers men på orig. demper er det egentlig bare et klips som holder demperstanga fast i fjørskåla oppe. (Pos.2 på bildet) Har sett at den har løsnet flere ganger.

511100.png

Del dette innlegget


Lenke til innlegg
Del på andre sider

hmm..ja det går jo an å sjekke om det da;)

Del dette innlegget


Lenke til innlegg
Del på andre sider

Kan jo være demperne, men sjekket fjæra? Eller fjæra kan ha forskjøvet seg. Knakk fjera på gamlebiln min en gang og datt ut av skåla, var akkurat som å sitte på en dumphuske etter fartsdumper :S

Del dette innlegget


Lenke til innlegg
Del på andre sider



VACN 2018- Powered by Invision Community

Bli medlem
×

Viktig informasjon

Vi har plassert informasjonskapsler/cookies på din enhet for å kunne vise siden slik vi har utviklet den.
Godtar du ikke dette, må du avslutte bruken og forlate vårt nettsted, ellers vil VACN anta du aksepterer dette.