Hvor ligger abs sensorene?

Anbefalte innlegg

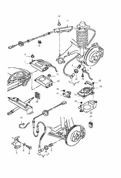
Har en 99 S4, vet det er en abs sensor fremme, hvilken side ligger den bak på?: rolleyes

Del dette innlegget


Lenke til innlegg
Del på andre sider

Venstre side i fremkant av spindelen.

927000.png

Del dette innlegget


Lenke til innlegg
Del på andre sider

ABS sensor har du på hvert hjul untatt reservehjulet. Bremseklossføler/varsler derimot er det ikke sikkert den har på begge sider.

Del dette innlegget


Lenke til innlegg
Del på andre sider

begge følerne bak ble skiftet rett før du overtok den,så burde vel ikke være de..!?

Del dette innlegget


Lenke til innlegg
Del på andre sider

begge følerne bak ble skiftet rett før du overtok den,så burde vel ikke være de..!?

 

Har bytta ene foran nå, den andre så bra ut og de bak er bra ifølge verkstedet:)

Del dette innlegget


Lenke til innlegg
Del på andre sider



VACN 2018- Powered by Invision Community

Bli medlem
×

Viktig informasjon

Vi har plassert informasjonskapsler/cookies på din enhet for å kunne vise siden slik vi har utviklet den.
Godtar du ikke dette, må du avslutte bruken og forlate vårt nettsted, ellers vil VACN anta du aksepterer dette.