Trenger delenr Audi S2 91 Mod (3B)

Anbefalte innlegg

Jeg trenger delenr på disse delene:

 

Regreim

Vannpumpe

Løphjul (regreim)

Tettlokk til der fordeler stod.

Dyseinnfesting som sitter i innsug. Svarte av plast.

 

Noen som gidder ?

Del dette innlegget


Lenke til innlegg
Del på andre sider

Jeg trenger delenr på disse delene:

 

Regreim

Vannpumpe

Løphjul (regreim)

Tettlokk til der fordeler stod.

Dyseinnfesting som sitter i innsug. Svarte av plast.

 

Noen som gidder ?

 

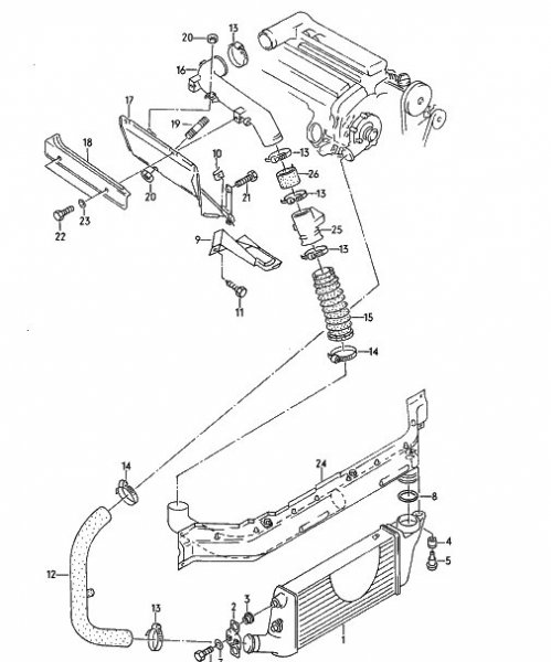
Dette skal være riktig...

 

Regreim b 054 109 119 G

Vannpumpe b 034 121 004 X

Løphjul (regreim) b 069 109 243 B

Tettlokk til der fordeler stod. 034 103 707 (o-ring (?) 026 905 261)

Dyseinnfesting som sitter i innsug. Svarte av plast. 034 133 555

Del dette innlegget


Lenke til innlegg
Del på andre sider

Takk takk.

 

Ang lokket så finnes det vel noe som kan erstatte selve fordeleren. Disse toppa er jo like men alle har ikke fordeler. Jeg skal ikke ha den.

Del dette innlegget


Lenke til innlegg
Del på andre sider

Delenr jeg skrev er kun blindelokk, ikke selve fordeleren.

Image1.jpg

Image2.jpg

Del dette innlegget


Lenke til innlegg
Del på andre sider

Da traff du rett på da ja. Nr på 29 kan du legge ut det å.

Del dette innlegget


Lenke til innlegg
Del på andre sider

Nr 29 henviste til et annet bilde hvor samme del der hadde nr 18 hvis jeg skjønte skissa riktig...

Image3.jpg

Image4.jpg

Image5.jpg

Del dette innlegget


Lenke til innlegg
Del på andre sider



VACN 2018- Powered by Invision Community

Bli medlem
×

Viktig informasjon

Vi har plassert informasjonskapsler/cookies på din enhet for å kunne vise siden slik vi har utviklet den.
Godtar du ikke dette, må du avslutte bruken og forlate vårt nettsted, ellers vil VACN anta du aksepterer dette.