#1 Skrevet Desember 5, 2008 Jeg var en tur på tess i dag og kjøpte en glyserinfylt måler fra 0 - 10 bar.. Denne tenkte jeg å bruke til å måle bensintrykket, men jeg er litt usikker på hvor jeg skal plassere den.. Noen som vet dette? Skal jeg plassere den forran eller etter benstrykkreg? Før eller etter fuelrailen? Håper noen kan svare meg;) Mvh Joakim 0 Del dette innlegget Lenke til innlegg Del på andre sider Flere delingsalternativer...
#2 Skrevet Desember 5, 2008 Den må stå før bensintrykkregulatoren for den regulerer returen. De fleste justerbare regulatorene har uttak for det men om du har orginal trykkregulator må du lage til et uttak før denne. 0 Del dette innlegget Lenke til innlegg Del på andre sider Flere delingsalternativer...
#3 Skrevet Desember 6, 2008 bare lag et T-stykkepå slangen føre fuelrailen... 0 Del dette innlegget Lenke til innlegg Del på andre sider Flere delingsalternativer...
#4 Skrevet Desember 6, 2008 Jeg har en justerbar bensintrykksregulator, men den virker ikke det som det er uttak til noe måler på.. Iallefall.. Uansett så har jeg t-stykke på manometeret jeg kjøpte på tess, så spørsmålet er bare.. hvor skal jeg plassere dette stykke.. hvilken slange? 0 Del dette innlegget Lenke til innlegg Del på andre sider Flere delingsalternativer...
#5 Skrevet Desember 6, 2008 den som går inn på fuelrailen fra pumpen.. samme hvor på denne slangen den monteres da trykket er likt fra pumpen og helt til regulatoren din.. 0 Del dette innlegget Lenke til innlegg Del på andre sider Flere delingsalternativer...
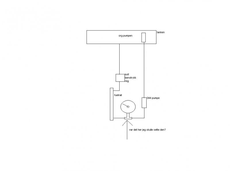
#6 Skrevet Desember 7, 2008 Hmm, så altså noe sånt som dette du mener? 0 Del dette innlegget Lenke til innlegg Del på andre sider Flere delingsalternativer...
#7 Skrevet Desember 7, 2008 mellom pumpe og fuel rail ja. 0 Del dette innlegget Lenke til innlegg Del på andre sider Flere delingsalternativer...