Klima Klaffmotor i rs2 klima

Anbefalte innlegg

Jeg har trøbbel med klima på min Rs2.

Det dugger på vinduer og jeg har feilkoder på obd.

Feilkoder er:

Kode:11,7 Potentiometern till centralklaffen ur funktion (krets öppen). Så länge felet kvarstår kan luftvägen (klaffen) endast styras manuellt.Klaffen sporadiskt blockerad.

 

Kode:13,7 Potentiometern till golv- och defrostklaffen ur funktion (krets öppen). Så länge felet kvarstår kan luftvägen endast styras manuellt.Klaffen sporadiskt blockerad.

 

Kode 15,7:Potentiometern till luftflödesmotorn ur funktion (krets öppen).Reservläge aktiveras automatiskt.Klaffen sporadiskt blockerad.

 

Kan alle disse klaffmotorene være røkne eller er det en følgefeil at bare en er gåen men påvirker de andre?

Har noen hatt disse motorer ute og rengjort de(rengjøring er ofte det som skal til i følge nordicAudi)

Del dette innlegget


Lenke til innlegg
Del på andre sider

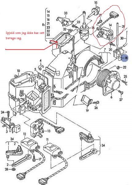
Har nå kikket litt inni bak med varmekanaler til gulv foran og de motorer som ligger der rører på seg når

jeg regulerer varme og gulv luft av og på.

Så 2 av 3 motorer fungerer.

Jeg har ennå ikke sett at klaff under pollenfilter røre på seg.

Har hørt fra s2 forum at en kan påvirke disse motorer ned et 9v batteri.

Har noen her prøvd det prøvd det?

Kan jeg nå ledninger til hver motor bak klimadisplay boks så jeg får testet den siste?

Det er den som er nr 14 på tegning jeg ønsker å påvirke.

varmekupe.JPG

Del dette innlegget


Lenke til innlegg
Del på andre sider

Liver opp en gammel tråd her jeg.

Må dashbord ut for å nå alle motorene?

Del dette innlegget


Lenke til innlegg
Del på andre sider

Nei, men du må ta av hanskerom og det er mulig du kan komme til noe mer hvis du tar ut stereoen og klimadisplayet.

Du kan kjøre de med et batteri, men vær sikker på at du kjører inn på motoren. Uansett vil motorene bevege seg hvis de virker og du kjører klimaen, men det er nesten helt sikkert skitt i kommutatorene som vist i nordicaudi-how-to'en. Jeg har selv hatt ut flere av disse, og kan bekrefte at det er feilen i 99.9% av tilfellene. :P

Del dette innlegget


Lenke til innlegg
Del på andre sider

Takker

Jeg får ikke åpnet til luft i dashbord så den står nok helt fast.

Må feilkoder slettes etterpå?

Del dette innlegget


Lenke til innlegg
Del på andre sider

Nei, de forsvinner av seg selv etter hvert. :)

Del dette innlegget


Lenke til innlegg
Del på andre sider



VACN 2018- Powered by Invision Community

Bli medlem
×

Viktig informasjon

Vi har plassert informasjonskapsler/cookies på din enhet for å kunne vise siden slik vi har utviklet den.
Godtar du ikke dette, må du avslutte bruken og forlate vårt nettsted, ellers vil VACN anta du aksepterer dette.