Hjelp til å finne delenr på slange, kjølevann. På Audi RS2, eller andre 5cyl

Anbefalte innlegg

Hei.

Var ute å kjørte nå, og plutselig lyste det for lite kjølevann.

Vet jo at radiatoren har vært dårlig, så tenkte det var den.

Kjørte rolig hjem, åpner panser og ser en svær stråle som kommer ut bak servopumpa omtrent.

 

Fyller på tre liter vann, men alt bare spyttes ut det hullet igjen.

 

Er en rift akkurat over delenr, så jeg ser ikke nr på den.. Er også meget vanskelig og komme til den..

Derfor håper jeg noen kan sjekke opp dette nr til meg!

 

Vist du står foran radiatoren og ser ned mellom innsug og servopumpe omtrent, så ser du den.

Er ikke så tykk, og delenr begynner på 034, og kan hvertfall lesest av ovenfra på min.

 

Om noen har sprengtegninger så kan jeg muligens identifisere den derifra ..

Del dette innlegget


Lenke til innlegg
Del på andre sider

Fikk tatt bilde av den, og hvor den er nå..

 

Ser ut som 034 121 470 og en bokstav.. Men finner ikke noe i vagcat.

DSC_0046.jpg

DSC_0047.jpg

Del dette innlegget


Lenke til innlegg
Del på andre sider

Fått ut synderen..

Antageligvis feil type slange som står på, delenr stemmer heller ikke med det som står i ETKA..

 

DSC_0048.jpg

DSC_0049.jpg

DSC_0050.jpg

 

Var ikke lett å få ut.. Kom ut takket være at pappa ble fødd med verktøy i fingertuppene :)

Men hvordan jeg skal få inn ny slange blir ett mysterium.. Blir for gale å plukke av innsug for å komme til vell?

Av med fuelrail, dyser, trykkregulator og hele smørja?

Del dette innlegget


Lenke til innlegg
Del på andre sider

Går fint å bytte den uten å ta av noe med litt smidige hender, kjøp en ny bit, smør den innv med litt wd40 og tre den innpå for langt på ene siden, så sklir du den tilbake innpå den andre. husk slangeklemmene : smil :

Del dette innlegget


Lenke til innlegg
Del på andre sider

Vet du hvor det er snakk om?

Har jo problemer med å komme ned ditt med noe så enkelt som slangeklemmehjern

Del dette innlegget


Lenke til innlegg
Del på andre sider

Går fint å bytte den uten å ta av noe med litt smidige hender, kjøp en ny bit, smør den innv med litt wd40 og tre den innpå for langt på ene siden, så sklir du den tilbake innpå den andre. husk slangeklemmene : smil :

 

Eller vaselin for oss litt mer kinky :P

Del dette innlegget


Lenke til innlegg
Del på andre sider

Skaala: Ja, lastet ned ETKA og fant ut at det var den :)

Del dette innlegget


Lenke til innlegg
Del på andre sider

ligner igrunn på denne slangebiten

 

 

som er koblet inn i termostathuset i blokka ?

 

Jeg får opp delenr. 034 121 063 C på den

 

Så du ordnet opp nå så da er det jo greit

delvann.jpg

Del dette innlegget


Lenke til innlegg
Del på andre sider

Vet du hvor det er snakk om?

Har jo problemer med å komme ned ditt med noe så enkelt som slangeklemmehjern

 

Jepp, bytta den der nylig på S2n uten å løsne på noe, trangt og fint nedi der :)

Hånda så ut som den hadde vært en tur i kverna etterpå, kos deg :P

 

Når du først driver på nedi der er det lurt å sjekke en lignende slange som ligger litt lenger bak og litt ned, litt grøvre rett slange som ligger inntil blokka, garantert morken den og om den ikke har vært bytta.

 

Den er vel ca 14-16mm, også mulig å kjøpe en bit av denne hos f.eks torshov bilrekvisita.

Del dette innlegget


Lenke til innlegg
Del på andre sider

Forskjellige nr på den gitt..

ETKA sier noe annet enn det du hadde opp der, og slangen som sto på var vell 034 121 470, kanskje.. Var ikke lett å se..

Del dette innlegget


Lenke til innlegg
Del på andre sider

Jepp, bytta den der nylig på S2n uten å løsne på noe, trangt og fint nedi der :)

Hånda så ut som den hadde vært en tur i kverna etterpå, kos deg :P

 

Når du først driver på nedi der er det lurt å sjekke en lignende slange som ligger litt lenger bak og litt ned, litt grøvre rett slange som ligger inntil blokka, garantert morken den og om den ikke har vært bytta.

 

Den er vel ca 14-16mm, også mulig å kjøpe en bit av denne hos f.eks torshov bilrekvisita.

 

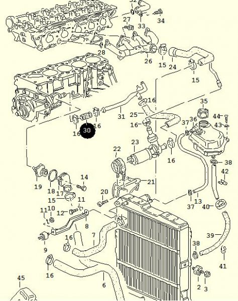
Nr. 39 på tegningen du tenker på kanskje?

Del dette innlegget


Lenke til innlegg
Del på andre sider

Syntes det så ut som den slangen var den som går til vanntilførselsrøret til turboen jeg men? (så så liten ut)

Nr 30 er den jeg omtalte som den grøvre som var lurt å sjekke ut.

Del dette innlegget


Lenke til innlegg
Del på andre sider

Ble mye frem og tilbake her nå :)

 

Nr 27 på dette bildet er den jeg tror du har tatt ut? http://www.vagcat.com/epc/cat/au/RS2/1995/41/49/469170/#27

 

Litt dårlig bilde, men dette er en slangebit som går ifra vanntilførselsrøret under innsuget og til ett rør som går bak registerreima og vidre til turbo (vanntilførsel turbo)

Del dette innlegget


Lenke til innlegg
Del på andre sider

Ser ikke 27 på det bildet jeg..

Men mener på at den jeg tok av går fra det "grenrøret" som går innpå blokka, under innsuget..

Del dette innlegget


Lenke til innlegg
Del på andre sider

Da har jeg fått ny slange :)

Båtfabrikken hadde, og var gratis siden jeg har jobba der.. Alternativet (Tess) skulle vell hatt noen kroner for det..

 

DSC_0052.jpg

Del dette innlegget


Lenke til innlegg
Del på andre sider

Ser ikke 27 på det bildet jeg..

Men mener på at den jeg tok av går fra det "grenrøret" som går innpå blokka, under innsuget..

 

Nr 27 er mellom de 2 slangeklemmene merket nr 24 oppe til høyre på bildet.

 

Hvor mange mm er slangen innvendig?

Del dette innlegget


Lenke til innlegg
Del på andre sider

Nei tror ikke det er denne Ola..

Del dette innlegget


Lenke til innlegg
Del på andre sider

Da har jeg bytta den..

Tok ut vifta på radiatoren, så kom jeg til SÅVIDT.

Men var ikke enkelt da heller.. Var tre stk som prøvde og feilet her en stund, men fikk til etter hvert :)

Del dette innlegget


Lenke til innlegg
Del på andre sider



VACN 2018- Powered by Invision Community

Bli medlem
×

Viktig informasjon

Vi har plassert informasjonskapsler/cookies på din enhet for å kunne vise siden slik vi har utviklet den.
Godtar du ikke dette, må du avslutte bruken og forlate vårt nettsted, ellers vil VACN anta du aksepterer dette.