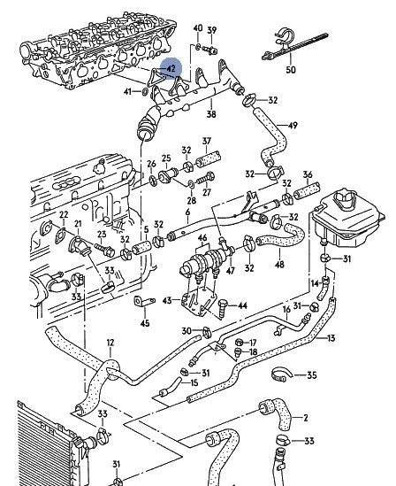
#1 Skrevet Februar 17, 2009 Hei! Noen som kan fikse dele.Nr til følgende nr fra bilde under her? Takker for svar!! 41. 42. 48. 49. Mvh Øyvind.. 0 Del dette innlegget Lenke til innlegg Del på andre sider Flere delingsalternativer...
#2 Skrevet Februar 19, 2009 Bump!!... 0 Del dette innlegget Lenke til innlegg Del på andre sider Flere delingsalternativer...
#3 Skrevet Februar 19, 2009 41 N 0282034 round seal 15X2,5S / AAN 42 027121139A gasket / AAN 48 4A0121081 water hose / AAN 49 4A0121082 water hose / AAN Audi 100/Avant quattro, 1992 г.в. WATER COOLING 5-cylinder klippet og limt i fra http://www.vagcat.com/epc/cat/au/A10Q/1992/119/49/1232297/ 0 Del dette innlegget Lenke til innlegg Del på andre sider Flere delingsalternativer...