#1 Skrevet Februar 25, 2009 hei har en liten case her. tok ut mellomakselen på kr blokka mi nå og lagerene er helt gåen er det noen som vet hvor jeg kan få tak i dei lagerene? dem hadde ikke på møller: bh : takker for svar mvh 0 Del dette innlegget Lenke til innlegg Del på andre sider Flere delingsalternativer...
#2 Skrevet Februar 26, 2009 Mellomaksel? Hva mener du egentlig? 0 Del dette innlegget Lenke til innlegg Del på andre sider Flere delingsalternativer...
#3 Skrevet Februar 26, 2009 Veiva? 0 Del dette innlegget Lenke til innlegg Del på andre sider Flere delingsalternativer...
#4 Skrevet Februar 26, 2009 (endret) Disse lagra er som regel knust,ja.Lagra kan du bestille fra et firma i tronhjem,tlf 73827575.Husk å opplyse at du er medlem av VACAN(rabatter).Mener jeg bet.ca 150kr for begge lagra. 0 Del dette innlegget Lenke til innlegg Del på andre sider Flere delingsalternativer...
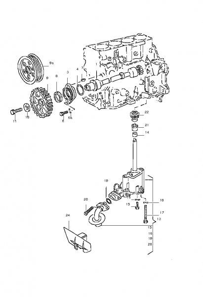
#5 Skrevet Februar 26, 2009 Er denne mellomakslingen han mener. Også kalt fordeleraksling, bortsett fra på 16v så går den kun på reg.reima og drevet på oljepumpa. 0 Del dette innlegget Lenke til innlegg Del på andre sider Flere delingsalternativer...
#6 Skrevet Februar 26, 2009 Det er riktig. 0 Del dette innlegget Lenke til innlegg Del på andre sider Flere delingsalternativer...
#7 Skrevet Februar 26, 2009 ja det var denne akslingen. tusen takk for svar 0 Del dette innlegget Lenke til innlegg Del på andre sider Flere delingsalternativer...