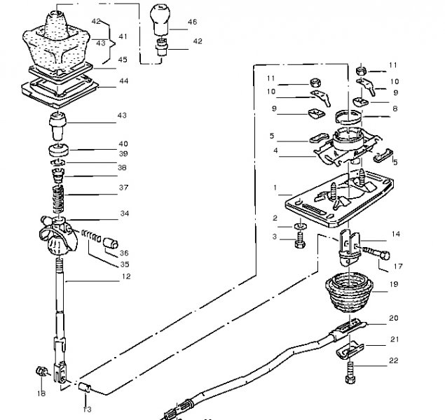
#1 Skrevet Mai 12, 2009 Den reverssperra på girspaken min er dårlig så tenkte å bytte ut slitte deler. Hva må jeg bytte? Spaken sperrer ikke, så det er litt kronglete å finene revers og 1.gir. Det er org.deler som står på bilen - ikke shortshift. Legger ved sprengskisse. Er det disse sliteputene nr 5? Noen som veit? 0 Del dette innlegget Lenke til innlegg Del på andre sider Flere delingsalternativer...
#2 Skrevet Mai 12, 2009 Må bytte nr 12 og nr 4 0 Del dette innlegget Lenke til innlegg Del på andre sider Flere delingsalternativer...
#3 Skrevet Mai 12, 2009 Trenger du virkelig bytte hele girspaken for å fikse et par foringer? 0 Del dette innlegget Lenke til innlegg Del på andre sider Flere delingsalternativer...
#4 Skrevet Mai 12, 2009 Ikke shortshift å få tak i da 0 Del dette innlegget Lenke til innlegg Del på andre sider Flere delingsalternativer...
#5 Skrevet Mai 12, 2009 På shortshift må man fjerne denne sperra 0 Del dette innlegget Lenke til innlegg Del på andre sider Flere delingsalternativer...
#6 Skrevet Mai 12, 2009 Trenger egentlig ingen shortshift, syns gira er veldig tight og presis bortsett fra at denne sperra mangler. 0 Del dette innlegget Lenke til innlegg Del på andre sider Flere delingsalternativer...
#7 Skrevet Mai 12, 2009 På shortshift må man fjerne denne sperra Det stemmer vel ikke helt vel? Begge shortshift-kita fra 034 kan ordnes med lock out. Trenger egentlig ingen shortshift, syns gira er veldig tight og presis bortsett fra at denne sperra mangler. Hadde jeg vært deg så hadde jeg pelt det opp og lagd til nye plastikkforinger for lock out av revers 0 Del dette innlegget Lenke til innlegg Del på andre sider Flere delingsalternativer...
#8 Skrevet Mai 12, 2009 Det stemmer vel ikke helt vel? Begge shortshift-kita fra 034 kan ordnes med lock out. Hadde jeg vært deg så hadde jeg pelt det opp og lagd til nye plastikkforinger for lock out av revers Det er jo greit nok, men det er jo det jeg lurer på - hvilken av delene er det jeg trenger å bytte? 0 Del dette innlegget Lenke til innlegg Del på andre sider Flere delingsalternativer...
#9 Skrevet Mai 12, 2009 Det er jo greit nok, men det er jo det jeg lurer på - hvilken av delene er det jeg trenger å bytte? Har desverre ikke noe bra bilde av det, men du ser det antageligvis ganske fort om du prøver å bevege spaken som om du skulle satt bilen i revers Men hvert fall, det er en foring som står under del 4, kunne nesten trodd foringa var del 5, men ikke sikker. Og så er det en del som går mott denne... slik at du må presse spaken ned for at den skal gå under foringa som sitter i del-4 .... bra forklart? 0 Del dette innlegget Lenke til innlegg Del på andre sider Flere delingsalternativer...
#10 Skrevet Mai 12, 2009 Har desverre ikke noe bra bilde av det, men du ser det antageligvis ganske fort om du prøver å bevege spaken som om du skulle satt bilen i revers Men hvert fall, det er en foring som står under del 4, kunne nesten trodd foringa var del 5, men ikke sikker. Og så er det en del som går mott denne... slik at du må presse spaken ned for at den skal gå under foringa som sitter i del-4 .... bra forklart? Skal ta en titt på det i kveld, forklaringa var grei den hehe 0 Del dette innlegget Lenke til innlegg Del på andre sider Flere delingsalternativer...
#11 Skrevet Mai 12, 2009 Som sagt må du nok kjøpe hele dritten for å få det nytt i allefall. Så klart kan man mekke dette enkelt selv, er jo ikke akkurat nano teknologi 0 Del dette innlegget Lenke til innlegg Del på andre sider Flere delingsalternativer...
#12 Skrevet Mai 12, 2009 (endret) Har sett litt på det nå, og det viste seg at en eller annen luring hadde snudd hele greia feil vei, så da var det jo en enkel og billig løsning på det hele Blei plutselig endel bedre ja.... Det er som Frank sier nr 12 og 4 som den reverssperra består av. 0 Del dette innlegget Lenke til innlegg Del på andre sider Flere delingsalternativer...