#1 Skrevet Juni 11, 2009 Hei. Hvordan kan jeg koble til ekstra kjørelys på en Golf 4 1998 Uten å ødelegge kontakten som går til lysene med lodding osv? Finnes det en enkel måte som å kjøpe noe ekstra utstyr evt en skjøt til pluggen for lysa hvor jeg kan ta ut lysets spenning? 0 Del dette innlegget Lenke til innlegg Del på andre sider Flere delingsalternativer...
#2 Skrevet Juni 11, 2009 Du må bruke relé om du skal ha ekstralys. Da trenger du bare styrestrøm fra en av lyktene. Det vanlige er å avisolere kableen litt å lodde på en leding som går til relé. Finnes ikke noe adapter som jeg har sett. 0 Del dette innlegget Lenke til innlegg Del på andre sider Flere delingsalternativer...
#3 Skrevet Juni 11, 2009 Det er dog ikke noe svære greier, tenker da på totalt 16led lys (8x) per stripe. Trenger jeg da noe rele? 0 Del dette innlegget Lenke til innlegg Del på andre sider Flere delingsalternativer...
#4 Skrevet Juni 11, 2009 Det er dog ikke noe svære greier, tenker da på totalt 16led lys (8x) per stripe. Trenger jeg da noe rele? Det spørs hvor mye strøm de trekker det. Uansett er det veldig mye bedre å lage til et relé en å sjanse på å overbelaste ledingsnettet i bilen din. ryker en sikring å du setter inn større osv, så er det fort gjort at det blir en dyr affere. 0 Del dette innlegget Lenke til innlegg Del på andre sider Flere delingsalternativer...
#5 Skrevet Juni 11, 2009 Så, da kommer det til den biten av bil jeg ikke kan, hvor sitter nå disse relene og hvordan monterer jeg dette? Evt hva koster det. 0 Del dette innlegget Lenke til innlegg Del på andre sider Flere delingsalternativer...
#6 Skrevet Juni 11, 2009 Så, da kommer det til den biten av bil jeg ikke kan, hvor sitter nå disse relene og hvordan monterer jeg dette? Evt hva koster det. relé får du kjøpt på mekonomen/bilxtra osv. du får også kjøpt ferdige ledningsnett med plugg og sikringsholder. vedlig enkelt, men du bør kanskje søke litt å finne ut hvordan det fungerer. 0 Del dette innlegget Lenke til innlegg Del på andre sider Flere delingsalternativer...
#7 Skrevet Juni 11, 2009 Hvis du har tåke/kjørelys på bilen orginalt så tar du styrestrøm fra en av disse (rett før pluggen til lykta). resten av + og - kabler tar du i fra batteriet (husk sikring) og ett jordingspunkt. Hvis du ikke har orginalt tåke/kjørelys bør du bytte til en lysbryter som har mulighet for dette. Er ikke sikker på om ledn. nettet er klart for dette men hvis ikke så må du legge ekstra ledninger fra bryteren og frem til lykta. (dette virker kanskje dumt) men du må ha en mulighet til å kunne slå av disse lysene. 0 Del dette innlegget Lenke til innlegg Del på andre sider Flere delingsalternativer...
#8 Skrevet Juni 11, 2009 Aha, ja det har jeg. Men som jeg har sett så lyser det bare bak med tåkelysene? eller har jeg ikke sett grundig nok etter foran? Jeg har allerede montert en bryter der bryteren ligger på jord(minus) slik at alle lys og ting jeg kobler til kan bli slått av. Ok takker for alle svar, skal se hva jeg får gjort så fort lysene ankommer posten 0 Del dette innlegget Lenke til innlegg Del på andre sider Flere delingsalternativer...
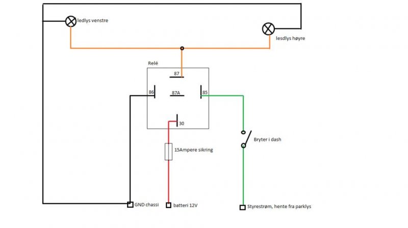
#9 Skrevet Juni 12, 2009 Blir dette korrekt: 0 Del dette innlegget Lenke til innlegg Del på andre sider Flere delingsalternativer...
#10 Skrevet Juni 12, 2009 Blir dette korrekt: riktig:) 0 Del dette innlegget Lenke til innlegg Del på andre sider Flere delingsalternativer...
#11 Skrevet Juni 27, 2009 Lysene fungerer når jeg vrir om tenningen, begge to. Men så fort jeg begynner å kjøre, lyser ikke de midterste led diodene på ledlyset til venstre, bare de på siden. Mens lyset til høyre fungerer som det skal. har prøvd å ta ut lyset å riste på lederne for å se om det er dårlig kobling, men det slår ikke ut. Hjelp? 0 Del dette innlegget Lenke til innlegg Del på andre sider Flere delingsalternativer...