#1 Skrevet Desember 27, 2004 Kjørte meg en tur til Piteå i Sverige (75mil fra Tromsø) en helg tidligere i måneden. Turen gikk utmerket, tilsynelatende (bakgrunnsmusikk og prating med passasjeren). Men, morgenen etter hørte jeg plutselig en stygg knattre-liknende lyd i drivverket bak når jeg akselererte. Ånei, hva har skjedd?... 75mil hjem!... Hjullager?... Drivknute?... Vel, turen hjem bydde ikke på no' havari. Normotor fikk i oppdrag å finne ut av dette. Leddet (klokka eller hva det nå egentlig kalles) bak er gåen. Hele mellomakslingen må byttes fordi "leddet" ikke produseres alene. Kr. 17 000,- for mellomakslingen Vel, man trenger vel kanskje ikke egentlig bli overrasket da bilen tross alt er nå gått 240 000km. Men, er det virkeling gåent? Mekanikeren sa den var gått tørr. 0 Del dette innlegget Lenke til innlegg Del på andre sider Flere delingsalternativer...
#2 Skrevet Desember 27, 2004 Dersom den har gått tørr, er den nok gåen. Den leveres ikke ny-løs, men du kan bruke en brukt en om jeg ikke husker helt feil. Slakke i mellomakslingen er ikke noe nytt på disse bilene. 0 Del dette innlegget Lenke til innlegg Del på andre sider Flere delingsalternativer...
#3 Skrevet Desember 27, 2004 Går utfra denne kan smøres ? Så man kan unngå slikt. Hvor og hvordan gjøres det ? 0 Del dette innlegget Lenke til innlegg Del på andre sider Flere delingsalternativer...
#4 Skrevet Desember 27, 2004 Er omtrent som et vanlig drivledd. Må ta ned akselen, demontere knutene i hver ende, rense, smøre og sette sammen igjen med ny mansjett. Knutene er fullt tilgjengelige, bare ikke fra VW/Audi. Uni-Cardan i Oslo skaffer slike knuter. Hvis jeg ikke husker helt feil er det også samme knuter som på 90-talls Porsche 911 med 4WD, og de kan skaffes løst fra Porsche også.. Ganske kjent problem, men blir som oftest bra med rens og nytt fett. 17 lapper for ny mellomaksel er heldigvis uaktuelt for de aller fleste.. 0 Del dette innlegget Lenke til innlegg Del på andre sider Flere delingsalternativer...
#5 Skrevet Desember 27, 2004 Er omtrent som et vanlig drivledd. Må ta ned akselen, demontere knutene i hver ende, rense, smøre og sette sammen igjen med ny mansjett. Knutene er fullt tilgjengelige, bare ikke fra VW/Audi. Uni-Cardan i Oslo skaffer slike knuter. Hvis jeg ikke husker helt feil er det også samme knuter som på 90-talls Porsche 911 med 4WD, og de kan skaffes løst fra Porsche også.. Ganske kjent problem, men blir som oftest bra med rens og nytt fett. 17 lapper for ny mellomaksel er heldigvis uaktuelt for de aller fleste.. Du mener at det lar seg fikses ved rens og nytt fett? Skader vel ikke å prøve. Kommer vel litt ann på hvor mye arbeid det er å demontere og montere, hvis det ikke er vits liksom. Jeg har ikke mulighet å skru selv, og da koster det. Men, kanskje EStuning eller.no kanskje tar i oppdrag og overhaler motor og drivverk? Noen som har peil? 0 Del dette innlegget Lenke til innlegg Del på andre sider Flere delingsalternativer...
#6 Skrevet Desember 27, 2004 Som Spangen nevner over her er dette gutta du bør snakke med: http://www.gkn.no/website.aspx?objectid=1&displayid=1153 (http://www.gkn.no) De reparerer alt som går rundt Jan Gunnar Nielsen hadde sin mellomaksel der for et par år siden, tror den ble bra. Kostet ham vel ca 3500,- eller noe deromkring, men jeg husker ikke helt hva som var galt med den. 0 Del dette innlegget Lenke til innlegg Del på andre sider Flere delingsalternativer...
#7 Skrevet Desember 27, 2004 Hvis jeg ikke husker helt feil er det også samme knuter som på 90-talls Porsche 911 med 4WD, og de kan skaffes løst fra Porsche også.. 911 (både type 964 og 993) bruker en solid aksel uten knuter, som ligger beskyttet inne i et rør under bilen. Det er ingen knuter på denne akselen på illustrasjonen i delekatalogen. 0 Del dette innlegget Lenke til innlegg Del på andre sider Flere delingsalternativer...
#8 Skrevet Desember 27, 2004 Da var det sikkert som en eller annen drivknute. Var ihvertfall det samme som en eller annen 4WD-Porsche.. 0 Del dette innlegget Lenke til innlegg Del på andre sider Flere delingsalternativer...
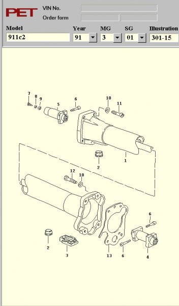
#9 Skrevet Desember 28, 2004 Kan jeg få ett bilde av/over drivverket fra "bibelen"?? 0 Del dette innlegget Lenke til innlegg Del på andre sider Flere delingsalternativer...
#10 Skrevet Desember 28, 2004 Som Spangen nevner over her er dette gutta du bør snakke med:http://www.gkn.no/website.aspx?objectid=1&displayid=1153 (http://www.gkn.no) De reparerer alt som går rundt Jan Gunnar Nielsen hadde sin mellomaksel der for et par år siden, tror den ble bra. Kostet ham vel ca 3500,- eller noe deromkring, men jeg husker ikke helt hva som var galt med den. Vet du hvordan jeg får tak i Jan Gunnar Nilsen? Må høre med han om dette her. BTW, takk for URL'n! 0 Del dette innlegget Lenke til innlegg Del på andre sider Flere delingsalternativer...
#11 Skrevet Desember 28, 2004 Vet du hvordan jeg får tak i Jan Gunnar Nilsen? Må høre med han om dette her. BTW, takk for URL'n! Sender deg tlf nr på pm - han er i Stavanger og/eller Bergen i Julen og sikkert ikke så mye innom her nå, ellers funker vel pm. 0 Del dette innlegget Lenke til innlegg Del på andre sider Flere delingsalternativer...
#12 Skrevet Desember 28, 2004 Sender deg tlf nr på pm - han er i Stavanger og/eller Bergen i Julen og sikkert ikke så mye innom her nå, ellers funker vel pm. Takker og bukker. Sendt han en PM. 0 Del dette innlegget Lenke til innlegg Del på andre sider Flere delingsalternativer...
#13 Skrevet Desember 28, 2004 Kan jeg få ett bilde av/over drivverket fra "bibelen"?? Her er bilde 0 Del dette innlegget Lenke til innlegg Del på andre sider Flere delingsalternativer...
#14 Skrevet Desember 29, 2004 Den der viste vel bare mellomakslingen... (ikke no' expert jeg asså ) Jeg har liksom ikke oversikten hvordan det henger sammen under bilen der. Du har ikke et bilde som viser "alt"? Bakaksling, kardang, mellomaksling etc, så jeg får ett visst innblikk hvordan det ser ut. 0 Del dette innlegget Lenke til innlegg Del på andre sider Flere delingsalternativer...
#15 Skrevet Desember 29, 2004 Som Spangen nevner over her er dette gutta du bør snakke med:http://www.gkn.no/website.aspx?objectid=1&displayid=1153 (http://www.gkn.no) De reparerer alt som går rundt Jan Gunnar Nielsen hadde sin mellomaksel der for et par år siden, tror den ble bra. Kostet ham vel ca 3500,- eller noe deromkring, men jeg husker ikke helt hva som var galt med den. Jan Nilsen brukte Oslo Kardangakselservice http://www.kardang.no og betalte vel 3500,- den gang. Skal sende dem en mail. Mest sannsynlig så kan leddet mitt repareres. Går riktig vei dette her Sitat fra Jan Nilsen: "de byttet de opplagringen til akslingen samt nytt kryss og nytt bakre ledd.. tror hele operasjonen kom på 3500,- den gang." 0 Del dette innlegget Lenke til innlegg Del på andre sider Flere delingsalternativer...
#16 Skrevet Januar 4, 2005 På bilde fra "bibeln" (som Per posta inn): Hvor er fremre ledd på mellomakslingen? Er det nr.1? Etter en nærmere gjennomgang av fakturaen, til Normotor, ser jeg at dem skriver: "ulyd kommer fra fremre ledd på mellomaksel". 0 Del dette innlegget Lenke til innlegg Del på andre sider Flere delingsalternativer...
#17 Skrevet Januar 5, 2005 Da har jeg tatt et endelig valg på problemet. Et lokalt verksted/spesialist har fått i oppdrag å fikse mellomakslingen på 200'en min. Nordkjosbotn Tekniske Senter. Ca. 50min kjøring fra Tromsø. Under kr. 4 000,- beregnet kostnader (3 timer arbeid+deler). Time neste Onsdag (12.Jan). Normotor selv og en kompis (som har bygd en V8 i en Volvo 740) anbefalte dette firmaet. 0 Del dette innlegget Lenke til innlegg Del på andre sider Flere delingsalternativer...
#18 Skrevet Januar 5, 2005 Den der viste vel bare mellomakslingen... (ikke no' expert jeg asså ) Jeg har liksom ikke oversikten hvordan det henger sammen under bilen der. Du har ikke et bilde som viser "alt"? Bakaksling, kardang, mellomaksling etc, så jeg får ett visst innblikk hvordan det ser ut. Sikkert litt sent ute, men her er ihvertfall et oversiktsbilde (grovt) over drivverket på min bil. Tatt fra verkstedhåndbok fra Bentley 0 Del dette innlegget Lenke til innlegg Del på andre sider Flere delingsalternativer...
#19 Skrevet Januar 6, 2005 Lærer så lenge man lever. Og man forspør seg aldri. 0 Del dette innlegget Lenke til innlegg Del på andre sider Flere delingsalternativer...
#20 Skrevet Januar 12, 2005 Ja, da har jeg vært, hos Nordkjosbotn Tekniske Senter (NTS), og skiftet fremre ledd på mellomakslingen og fått den balansert. Kr. 3.944,- kostet arbeidet. Jeg er så fornøyd nå atte smiler fra øret til øret Jaggu tror du ikke dem var mer enn ett "vanlig" bilverksted gitt. Mer ett Tunings-verksted. Her blir det powerflex-foringer, senke/justérbart understell og sånt..... vrææææl!! Den he'karn blir blakker enn blakkest fremover nå gitt. 0 Del dette innlegget Lenke til innlegg Del på andre sider Flere delingsalternativer...