AKTE over instrumentpanel Corrado G60 -91

Anbefalte innlegg

Er det noen som kan hjelpe meg med tegningene over instrumentpanelet til en -91 Corrado? Har vært og koplet litt idag, og da hadde jeg plutselig bare lys i midterste pæra, så instrumentene var dårlig opplyste..

 

Vinduet til kjørecomputeren, som normalt sett lyser, lyste ikke nå lenger heller. Sitter det en pære bak denne også? Må jo nesten ha lys i den også..

 

Og til sist, er blinklys pærene i instrumentpanelet samme som de andre? (Bortsett fra at de er grønne da, selvsagt) Er det samme styrke på de, og samme sokler osv.??

Del dette innlegget


Lenke til innlegg
Del på andre sider

Vet forresten ikke om det står så mye, men jeg kan gjøre et forsøk i hvert fall.

 

Slettet litt tekst jeg...

Del dette innlegget


Lenke til innlegg
Del på andre sider

Årsmodell er bilen din da?

Han skriver at den er en -91 ;)

 

Indikatorene i rekka nederst i instrumentet er lysdioder og ikke pærer, jeg vet/husker ikke hvor Corrado har indikatoren for blinklyset.

Corr-instr.jpg

Del dette innlegget


Lenke til innlegg
Del på andre sider

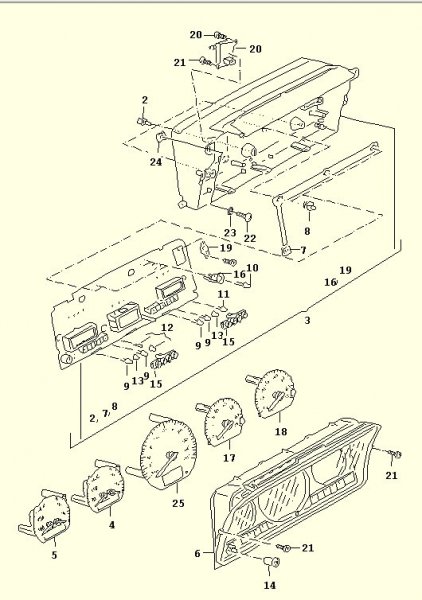
Tittet litt nå og kunne ikke finne noe el.skjema hvis det er det du er ute etter. Det jeg kunne fnne var bare oversikt over hvilke deler det består av, ikke brukende til mye tror jeg.

Del dette innlegget


Lenke til innlegg
Del på andre sider

Om du ser den lille skrifta så ser du hva som er dioder osv...

 

Det ble veldig lite oxo.. men fikk ikke opp større...

Corrado instrument.gif

Del dette innlegget


Lenke til innlegg
Del på andre sider

Hmm..

 

Er på nr 7 det er 3 stk pærer som lyser opp instrumentene. Så vidt jeg kan se er det kun nr 2 (midten) som virker nå..

 

Men det jeg ikke finner ut at, er om det er en pære, eller diode under kjørecomputeren (lcd skjermen). Har nemlig skrifta i det vinduet, men det er ikke opplyst. Kan det være at det vinduet opplyses av pærene øverst i displayet? (Nr. 7)

Del dette innlegget


Lenke til innlegg
Del på andre sider

106.JPG

 

Her ser dere blinklys pærene merket med blått, og de andre pærene merket med Rødt. Regner med jeg må bytte to av pærene der oppe.

 

107.JPG

 

Skjermen merket med rødt, er det ikke lys på lenger, så jeg ser jo ikke hva som står der. Skjermen er intakt, men ingen lys..

 

Er det en pære bak der som kan byttes ut?

Del dette innlegget


Lenke til innlegg
Del på andre sider

Etter hva jeg kan finne ut skal det være en pære bak displayet og

Partnummer: 4A0 919 040 C

12v 1,1w

Del dette innlegget


Lenke til innlegg
Del på andre sider



VACN 2018- Powered by Invision Community

Bli medlem
×

Viktig informasjon

Vi har plassert informasjonskapsler/cookies på din enhet for å kunne vise siden slik vi har utviklet den.
Godtar du ikke dette, må du avslutte bruken og forlate vårt nettsted, ellers vil VACN anta du aksepterer dette.