#1 Skrevet Januar 5, 2010 Jeg sliter med tenningsanlegget på min 90q om dagen. Coil gir ikke gnist. Coil er OK. Det er 12v ved +15 terminal. 1. Hvor sitter FEI enheten (tenningsmodul)? 2. Hallgiver, skal denne vise 5v-0v-5v osv.. (min viser helt andre verdier, men er fortsatt puls). 3. Noen som har en oversikt over måleverdier og koblingskjema over tenningsanlegget? Er villig til å betale for å finne en løsning på dette. 0 Del dette innlegget Lenke til innlegg Del på andre sider Flere delingsalternativer...
#2 Skrevet Januar 5, 2010 modulen sitter ved føttene dine:) et deksel ved gasspendalen.. 0 Del dette innlegget Lenke til innlegg Del på andre sider Flere delingsalternativer...
#3 Skrevet Januar 5, 2010 styreenheten til innsprøytning ligger bak hanskerommet,styreenhet til tenninga sitter under sidedekselet i a astolpen på pass side. 0 Del dette innlegget Lenke til innlegg Del på andre sider Flere delingsalternativer...
#4 Skrevet Januar 5, 2010 Tenningsmodulen sitter bak dekselet ved clutchpedalen. Motorstyringen sitter normalt bak samme deksel på motsatt side av bilen, altså på passasjersiden. Normal spenning ut til hallgiveren er 5-8V. Sjekk om hallgiveren gir ut pulser når du kjører motoren på starteren. Limer med en sjekkliste jeg lagde til en annen med tenningsproblemer. 1 Ta en pluggledning fra fordeleren og sett den på coilen. Sett en plugg i ledningen og legg godset på pluggen til jord. Slå på tenningen og mål hvor på coilen du har + og -, normalt svart på pluss og grønt på minus. Der hvor du har minus kopler du til en ledning, den andre enden av ledningen tar du fort borti gods på motor e.l. Du skal da få gnist på pluggen og coilen er da mest sannsynlig ok. Og ja, det er normalt at det gnistrer en (hel) del der du tar ledningen borti gods 2 La tennpluggen være koplet rett på coilen. Ta så av pluggen (til hallgiveren) på fordeleren og kople en ledning i pluggen der hvor hall-giveren gir ut pulser (altså på kabelen til kupeen, ikke pluggen på fordeleren). Normalt midterste kontakten i pluggen (merket nr 2). Mens tenningen er på tar du igjen og legger ledningen raskt til jord og du skal få gnist på pluggen. Får du gnist så er motorstyring, kabling og tenningsforsterker ok og problemet ligger i fordeleren (hallgiver, rotor, fordelerlokk) eller pluggledninger. 3 Får du ikke gnist så gå videre til tenningsforsterkeren, ligger normalt bak sparkedekselet ved pedalene. Her kopler du til en ledning på pinne 1 (pluggen må stå på). Er trangt men lar seg gjøre på et vis, en nål gjennom isolasjonen på ledningen fungerer også. Slå på tenningen og legg igjen ledningen fort til gods/jord og du skal få gnist på pluggen, kabling til coil er da ok. Legg så ledningen over på pinne 6, fortsatt med pluggen på og prøv igjen med andre enden av ledning fort til og fra jord. Får du gnist så er tenningsforsterkeren ok. 4 Får du gnist i tilfelle 1 og 3 men ikke 2 så sjekk kabling mellom fordeler og tenningsforsterker. Denne går via motorstyringen (dwell time), kan være lurt å sjekke pluggen på motorstyringen, har opplevd at feilen er dårlig kontakt i denne. 0 Del dette innlegget Lenke til innlegg Del på andre sider Flere delingsalternativer...
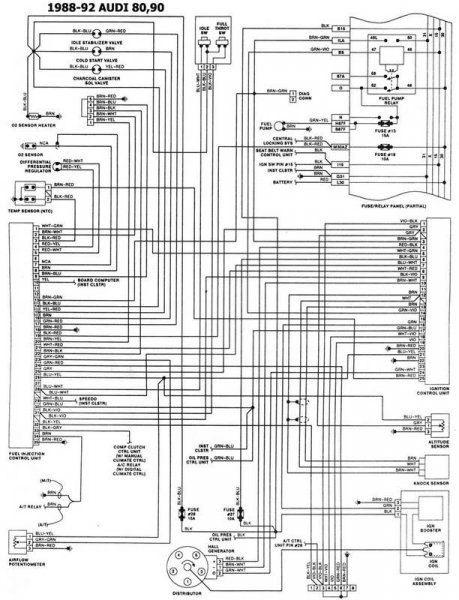
#5 Skrevet Januar 5, 2010 Limer med en tegning. Denne er kun for illustrasjon (som hjelpemiddel), Ikke stol blindt på denne! 0 Del dette innlegget Lenke til innlegg Del på andre sider Flere delingsalternativer...
#6 Skrevet Januar 5, 2010 Tenningsmodulen sitter bak dekselet ved clutchpedalen. Motorstyringen sitter normalt bak samme deksel på motsatt side av bilen, altså på passasjersiden. Det kommer ann på bilen tenker jeg.. på min sitter den nemlig nederst på a stolpen på passasjerside 0 Del dette innlegget Lenke til innlegg Del på andre sider Flere delingsalternativer...
#7 Skrevet Januar 5, 2010 Tusen takk for hjelpen! Jeg har nå endelig fått resultater. Fremgangsmåten din Hermann fungerte utmerket! 1. Jording av terminal 1 (-) på coil ga gnist. (coil ok) 2. Jorda pin 2 i hallgiverkontakten, dette ga også gnist (styring, forsterker, kabling ok) Deretter stod jeg igjen med hallgiver,fordeler osv. Fordelerlokk, rotor, pluggkabler og plugger er nytt. Dermed stod jeg igjen med hallgiver. Jeg målte denne igjen. -pin1 og pin3 ga 12v (forsyning ok) -pin2 mot jord ga meg 4,99v og 0v av og på. Her begynte jeg virkelig å lure. Jeg prøve å starte og den gikk som ei klokke! Ihvertfall i 2-3min før den plutselig døde igjen. Jeg tok en ny runde med testing og nå fikk jeg samme resultater bortsett fra halvgiver. Denne viser nå 4,99v uansett posisjon. Prøve også å ta av kontakt og måle pin 2 i kabelen til styringen. Denne viser også 4,99v. Vil dette si at min hallgiver har takket for seg? Den gikk som en klokke en liten stund også kuttet den. Nå er det helt livløst igjen. Jeg fant forresten ingen tennmodul bak dekselet ved gasspedalen. Ingenting der, er imidlertid en bosch"boks" festet ved sparkepanelet på passasjersiden. Jeg antok først at dette var abs, men dette er kanskje tennmodulen? Takker igjen for all hjelp! 0 Del dette innlegget Lenke til innlegg Del på andre sider Flere delingsalternativer...
#8 Skrevet Januar 6, 2010 halgiverene er ofte litt av og på før de tar heeelt kvelden. Så ja, det virker ut som den er gåen. Det er tenningsmodulen din, ja. Men den er nok ikke problemet 0 Del dette innlegget Lenke til innlegg Del på andre sider Flere delingsalternativer...
#9 Skrevet Januar 6, 2010 Det kommer ann på bilen tenker jeg.. på min sitter den nemlig nederst på a stolpen på passasjerside Gjør nok det ja På alle de 80ene jeg har og har hatt så står de som jeg har beskrevet, men nå har ingen av de 2.3-motoren Uansett kjekt at trådstarter fant ut av det. 0 Del dette innlegget Lenke til innlegg Del på andre sider Flere delingsalternativer...
#10 Skrevet Januar 6, 2010 Da er fordeler bestilt hos Møller bil. Merkelig nok var denne rimeligere hos Audi enn mekonomen:S Mekonomen tar 2730,- Møller bil tar 2030,- Begge steder er dette med pant i gammel fordeler. Til de som trenger å bestille en slik er delenr for 2,3E NG motor: 034 905 205H I samme slengen har jeg ett siste spørsmål. Selve innstilling av fordeler/tenning. Grunninnstilling er grei nok, man vrir motor slik at merke på reimhjulet på veiva treffer merket på motor. Deretter setter man inn fordeler slik at rotor treffer merket på fordelerhuset. Det jeg lurer på er hvordan man stiller mer korrekt med tenninslampe. Hvor er markeringene for innstilling? Er dette å reimhjulet? Eller mot girkassa? Evt hvilken posisjon er optimal? Dette med tanke på forbruk av bensin. Mvh Andreas B 0 Del dette innlegget Lenke til innlegg Del på andre sider Flere delingsalternativer...
#11 Skrevet Januar 6, 2010 Da er fordeler bestilt hos Møller bil. Merkelig nok var denne rimeligere hos Audi enn mekonomen:S Mekonomen tar 2730,- Møller bil tar 2030,- Begge steder er dette med pant i gammel fordeler. Til de som trenger å bestille en slik er delenr for 2,3E NG motor: 034 905 205H Hvorfor ikke bare kjøpe ny hallgiver til kr 300,- I samme slengen har jeg ett siste spørsmål. Selve innstilling av fordeler/tenning. Grunninnstilling er grei nok, man vrir motor slik at merke på reimhjulet på veiva treffer merket på motor. Deretter setter man inn fordeler slik at rotor treffer merket på fordelerhuset. Det jeg lurer på er hvordan man stiller mer korrekt med tenninslampe. Hvor er markeringene for innstilling? Er dette å reimhjulet? Eller mot girkassa? Evt hvilken posisjon er optimal? Dette med tanke på forbruk av bensin. Mvh Andreas B Det er et merke for ØD (øvre dødpunkt) "0" på svinghjulet. I tillegg er det et tenningsmerke, altså en strek som skal være på 15 eller 18 grader før ØD. Du kopler tenningspistolen til pluggledning nr 1, starter motoren og setter en fungerende sikring i bensinpumpereléet og vrir fordeleren til streken (tenningsmerket) ligger plant med nedre kant i inspeksjonshullet i svinghjulshuset. Husk å ta ut sikringen etterpå, stopp motoren og slå tenning helt av før du starter den igjen og kjører. Det siste er for å få igang igjen motorstyringen etter at du deaktiverte den med sikringen i reléet. Bensinpumpereléet ser du bilde av under og har holder til en sikring av flatstifttypen. Etterpå kjører du motoren god og varm før du sjekker igjen at tenningstidspunktet fortsatt er som du stilte det inn 0 Del dette innlegget Lenke til innlegg Del på andre sider Flere delingsalternativer...
#12 Skrevet Januar 6, 2010 Bare for å bekrefte at jeg har forstått deg riktig; det skal ikke være noen sikring i holderen under normal drift? Kun når jeg skal stille tenninga? Eller skal jeg ta ut sikring, starte motor og sette inn sikring mens motor går? Grunnen til at jeg stusser litt er at det allerede sitter en sikring i dette releet. Er temmelig sikker på at denne sikringen er hel og fungerende. Hvilken funksjon har denne sikringen? Er dette en form for overstyring? Forstår hvis det er irriterende å forklare dette med teskje, men informasjonen er for meg helt avgjørende. Mvh Andreas B 0 Del dette innlegget Lenke til innlegg Del på andre sider Flere delingsalternativer...
#13 Skrevet Januar 6, 2010 Nei, det er ikke no sikring der ved normal drift, men den brukes også til å tvangskjøre bensinpumpa og lese ut feilkoder om du lurte 0 Del dette innlegget Lenke til innlegg Del på andre sider Flere delingsalternativer...
#14 Skrevet Januar 7, 2010 Merkelig. I min bil har det alltid stått en sikring der: rolleyes. Sikkert noe tidligere eier(e) har satt inn. Skal sjekke opp dette. Men er fast bestemt på at pumpa deaktiveres når tenning er av. 0 Del dette innlegget Lenke til innlegg Del på andre sider Flere delingsalternativer...
#15 Skrevet Januar 7, 2010 Når det står sikring i bensinpumpereléet er elektronikken (motorstyringen) deaktivert. Sikring skal du kun sette inn ved tenningsjustering eller ved feilkodeavlesing som Morten nevner. 0 Del dette innlegget Lenke til innlegg Del på andre sider Flere delingsalternativer...
#16 Skrevet Januar 7, 2010 Når du nevner motorstyring, tenker du da på systemen med knocksensor som justerer tenning. Eller mener du sprutet, at co måling osv blir ignorert. Denne kan vel neppe være gunstig for motor/forbruk. Bilen har jo fungert helt ypperlig med sikring i releet nå i 20 000km. 0 Del dette innlegget Lenke til innlegg Del på andre sider Flere delingsalternativer...
#17 Skrevet Januar 7, 2010 Problem er nå løst! Med ny fordeler/hallgiver montert så fungerer bilen bedre enn så lenge jeg kan huske. Bilen går nå uten sikring i bensinpumpereleet. Tusen takk for hjelpen alle sammen! 0 Del dette innlegget Lenke til innlegg Del på andre sider Flere delingsalternativer...
#18 Skrevet Januar 7, 2010 (endret) Når du nevner motorstyring, tenker du da på systemen med knocksensor som justerer tenning. Eller mener du sprutet, at co måling osv blir ignorert. Denne kan vel neppe være gunstig for motor/forbruk. Bilen har jo fungert helt ypperlig med sikring i releet nå i 20 000km. For å være ærlig så er jeg ikke sikker på hvor mye som blir koplet ut ved deaktivering av motorstyringen. Tenningsjusteringen blir i alle fall utkoplet, vil tippe retardasjonsmuligheten for bankesensoren også selv om denne har egen styremodul. Bankesensorstyringen "justerer" eller rettere sagt retarderer kun tenningen ved tenningsbank, ut over dette gjør den ingenting. Tror du vil få et lavere bensinforbruk nå når sikringen er ute da du får tidligere tenning (mener det var slik det var) Når du har stilt tenningen på 15 grader med elektronikk deaktivert, kan du da gjøre en ting for meg? Sjekke hva tenningen er på varm motor med elektronikken aktiv (samt slå av alt som trekker strøm for at dette ikke skal influere på tenningstidspunktet). Husk at tenningen må helt av for å aktivere elektronikken igjen etter at sikringen har vært satt i bensinpumpereléet. 0 Del dette innlegget Lenke til innlegg Del på andre sider Flere delingsalternativer...
#19 Skrevet Januar 7, 2010 for morroskyld så kan du også lese ut feilkoder etter at du har fiksa tenninga og tatt ut sikringa for å sjekke at det ikke var en grunn til at sikringa sto i. 0 Del dette innlegget Lenke til innlegg Del på andre sider Flere delingsalternativer...
#20 Skrevet Januar 8, 2010 Skal sjekke alt dere nevner etterpå. Jeg lurer også på hvorfor sikringen stod igjen i holderen. Kommer tilbake med svar iløpet av kvelden! Andreas 0 Del dette innlegget Lenke til innlegg Del på andre sider Flere delingsalternativer...
#21 Skrevet Januar 8, 2010 Når det står sikring i bensinpumpereléet er elektronikken (motorstyringen) deaktivert. Sikring skal du kun sette inn ved tenningsjustering eller ved feilkodeavlesing som Morten nevner. Gjelder dette på motronic (2,2T) også? 0 Del dette innlegget Lenke til innlegg Del på andre sider Flere delingsalternativer...
#22 Skrevet Januar 8, 2010 Gjelder dette på motronic (2,2T) også? Det vet jeg ikke, tenker du på din S2 (3B motoren)? Den og ABY har vel de tre diagnosekontaktene (svart, brun og blå). 0 Del dette innlegget Lenke til innlegg Del på andre sider Flere delingsalternativer...
#23 Skrevet Januar 8, 2010 ifølge haynes gjelder ikke dette 20v eller 20vt. Får desverre ikke sjekket opp feilkoder osv idag. Blir overtid utover kvelden Skal se om jeg får gjort dette i helgen. Andreas 0 Del dette innlegget Lenke til innlegg Del på andre sider Flere delingsalternativer...
#24 Skrevet Januar 13, 2010 beklager liten fremgang her. Må få lånt meg tenningslampe før jeg kommer videre, satser på å gjøre dette til helgen som kommer. Andreas. 0 Del dette innlegget Lenke til innlegg Del på andre sider Flere delingsalternativer...