Spm om motorfester Golf 1 Gti 1,8 84 mod

Anbefalte innlegg

Må bytte motorfester, men ifølge vag i porsgrunn var det tre forskjellige utgaver på disse festene til motoren..

Så nå lurer jeg litt på hvilke jeg må bestillle

 

Får man tak i nye motorfester til disse nå?

Dyrt?

 

Noen som kan hjelpe litt?

Del dette innlegget


Lenke til innlegg
Del på andre sider

Tre forskjellige styrker på festene mener du?

 

Har selv kjøpt nye og var ikke spørsmål om noe forskjeller annet en motortype.

Kjøpte også det bakre festet inn mot torpedoveggen til diesel da det skal vare stivere.

Del dette innlegget


Lenke til innlegg
Del på andre sider

Tre forskjellige styrker på festene mener du?

 

Har selv kjøpt nye og var ikke spørsmål om noe forskjeller annet en motortype.

Kjøpte også det bakre festet inn mot torpedoveggen til diesel da det skal vare stivere.

 

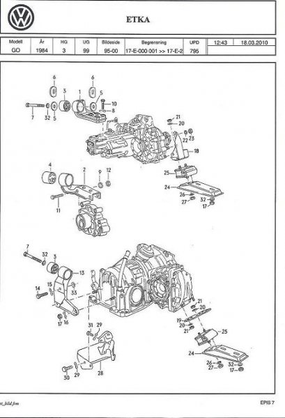
Tre foskjellig typer/utgaver, sitter med tegningen jeg fikk fra vag, men å behandle vedlegg i dette forumet skal jo ikke være lett!

Skal prøve å legge inn tegningene

Del dette innlegget


Lenke til innlegg
Del på andre sider

sånn:)

 

lurer litt hvilke fester jeg trenger da.. rart at det skulle være tre foskjellige typer fester til en 1,8l liter men..

mulig jeg misforstår noe kraftig da

motorfeste girkasse.jpg

motorfeste.jpg

Del dette innlegget


Lenke til innlegg
Del på andre sider

Du kjøper naturligvis bare nye foringer, presser ut de gamle og bruker om igjen de gamle festene - nå med nye, kjernesunne foringer.

 

På girkassesida er det enkelt: Du skal ha foringa til festet som er avbildet på midten (ev. hele festet, om du føler for å bruker mer penger). Foran så har du festet som er avbilda øverst.

 

På regreimsida er jeg mer usikker, ettersom jeg alltid har tatt utgangspunkt i biler med 1,5L og har brukt det jeg tilfeldigvis har hatt tilgjengelig av deler. Jeg husker i alle fall fra sist at foringa til det høyre motorfestet hadde ulik diameter på 1,5L og 1,8 GTI. På de bilene jeg har tatt i hittil (1,5 forgasser og 1,6 GTI) har det alltid vært fester tilsvarende det man ser øverst på figuren til høyre. I alle fall har jeg ennå til gode å se noen annen motorfesteløsning. Men det er verdt å nevne at foringa jeg kjøpte som var til 1,8 høyre motorfeste ikke passet inn i motorfestet jeg hadde (fra 1,5).

 

Jeg har ikke noen som helst sjanse til å se hvilken posisjon de ulike festene har på tegninga.

 

Bak lønner det seg å gjøre som Morten; kjøpe feste til Golf Diesel. Eventuelt kjøpe poly. Spesielt om du har planer om å kjøre med grenrør (og ikke ønsker å bytte pakninga mellom grenrøret og eksosanlegget en gang i sesongen eller oftere).

Del dette innlegget


Lenke til innlegg
Del på andre sider

Du kjøper naturligvis bare nye foringer, presser ut de gamle og bruker om igjen de gamle festene - nå med nye, kjernesunne foringer.

 

På girkassesida er det enkelt: Du skal ha foringa til festet som er avbildet på midten (ev. hele festet, om du føler for å bruker mer penger). Foran så har du festet som er avbilda øverst.

 

På regreimsida er jeg mer usikker, ettersom jeg alltid har tatt utgangspunkt i biler med 1,5L og har brukt det jeg tilfeldigvis har hatt tilgjengelig av deler. Jeg husker i alle fall fra sist at foringa til det høyre motorfestet hadde ulik diameter på 1,5L og 1,8 GTI. På de bilene jeg har tatt i hittil (1,5 forgasser og 1,6 GTI) har det alltid vært fester tilsvarende det man ser øverst på figuren til høyre. I alle fall har jeg ennå til gode å se noen annen motorfesteløsning. Men det er verdt å nevne at foringa jeg kjøpte som var til 1,8 høyre motorfeste ikke passet inn i motorfestet jeg hadde (fra 1,5).

 

Jeg har ikke noen som helst sjanse til å se hvilken posisjon de ulike festene har på tegninga.

 

Bak lønner det seg å gjøre som Morten; kjøpe feste til Golf Diesel. Eventuelt kjøpe poly. Spesielt om du har planer om å kjøre med grenrør (og ikke ønsker å bytte pakninga mellom grenrøret og eksosanlegget en gang i sesongen eller oftere).

 

har merka på tegninga de det er snakk om, hvis jeg har skjønt deg riktig

motorfeste.jpg

motorfeste girkasse.jpg

Del dette innlegget


Lenke til innlegg
Del på andre sider

Motorfestet på h/rammevang til 1,8 GTI'ene som jeg har og har skiftet så er den i midten på første bilder over her.

Ellers så stemmer det andre du har merket, som sitter i frontplata/bjelken.

Og på det andre bildet så er det det i midten du har satt pil på som sitter på girkassa.

Og nummer 25 er det bakre festet.

Del dette innlegget


Lenke til innlegg
Del på andre sider

Da hører du på Morten, som har førstehånds erfaring med DX-motor:).

Del dette innlegget


Lenke til innlegg
Del på andre sider



VACN 2018- Powered by Invision Community

Bli medlem
×

Viktig informasjon

Vi har plassert informasjonskapsler/cookies på din enhet for å kunne vise siden slik vi har utviklet den.
Godtar du ikke dette, må du avslutte bruken og forlate vårt nettsted, ellers vil VACN anta du aksepterer dette.