Kople fjernstyrt sentrallås inn på blinklys?

Anbefalte innlegg

Heisann! Har akkurat montert en fjernstyrt sentrallås på min Audi A6 C4 '97 mod.

 

Selve fjernstyringa av sentrallåsen fungerer. Men det gjenstår tre ting som jeg ikke har klart å finne ut hittil. Hvor og hvordan jeg skal kople til trunk release output, window roll up og parking light?

 

Har ikke planer om å slipe til nøkkelen og kode den selv, men hvis noen veit hvordan dette gjøres kan de godt legge til en kommentar eller to. :)

 

Fjernstyringa er av denne typen:

http://www.bsbildeler.no/butikk/visvare.aspx?vnr=SALK2318&vg=8789&vgpath=Varekategorier/65/8789

 

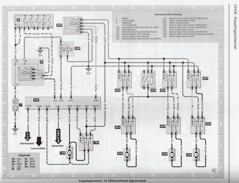
Laster opp koplingsskjemaer litt seinere.

Del dette innlegget


Lenke til innlegg
Del på andre sider

Er nok avhengig av koblings skjema for å kunne svare på dette.

Du må sikkert koble deg inn på releet til blink/nødblinkers for å få disse til å blinke.

Noen sentraler har innebygd rele. Andre bruker allerede eksisterende rele i bilen.

Som regel enklest å montere originalt utstyr, dog noe dyrere....

Del dette innlegget


Lenke til innlegg
Del på andre sider

Er nok avhengig av koblings skjema for å kunne svare på dette.

Du må sikkert koble deg inn på releet til blink/nødblinkers for å få disse til å blinke.

Noen sentraler har innebygd rele. Andre bruker allerede eksisterende rele i bilen.

Som regel enklest å montere originalt utstyr, dog noe dyrere....

koplingsskjema2.jpg

koplingsskjema1.jpg

fargediagram-for-kablingssystem-i-audi-a

koplingsskjema-for-vindusheis.jpg

koplingsskjema-for-utvendige-lys-del1.jp

koplingsskjema-for-utvendige-lys-del2.jp

koplingsskjema-for-sentrallas-og-radio.j

koplingsskjema-for-start-ladning-og-to-t

koplingsskjema-for-kupebelysning-oppvarm

Del dette innlegget


Lenke til innlegg
Del på andre sider

Litt større filer hadde hvert fint...

Del dette innlegget


Lenke til innlegg
Del på andre sider

Litt større filer hadde hvert fint...

Sånn, da var det ordna. Større får jeg dem ikke.

Del dette innlegget


Lenke til innlegg
Del på andre sider

For å låse opp bakluka, så må du lokalisere ledningen som går inn på låsen (rød og grønn farge) vet ikke hvor denne ligger, men i værste fall så legger du opp ledningen bakover i bilen.

For all del så ikke bruk billige strømtyver når du kobler dette. Finnes ikke noe mer irriterende enn elektrisk feil som dukke ropp om noen år grunnet dårlig koblimger. Ta deg heller god tid. Sett av en hel dag til dette. Så slipper du å bruke flere timer senere pga hastverksarbeid....

 

Hvorfor vil du koble på parklysene til denne? Bedre å koble tåkelysene så får du coming/leaving home funskjon?

Del dette innlegget


Lenke til innlegg
Del på andre sider

For å låse opp bakluka, så må du lokalisere ledningen som går inn på låsen (rød og grønn farge) vet ikke hvor denne ligger, men i værste fall så legger du opp ledningen bakover i bilen.

For all del så ikke bruk billige strømtyver når du kobler dette. Finnes ikke noe mer irriterende enn elektrisk feil som dukke ropp om noen år grunnet dårlig koblimger. Ta deg heller god tid. Sett av en hel dag til dette. Så slipper du å bruke flere timer senere pga hastverksarbeid....

 

Hvorfor vil du koble på parklysene til denne? Bedre å koble tåkelysene så får du coming/leaving home funskjon?

 

Fant den rødgrønne ledningen som trunk release ledningen skulle koples til, men det funker ikke å kople den til.. Trur det er for tidlig i kretsen siden den rødgrønne ledningen er før styringsenheten/vakuumpumpa. Gikk videre og kopla inn på hvit/gul ledning og deretter på hvit/svart ledning. Dette fungerte heller ikke.. Jeg er sikkert heelt på villspor, men mistenker at det er en annen ledning som styrer låsmekanismen, men jeg skjønner ikke hvor den kan være:s

Del dette innlegget


Lenke til innlegg
Del på andre sider

Etter å ha hatt denne fjernstyrte sentrallåsen en stund, begynte plutselig vinduene å gå halvveis ned når jeg trykker på åpneknappen, og opp igjen når jeg skal låse bilen. Virker som om det er noe relé som sørger for at åpne/låse strømpulsen blir for lang.

 

Noen som veit om et fjernstyrt sentrallåssystem som ikke påvirker vinduene?

Del dette innlegget


Lenke til innlegg
Del på andre sider



VACN 2018- Powered by Invision Community

Bli medlem
×

Viktig informasjon

Vi har plassert informasjonskapsler/cookies på din enhet for å kunne vise siden slik vi har utviklet den.
Godtar du ikke dette, må du avslutte bruken og forlate vårt nettsted, ellers vil VACN anta du aksepterer dette.