#1 Skrevet September 8, 2010 hei:) jeg plages med bremsene mine., det kommer en klakke/dunke lyd når jeg kjører over ujevnheter i veien men når jeg bremser over dumper og lignende så blir lyden borte det er montert ebc skiver og klosser:) hva kan være feilen her? det går ann å bevege calipperen opp og ned.. slik skal det nå vel ikke være? begynner å bli lei ulyder nå 0 Del dette innlegget Lenke til innlegg Del på andre sider Flere delingsalternativer...
#2 Skrevet September 8, 2010 Skal være en slags brakett på utsiden av kalipteren for å holde den sammen, manglet denne på min 1998 A6 2.4 Q, og dette resulterte i vesentlig ulyd på sånn halv-ujevn vei, helt forferdelig å høre på faktisk. "Braketten" eller hva jeg skal kalle det, koster 50,- på møller. Lyden forsvinner ja når man bremser, da er jo kalipteren i jobb. Håper dette er det du trenger. 0 Del dette innlegget Lenke til innlegg Del på andre sider Flere delingsalternativer...
#3 Skrevet September 9, 2010 Tror ikke det mangler noe: klø : kan det være klossene som ikke er helt likens som orginalklossene? eller er det fordi at calipperen er utslitt? byttet glidere og gummipakninger når jeg byttet klosser og skiver... 0 Del dette innlegget Lenke til innlegg Del på andre sider Flere delingsalternativer...
#4 Skrevet September 9, 2010 Slik du beskriver problemet ditt så er det akurat samme problem som jeg hadde, det mangler ganske sikkert denne "festebraketten" som skal presse kalipteren sammen, den ligger på utsiden, og kan sees uten å ta av dekket. Er bare å sammenligne de 4 kalipterne, så tror jeg nok du finner ut at noe mangler på den ene fremme 0 Del dette innlegget Lenke til innlegg Del på andre sider Flere delingsalternativer...
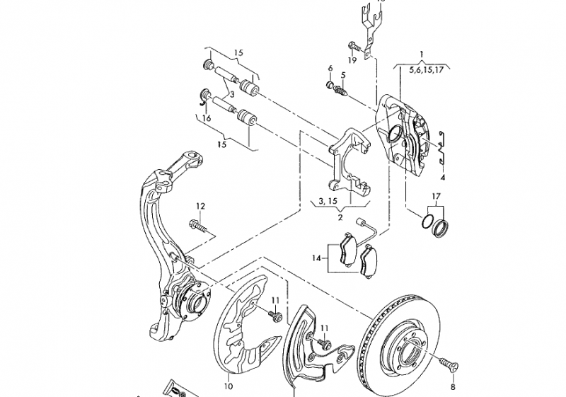
#5 Skrevet September 9, 2010 hmm noen som kan gå inn på etka å ordne et slikt bilde om hvordan det skal se ut reg nr er DK25211 gjelder begge calipperne framme 0 Del dette innlegget Lenke til innlegg Del på andre sider Flere delingsalternativer...
#6 Skrevet September 9, 2010 uten og vite motorkode. og slik, men går ut i fra at det er a6 du snakker om så fant jeg dette over frembremser på a6 2002mod 0 Del dette innlegget Lenke til innlegg Del på andre sider Flere delingsalternativer...
#7 Skrevet September 9, 2010 Det høres VELDIG ut som kalipperen din er løs, altså, den er rett og slett ikke skrudd særlig bra fast i klossebraketten. Sjekk bolter mellom karosseri og kalipper. Disse bør gjerne brukes locktite på, disse har falt ut for meg før. Det resulterer i en jævlig klunkelyd. 0 Del dette innlegget Lenke til innlegg Del på andre sider Flere delingsalternativer...
#8 Skrevet September 9, 2010 Braketten sitter fast det har jeg sjekket bilde til høyre er vel bilde av bremsene mine.. men tror ikke det mangler noe ganske simpelt system dette:) ingen som har vært borti lignende? kan det være slikt pga dårlig passform på bremseklossene? 0 Del dette innlegget Lenke til innlegg Del på andre sider Flere delingsalternativer...
#9 Skrevet September 11, 2010 Vel, om du kan bevege calipperen så er det noe gale, den skal nemlig sitte dønn fast. 0 Del dette innlegget Lenke til innlegg Del på andre sider Flere delingsalternativer...