noen med ETKA som kan finne delenr?

Anbefalte innlegg

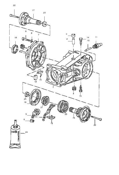
har en audi 90 quattro 87 mod(b3) som jeg skulle hatt delenr til "gummimansjetten" som sitter på sjaltegaffel til sperra på diffen.

noen som fikser biffen?:) klarte å hive denne på ett mystisk vis:(

 

Mvh Geir

Del dette innlegget


Lenke til innlegg
Del på andre sider

har en audi 90 quattro 87 mod(b3) som jeg skulle hatt delenr til "gummimansjetten" som sitter på sjaltegaffel til sperra på diffen.

noen som fikser biffen?:) klarte å hive denne på ett mystisk vis:(

 

Mvh Geir

 

Lag deg brukernavn på vag cat så har du bibelen over alt du har nett.

 

 

 

Del nr 5 ? har nr 017525075A

 

049100.png

Del dette innlegget


Lenke til innlegg
Del på andre sider

takk for tips,det skal jeg gjøre.

 

det stemmer nok med del nr 5 ja,takk!

Del dette innlegget


Lenke til innlegg
Del på andre sider

Jeg har en ukomplett S4 diff til overs, du kan få denne gummidingsen (eller hele diffen) gratis av meg hvis du ikke haster.

Del dette innlegget


Lenke til innlegg
Del på andre sider



VACN 2018- Powered by Invision Community

Bli medlem
×

Viktig informasjon

Vi har plassert informasjonskapsler/cookies på din enhet for å kunne vise siden slik vi har utviklet den.
Godtar du ikke dette, må du avslutte bruken og forlate vårt nettsted, ellers vil VACN anta du aksepterer dette.