Bakre foring på bærebro golf 2

Anbefalte innlegg

Hei. Har kjøpt nye bærebruer til golfen min, og monterte de på bilen her om dagen. Men da viste det seg at den bolten som skal gå gjennom den bakre foringen ikke sitter fast i selve foringen. Bolten er M12, men det er masse slakk i selve foringen. Har ikke målt, men vil tippe foringen har en diameter på en 14-15mm. Så jeg sjekket litt på Vag-cat, og fant ut at det skulle være en hylse der. Fikk bestilt hylsen, men den er jo bare 0,5mm tykk, så det er fremdeles veldig mye slark på bolten gjennom foringen.

 

Så mitt spørsmål er da: Skal det være slark på denne bolten gjennom den bakre foringen på bærebruen?

 

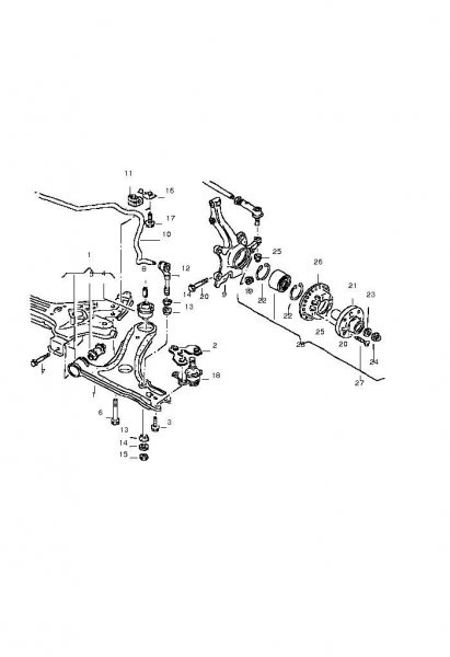
Foringen er nr 4 på bilde, og hylsen nr 8. Hylsen er bestilt originalt på møller

 

097100.jpg

Del dette innlegget


Lenke til innlegg
Del på andre sider

Det skal være slakk rundt bolten, men det er meget viktig at hylsa går gjennom traversen på begge sider slik at foringen ikke kan bevege seg. De foringene er ofte et helvete å montere. Jeg selv valgte å kaste foringene og slo inn et rør med samme ytterdiameter som foringen med 1,5 til 2mm gods.

Del dette innlegget


Lenke til innlegg
Del på andre sider

Så hylsa er lengre en selve foringen altså? Da skjønner jeg litt mer. Har ikke prøvd å montere de enda da jeg hele tiden har trodd at det har vert noe feil ett sted! ;)

 

Mange takk for tipset.

Del dette innlegget


Lenke til innlegg
Del på andre sider



VACN 2018- Powered by Invision Community

Bli medlem
×

Viktig informasjon

Vi har plassert informasjonskapsler/cookies på din enhet for å kunne vise siden slik vi har utviklet den.
Godtar du ikke dette, må du avslutte bruken og forlate vårt nettsted, ellers vil VACN anta du aksepterer dette.