skål på bakdemper golf III variant.

Anbefalte innlegg

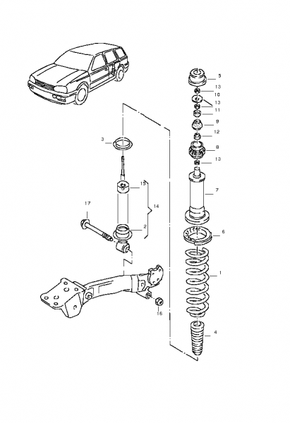
neon som har en sprengskisse av bakdemper på en golf 3 variant?lurer fælt på delenr evnt hvor jeg kan skaffe de "skålene" som skal tres nedover demperen,de er under bilen,altså ikke de på topp inni bilen,men de er noen store metallskåler av no slag:p

Del dette innlegget


Lenke til innlegg
Del på andre sider

2 1H9512103

 

spring disc

lower /

3 1H9512109

 

base

/

4 1H9512131

 

stop buffer

H=156MM /

5 191512135

 

protective cap

/

6 1H9512149D

 

buffer block

upper /

7 1H9512151B

 

protective pipe

/

8 191512333

 

bearing ring

lower /

9 191512335

 

bearing ring

upper /

10 191512337

 

concave washer

/

11 191512339

 

pressure washer

/

12 191512340

 

support washer

/

13 N 10328602

 

hexagonal nut

M10X1 /

(14) 1H9513031S

 

shock absorber

/

(14) 1H9513031T

 

 

 

shock absorber / for models with heavy duty suspension

/

(14) 1H9513031T

 

shock absorber

/ ADAC

511150.png

Del dette innlegget


Lenke til innlegg
Del på andre sider



VACN 2018- Powered by Invision Community

Bli medlem
×

Viktig informasjon

Vi har plassert informasjonskapsler/cookies på din enhet for å kunne vise siden slik vi har utviklet den.
Godtar du ikke dette, må du avslutte bruken og forlate vårt nettsted, ellers vil VACN anta du aksepterer dette.