#1 Skrevet Februar 11, 2011 skal snart begynne og sette inn min g60 T 1.8l, 89 - 91 mod. trenger da wiring diagram osv for å få denne tilpasset i min golf 1 90 mod med en 1.8l. har prøvd og søke rundt, og de linkene jeg har funnet er "utgått" : / må jo tilpasse denne i sikringsboksen ect så hadde vært fint med noen tips, kommentarer osv : ) på forhånd takk : ) 0 Del dette innlegget Lenke til innlegg Del på andre sider Flere delingsalternativer...
#2 Skrevet Februar 11, 2011 Sjekk ut http://www.volkswagen.msk.ru Russisk side vel og merke,men mange gode manualer i pdf format(også på engelsk). Er du en kløpper i russisk,så er denne siden for deg Eller,du kan bruke google translate 0 Del dette innlegget Lenke til innlegg Del på andre sider Flere delingsalternativer...
#3 Skrevet Februar 11, 2011 takk : ) da blir det nok translate på meg xP men hadde jo vært deilig hvis noen hadde hatt noen direkte linker : ) jeg får gå inn og se om jeg finner noe : ) 0 Del dette innlegget Lenke til innlegg Del på andre sider Flere delingsalternativer...
#4 Skrevet Februar 12, 2011 ingen som har noe pdf filer eller tips? 0 Del dette innlegget Lenke til innlegg Del på andre sider Flere delingsalternativer...
#5 Skrevet Februar 12, 2011 Fant ikke du noe der? Er det 2H motoren du har i caben,med Digifant? 0 Del dette innlegget Lenke til innlegg Del på andre sider Flere delingsalternativer...
#6 Skrevet Februar 12, 2011 Har du sjekket denne tråden?` http://forum.vwaudi-club.no/showthread.php?t=105698 Er det CE2 i bilen din? I så fall det jo bare å plugge inn et G60 motornett rett i sikringsboksen. Ikke noe man trenger skjema for. Bare ta kontakt om det er noe spesifikt du lurer på. Har satt inn tilsvarende motor i CE2 biler før;) Her er direktelink til Corrado 91 mod. Den er levert med PG motor: http://volkswagen.msk.ru/electro/corr91.zip 0 Del dette innlegget Lenke til innlegg Del på andre sider Flere delingsalternativer...
#7 Skrevet Februar 14, 2011 takk for bra info : ) jeg er faktisk usikker på om det er CE2 i bilen min eller 2H.. : / åssen finner jeg ut av dette? 0 Del dette innlegget Lenke til innlegg Del på andre sider Flere delingsalternativer...
#8 Skrevet Februar 14, 2011 takk for bra info : ) jeg er faktisk usikker på om det er CE2 i bilen min eller 2H.. : / åssen finner jeg ut av dette? Er det elektronisk innsprøytning på denne? 98 hk? 0 Del dette innlegget Lenke til innlegg Del på andre sider Flere delingsalternativer...
#9 Skrevet Februar 14, 2011 usikker.. jeg skrev reg nr mitt på mekonomen.no SR96691.. Karosserikode: 155 Motorkode: 2H Motoreffekt: 72 hva må jeg evt. gjøre med koblinger for å få g60 motoren inn? 0 Del dette innlegget Lenke til innlegg Del på andre sider Flere delingsalternativer...
#10 Skrevet Februar 15, 2011 er det 4 - 5 kabler det er snakk om og koble til i sikringsboksen, eller er det en hel del masse styr? 0 Del dette innlegget Lenke til innlegg Del på andre sider Flere delingsalternativer...
#11 Skrevet Februar 15, 2011 0 Del dette innlegget Lenke til innlegg Del på andre sider Flere delingsalternativer...
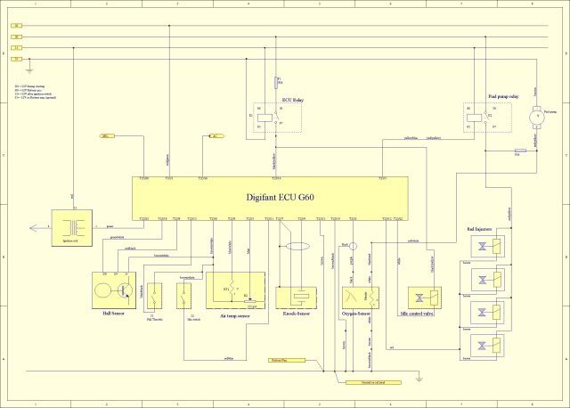
#12 Skrevet Februar 15, 2011 http://www.a2resource.com/electrical/management/digifant2.html Og en tråd på Vortex om hva du skal gjøre: http://forums.vwvortex.com/showthread.php?429939 0 Del dette innlegget Lenke til innlegg Del på andre sider Flere delingsalternativer...
#13 Skrevet Februar 15, 2011 er det 4 - 5 kabler det er snakk om og koble til i sikringsboksen, eller er det en hel del masse styr? Hvis du har komplett ledningsnett til G60 motoren er det snakk om 4-5 plugger bak på sikringsboksen. Forutsatt at ledningsnettet sitter (riktig) koblet på motoren;) 0 Del dette innlegget Lenke til innlegg Del på andre sider Flere delingsalternativer...
#14 Skrevet Februar 16, 2011 altså jeg har hele ledningsnettet ifra min digifant 1 hjerne og til g60 motoren.. kan ta bildet til helga.. kanskje et dumt spm men går det da kabler ifra selve "hjernen" og ned til sikringsboksen? : P takk for supre linker og info forresten : ) 0 Del dette innlegget Lenke til innlegg Del på andre sider Flere delingsalternativer...
#15 Skrevet Februar 19, 2011 jeg bumper denne. et sted man kan se hvor alt av ledningsnettet skal kobles rundt omkring på motoren / girkasse? 0 Del dette innlegget Lenke til innlegg Del på andre sider Flere delingsalternativer...
#16 Skrevet Mars 22, 2011 bumpibjørn 0 Del dette innlegget Lenke til innlegg Del på andre sider Flere delingsalternativer...