#1 Skrevet Februar 20, 2011 Hvordan demonterer man master sylinderen fra clutch pedalen? Går jo et stag til pedalen som sitter med en plast dings som sitter inni en brakett på pedalen. Får den ikke av. Gjelder passat 88-96 mod 0 Del dette innlegget Lenke til innlegg Del på andre sider Flere delingsalternativer...
#2 Skrevet Februar 20, 2011 ingen som vet dette? 0 Del dette innlegget Lenke til innlegg Del på andre sider Flere delingsalternativer...
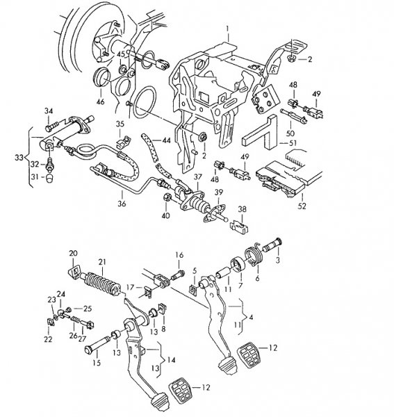
#3 Skrevet Februar 20, 2011 på passaten jeg tok pedalstellet fra da jeg bygde om golfen så var et bare en gjennomgående bolt med ett låseblikk på dette var jo da manuell kasse. regner med din er automat. og da har jeg NADA peil men her er det ett bilde fra etka 0 Del dette innlegget Lenke til innlegg Del på andre sider Flere delingsalternativer...
#4 Skrevet Februar 20, 2011 hvorfor leste jeg bremse? vent litt så skal du få clutch isteden 0 Del dette innlegget Lenke til innlegg Del på andre sider Flere delingsalternativer...
#5 Skrevet Februar 20, 2011 samme greia der forresten, du må av med ett låseblikk 0 Del dette innlegget Lenke til innlegg Del på andre sider Flere delingsalternativer...
#6 Skrevet Februar 20, 2011 Takk for bildet, men staget fra master pumpa på denne har ei kule som sitter inni en plast dings som igjen sitter inne i en brakket som sitter på clutch pedalen. Ser ut som den plast dingsen som sitter rundt kula er klipset fast inne i braketten på pedalen. Denne får jeg ikke ut. Gjelder en 95 mod passat forøvrig. 0 Del dette innlegget Lenke til innlegg Del på andre sider Flere delingsalternativer...
#7 Skrevet Februar 20, 2011 (endret) nåååå da? 0 Del dette innlegget Lenke til innlegg Del på andre sider Flere delingsalternativer...
#8 Skrevet Februar 20, 2011 Du må finne fram supermusklene å dra. dette gjorde eg selv så blodet spruta (mye kvasse ting under rattstammen) 0 Del dette innlegget Lenke til innlegg Del på andre sider Flere delingsalternativer...
#9 Skrevet Februar 21, 2011 Du må finne fram supermusklene å dra. dette gjorde eg selv så blodet spruta (mye kvasse ting under rattstammen) ok, får prøve det, redd for å ødelegge masterpumpa eneste. 0 Del dette innlegget Lenke til innlegg Del på andre sider Flere delingsalternativer...
#10 Skrevet Februar 21, 2011 Med mare makt gikk det greit, så nå er pedalstell, masterpumpe med brakett og giroverføring i boks:) 0 Del dette innlegget Lenke til innlegg Del på andre sider Flere delingsalternativer...
#11 Skrevet Februar 21, 2011 good btw, trudde jeg la inn bilde i siste posten jeg, men kom vist ikke med men er der nå da. til andres referenase om dette trengs 0 Del dette innlegget Lenke til innlegg Del på andre sider Flere delingsalternativer...
#12 Skrevet Februar 21, 2011 Skal egentlig bruke ei spesiell tang der til å klemme sammen braketten som sitter klipsa fast i pedalen, og dra den ut. 0 Del dette innlegget Lenke til innlegg Del på andre sider Flere delingsalternativer...
#13 Skrevet Februar 21, 2011 Skal egentlig bruke ei spesiell tang der til å klemme sammen braketten som sitter klipsa fast i pedalen, og dra den ut. ok. Ja, får må kjøpe et nytt klips. Ikke så godt å se hvordan dette satt under der, da det var trangt og jeg lå på hue delvis inne i bilen og delvis i 1 meter snø på utsiden av bilen.. 0 Del dette innlegget Lenke til innlegg Del på andre sider Flere delingsalternativer...