#1 Skrevet April 3, 2011 (endret) Hey, Hjelper en bekjent med å skaffe noen deler til en 85mod urquattro. Og han er på utkikk etter "et stag som går inn i hovedsylinder, i noe forbindelse med gasspedal". Jeg er ingen mekaniker overhodet, så lurte på om det var noen her inne som hadde et navn på denne dingsbomsen? Etter å ha snakket med han litt mer fikk jeg en litt bedre beskrivelse: "Hvis du demonterer hovedsylinderen fra denne trykkakkumulatoren som igjen står fast i torpedoveggen ser du et slags stag som er ca.10 cm langt og ca like tykt som en blyant som sitter i senter inne i trykkakkumulatoren.Denne går da inn i hovedsylinderen når du tråkker på bremsepedalen og skaper bremsetrykk på hjula." 0 Del dette innlegget Lenke til innlegg Del på andre sider Flere delingsalternativer...
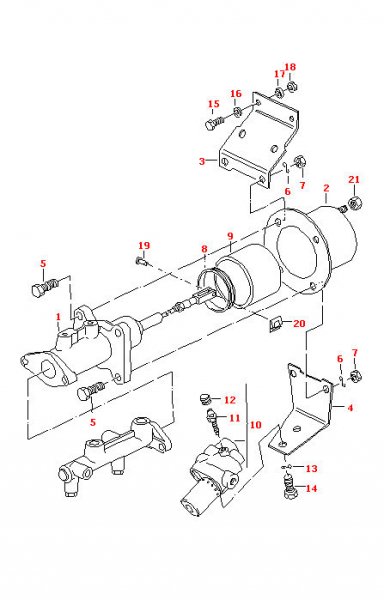
#2 Skrevet April 3, 2011 Se om noe av dette kan være det han mener 0 Del dette innlegget Lenke til innlegg Del på andre sider Flere delingsalternativer...
#3 Skrevet April 3, 2011 Sikkert staget som sitter på bremsekraftforsterkeren han tenker på: 0 Del dette innlegget Lenke til innlegg Del på andre sider Flere delingsalternativer...
#4 Skrevet April 3, 2011 Hei, Takk for svar, da skal jeg høre med han igjen! 0 Del dette innlegget Lenke til innlegg Del på andre sider Flere delingsalternativer...
#5 Skrevet April 4, 2011 Det viser seg og være del nr1 på bilde nr2 fra Chris. Hvor er det lettest/billigst å skaffe slikt tro? 0 Del dette innlegget Lenke til innlegg Del på andre sider Flere delingsalternativer...
#6 Skrevet April 4, 2011 Det er selve bremsekraftforsterkeren og har delenummer 857612107, laget av ATE Du kan få kjøpt et rep.kit til de Guiden finner du her http://www.quattro.ca/Urq/Brake_servo_guide.pdf 0 Del dette innlegget Lenke til innlegg Del på andre sider Flere delingsalternativer...
#7 Skrevet April 4, 2011 Tusen hjertelig takk skal du ha! :-) 0 Del dette innlegget Lenke til innlegg Del på andre sider Flere delingsalternativer...
#8 Skrevet April 4, 2011 Ikke noe problem, det er det vi er her for 0 Del dette innlegget Lenke til innlegg Del på andre sider Flere delingsalternativer...