#1 Skrevet April 7, 2011 Hei. Var oppe for å bytte en kobling på en bremseslange som ikke var blitt laget riktig så den lakk litt. Etter jeg hadde fått laget ny og luftet bremsene så begynte problemet. Bremsepedalen er helt myk. Ingen motstand nesten i det hele tatt. Luftet en gang til. Ble ikke mye bedre. Nå blir pedalen hard etter litt pumping, men når jeg starter bilen så er den helt myk igjenn. Hvis jeg pumper fort så kommer det noe trykk på den men pedalen siger inn igjenn. Er det hovedsylinderen som da er gåen? Jeg har ABS bremser. Må hele driten byttes da? Hvordan får man den ut? Bremskraft forsterkeren er den hydraulisk med akumulator på disse bilene når de har abs? Kan det være denne som er gåen? 0 Del dette innlegget Lenke til innlegg Del på andre sider Flere delingsalternativer...
#2 Skrevet April 7, 2011 Det sitter en elektrisk pumpe på ABS enheten. Den skal skal starte når du skrur på tenninga, og bygge opp et visst trykk så stoppe igjen hvis bremsesystemet ditt er tett. Denne pumpen er egentlig nok til å lufte systemet alene. Hvis ikke den starter så kan du nok begynne med å se etter defekte sikringer. Pumpen kan også byttes uten hele ABS enheten hvis det skulle være nødvendig;) 0 Del dette innlegget Lenke til innlegg Del på andre sider Flere delingsalternativer...
#3 Skrevet April 7, 2011 Hmm... Hvilket trykk er det den skal bygge opp? Til bremsekraften eller til og drive selve ABSen? Når motor sviver, og jeg pumper pedalen og får opp litt trykk, så siger som sagt pedalen inn mot gulvet. Da kjenner jeg en vibrasjon i pedalen. Akkuratt som om det er en motor som sviver... Noen andre som har vert borti dette? 0 Del dette innlegget Lenke til innlegg Del på andre sider Flere delingsalternativer...
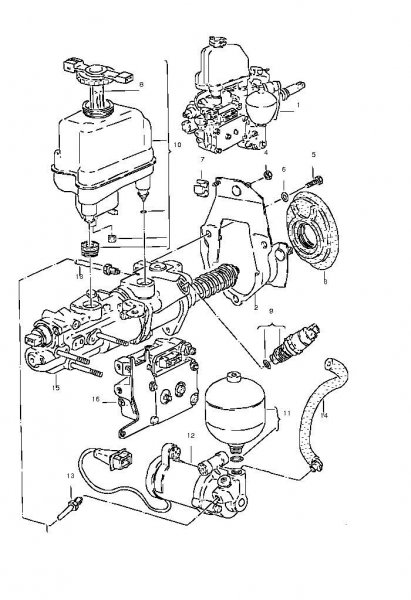
#4 Skrevet April 8, 2011 Vert og prøvd litt mer og det kan se ut som om det er noe tull med bremsekraften. Når motor stopper så kan jeg pumpe pedalen helt i bunn noen ganger, men så kommer den seg og virker ut som den er helt fin. Den holder seg sånn og. Så jeg startet motor igjenn. Pedalen rett i bunn. Koblet så av strømmen på pumpen til abs enheten eller hva det er. Er nummer 12 på bildet under. Motor med den beholderen over. Er vel denne som generer og holder på bremsekraften. Når jeg koblet fra strømmen på denne så skjer akkuratt det samme som om jeg skulle stoppet motor. Pumper en del ganger og så kommer pedalen tilbake til normalen igjenn. Men uten ekstra bremsekraft. Så da er det store sprøsmålet. Kan det være denne abs pumpen som ikke fungerer som den skal? Eller kan det være luft i dette systemet? Finner ingen lur måte og lufte på... Det skal og sies at min abs enhet ikke er 100% lik den som er på bildet. Jeg mangler den trykkføleren (nr 9) og selve abs pumpen ser ikke helt lik ut. Ellers ser det veldig likt ut 0 Del dette innlegget Lenke til innlegg Del på andre sider Flere delingsalternativer...
#5 Skrevet April 8, 2011 Kom på en ting. Denne saken som lager bremsetrykket, henter den væske fra bremseveske beholdderen eller fra servobeholderen? 0 Del dette innlegget Lenke til innlegg Del på andre sider Flere delingsalternativer...
#6 Skrevet April 8, 2011 bremsevæske ja lager et jævlig til trykk gjør den og vil tro du har luft i systemet jeg 0 Del dette innlegget Lenke til innlegg Del på andre sider Flere delingsalternativer...
#7 Skrevet April 8, 2011 Da skjønner jeg ikke hvor luften kommer fra. Har luftet bra flerne ganger. Hvis bilen står i ro en stund så kjennes bremsene veldig bra ut. Kjennes ikke ut som det er anntydning til luft. Syns og det er rart at bremsene virker å være bra når jeg kobler ut denne pumpen! 0 Del dette innlegget Lenke til innlegg Del på andre sider Flere delingsalternativer...
#8 Skrevet April 8, 2011 var det bak du bytta bremseslange? 0 Del dette innlegget Lenke til innlegg Del på andre sider Flere delingsalternativer...
#9 Skrevet April 8, 2011 Koblingen på bremserørert som går bak og inn på den Y splitten lakk. Så jeg laget en ny der. Var etter det problemene begynte. Etter jeg hadde montert sammen igjenn så luftet jeg hele systemet. Lufter ved å sette trykk på bremseveskebeholderen. Nå skal det sies at jeg glemte og ta av trykket når jeg startet bilen etter jeg var ferdig og lufte. Men trodde ikke det skulle ha noe og si. Trykket kom fra ett dekk og der var MAKS 2 bar i dekket. Jeg har jo byttet alt av slanger og rør før dette skjedde, og da fikk jeg luftet bremsene helt fint. Da var systemet helt tomt for væske... 0 Del dette innlegget Lenke til innlegg Del på andre sider Flere delingsalternativer...
#10 Skrevet April 9, 2011 ah. for å lufte bakre krets på denne type abs så gjør du følgende: åpne lastventil helt. la denne stå åpen, få en kompis til å trykke ned bremsa 2cm. slik at pumpa starter. derettter er det bare og åpne luftenippel bak, og da kommer det i strie strømmer husk at pumpa ikke bør gå i mer en ca minuttet, da den blir fort varm. bør vente litt imellom slagene relativt rett fram dette sånn egentlig 0 Del dette innlegget Lenke til innlegg Del på andre sider Flere delingsalternativer...
#11 Skrevet April 9, 2011 Hmm. Får prøve den måten og! 0 Del dette innlegget Lenke til innlegg Del på andre sider Flere delingsalternativer...
#12 Skrevet April 9, 2011 Pumpa skal starte med en gang du vrir om tenninga. hører det durer litt mens den bygger opp trykket. 0 Del dette innlegget Lenke til innlegg Del på andre sider Flere delingsalternativer...
#13 Skrevet April 10, 2011 Da har jeg vert og prøvd litt mer. Ser ut som den suger falsk luft en plass. Prøvde og lufte med metoden som ble beskrevet over her. Koblet slange på høyre bakhjul, åpnet og satte på tenningen. Pumpen startet og stoppet etter litt. SÅ startet den igjenn når trykke falt. Holdt på sånn en stund. Kjørte vel igjennom nesten en halve liter og det kom fremdeles luft. Så jeg regner med at det er problem med at den suger luft en plass. Noen som vet hvor jeg kan sjekke? Har skrudd ut hele ABS sentralen. 0 Del dette innlegget Lenke til innlegg Del på andre sider Flere delingsalternativer...
#14 Skrevet April 10, 2011 åpna du lastventilen bak da? er såppas med trykk i abs systemet at om den suger falskluft noen plass, så må det nesten lekke og 0 Del dette innlegget Lenke til innlegg Del på andre sider Flere delingsalternativer...
#15 Skrevet April 10, 2011 Åpna lasteventilen og. Har ikke sett noen lekasjer. Gått over alle koblingene og. Så det er ikke ut ifra pumpen, så det må være noe tull internt en plass. Blir gal! Er noe rart som skjer når jeg prøvde å lufte clutchen og. Der og kommer det luft inn en plass. Akkuratt som om den suer både bremseveske og luft fra reservoaret. 0 Del dette innlegget Lenke til innlegg Del på andre sider Flere delingsalternativer...
#16 Skrevet Mai 3, 2011 Hvor myk skal egentlig bremsepedalen være? Nå har jeg byttet til en ny abs pumpe, og problemet er nokså likt. Nå kommer det ikke luft når jeg lufter bremsene, men det skal ikke mye kraft til for å trø pedalen i bunn. Er noe hardere enn tidligere. Tror nesten jeg bare må få bilen ned på hjul og prøve og se hvordan bremsene er. Fikk og kun til og lufte bremsene bak ved hjelp av beskrevet metode ovenfor. Fremme måtte jeg pumpe pedalen og for å få ut bremseveske fra calipperen. Clutchen kjennes bra ut nå foresten! 0 Del dette innlegget Lenke til innlegg Del på andre sider Flere delingsalternativer...
#17 Skrevet Mai 3, 2011 med abs er pedalen relativt mjuk. inntil den stopper litt over halvveis 0 Del dette innlegget Lenke til innlegg Del på andre sider Flere delingsalternativer...
#18 Skrevet Mai 3, 2011 Min stopper ikke før den treffer gulvet kjennes det ut som. Kan og nevne at det står s2 calippere på. Det skal vel ikke ha noe og si? 0 Del dette innlegget Lenke til innlegg Del på andre sider Flere delingsalternativer...
#19 Skrevet Mai 3, 2011 kan være det jeg hadde abs på golfen før jeg fant ut at denna dritten gidd jeg ikke og pælma hele siten der var pedalen relativt mjuk, til litt over halvveis, da bråstoppa den. om man gjore dette mens man kjørte, så slo abs'n ut de gangene den fungerte som den skulle jeg hadde da passat G60 abs enhet, samt standard G60 bremser forran og bak i mine øyne så er systemet for gammelt blitt, vanskelig og få til å funke om noe går galt men har du prøvd og kjøre bilen? tar bremsene normalt? S2 caliperene bruker vel Girling G60 calipere. er vel 2 stempler, men er stempel arealet veldig mye større enn standard G60? 0 Del dette innlegget Lenke til innlegg Del på andre sider Flere delingsalternativer...
#20 Skrevet Mai 3, 2011 Girling 60 calippere ja. 2 stemplet. Er noe større en original ja, men ikke mye tror jeg. Har ikke prøvd å kjøre bilen enda. Skal teste det i morgen tenkte jeg. Hvis jeg rekker det! 0 Del dette innlegget Lenke til innlegg Del på andre sider Flere delingsalternativer...
#21 Skrevet Mai 3, 2011 gjør det siden abs på disse er så elektrisk drivd som de er, så er det best og prøve, min var jo som sagt slik, mjuk til litt over halvveis. men ved kjøring så var pedalen relativt normal pga trykket pumpa gir good luck 0 Del dette innlegget Lenke til innlegg Del på andre sider Flere delingsalternativer...
#22 Skrevet Mai 4, 2011 Da har jeg vert og kjørt bittelitt, og jeg har hvertfall bremser. De kjennes noe rare, men de bremser bra. Hadde ikke tid til en lang test tur, og bilen gikk ikke skikkelig så det ble med den turen. Får teste mer senere. Men det kan se ut som ABSen ikke liker S2 calippere! 0 Del dette innlegget Lenke til innlegg Del på andre sider Flere delingsalternativer...
#23 Skrevet Mai 4, 2011 kan nok bli for mye væske som må til kontra hva den klarer og levere leste på tråden din at du slit med clutch, har du bytta clutch på'n? lufte clutch gjorde jeg på følgende måte kjøpte en oljekanne fra biltema. lagde meg slange fra denne og ned til slave syl på girkassa. og lufta oppover (luft har en trang til å ville gå oppover) dette fungerte knall for meg 0 Del dette innlegget Lenke til innlegg Del på andre sider Flere delingsalternativer...
#24 Skrevet Mai 5, 2011 Da var clutchen luftet på ny. Med slange mellom venstre fremre calipper og slaven, åpnet begge ventiler, holdt clutchen inne (den holder seg inne av seg selv) og pumpet med bremsepedalen en hel del ganger. Holdt begge pedalene inne og lukket begge nippler. Så nå funker clutchen superb! Men tror du ikke jeg greide å sette på den ene indre bremseklossen fremme på feil vei! Fantastisk. Smelte bremsene i bånn og den låser hjulene. Så bremsene er fine. Men jeg har ingen ABS funksjon. Har tatt ut de to senorene bak. Må jeg bytte de da? Har hørt noen har slitt med at de ikke virker etter at de er blitt fjernet... 0 Del dette innlegget Lenke til innlegg Del på andre sider Flere delingsalternativer...
#25 Skrevet Mai 5, 2011 ABS sensorene overlever sjeldent et bytte.. Dumt igrunn da de er veldig dyre.. 0 Del dette innlegget Lenke til innlegg Del på andre sider Flere delingsalternativer...