#1 Skrevet Mars 16, 2005 Hei, Fruen er i GOKK med bilen og null clutch. Hun sier at det ikke går å gire annet enn med motoren avslått, så da er det vel full kobling hele tiden tenker jeg. Hun kan trykke pedalen inn men den kommer ikke ut igjen. Da mistenker jeg pumpen.. Er jo en "giver" pumpe bak pedalen som føder en "motaker" pumpe ved clutchen. Men det er jo en slange som går opp til bremseveske beholderen!! Går dette systemet på bremseveske det da? Kan dette være fordi det er for lite bremseveske eller at den slangen har hoppet av eller er lekk? I værste fall så er vel en av pumpene defekt..! Noen som har erfaring/tips med dette som kan hjelpe før jeg får tatt en titt på bilen? Bilen er en 87 Audi 80 1.8E.. 0 Del dette innlegget Lenke til innlegg Del på andre sider Flere delingsalternativer...
#2 Skrevet Mars 16, 2005 Går på bremse veske detta systemet ja... Er nok slave eller master sylinderen som er gåen.. Billig morro Mulig også slangen mellom slave og master som er gåen, men mest sannsynlig gåen sylinder. 0 Del dette innlegget Lenke til innlegg Del på andre sider Flere delingsalternativer...
#3 Skrevet Mars 16, 2005 Står pedalen inne og hun må dra den ut med hånda? Jeg har vært borti det problemet en gang. Da var det staget mellom pedalen og stempelstanga på sylinderen som var knekt. Måtte ta den ut og sveise den. Det er noen justering til pedalen tror jeg 0 Del dette innlegget Lenke til innlegg Del på andre sider Flere delingsalternativer...
#4 Skrevet Mars 16, 2005 Akkurat fått bilen hjem nå, skal ut å sjekke nå.. Pedalen står helt inne ja og må tas ut igjen for hånd... 0 Del dette innlegget Lenke til innlegg Del på andre sider Flere delingsalternativer...
#5 Skrevet Mars 16, 2005 Akkurat fått bilen hjem nå, skal ut å sjekke nå.. Pedalen står helt inne ja og må tas ut igjen for hånd...Hadde samme problemet med min '89 Audi 100. På den var faktisk bare å "pumpe" pedalen ut og inn 30-40 ganger med hånda (med motoren av), så var den i gang igjen 0 Del dette innlegget Lenke til innlegg Del på andre sider Flere delingsalternativer...
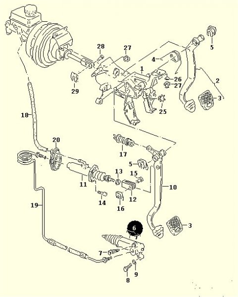
#6 Skrevet Mars 16, 2005 Da er feilen funnet, det var den "stanga" som kommer ut av pumpa og går til pedalen som er knekt som Morten her sa. Må ut med pumpa for evt. å sveise den så da tror jeg at det er like godt å bytte pumpa og. Var litt svetting rundt så jeg.. Har en her i Bergen som har en fra RS2, litt annet delenummer men tror den er fysisk lik.. Noen som har peil?? Kraftigere kanskje, siden clutchen på RS2 sikkert er en del strammere?? 0 Del dette innlegget Lenke til innlegg Del på andre sider Flere delingsalternativer...
#7 Skrevet Mars 16, 2005 Det var på en s4 jeg hadde det problemet. Ikke noe spes. sterkere på den vil jeg tro... Det er hvertfall trangt oppunder pedalene der kan jeg fortelle deg. Hvis ikke jeg husker helt feil så er det noe plast på leddet på stanga, så du må være forsiktig med temperaturen hvis du skal sveise. Samt ta mål av hvor langt ute gaffelfeste er skrudd slik at det blir riktig når det skal sammen igjen 0 Del dette innlegget Lenke til innlegg Del på andre sider Flere delingsalternativer...
#8 Skrevet Mars 18, 2005 Da er bilen igang igjen med RS2 deler Kan jo selge den som ombygd til RS2 nå.. Den gamle pumpen var nok defekt i tillegg til at den knakk, var hakkete og ujevn i forhold til den andre... RS2 pumpa passet fint og fungerer ypperlig... Ble en mye bedre clutch faktisk, kjennes også ut som pedalen ble lettere. Eneste forskjell jeg så fysisk på de var at akslingen ut fra pumpen var tykkere på RS2 sin, og en litt annen "gaffel" mot pedalen. Var nok ikke dumt å få luftet clutch systemet heller, var en svart guggemeie som sprutet ut lufteskruen ja.. Kjøpte en syk smart bremselufter på Cd-Cardic som jeg brukte, en kork som passet rett på veskebeholderen og i andre enden en ventil til å skru rett på dekket. da sto det trykk på systemet og bare å lufte i vei.... Kanon enkelt og smart... Annbefales Takker til Kenneth Olsen for kjapp delehjelp.. 0 Del dette innlegget Lenke til innlegg Del på andre sider Flere delingsalternativer...
#9 Skrevet Mars 18, 2005 Supert Øystein! da gikk dette bra til slutt. Glder meg til å se RS2 din neste treff hihi. 0 Del dette innlegget Lenke til innlegg Del på andre sider Flere delingsalternativer...