Finne delenummer på "strammeskrue" -servoreim?

Anbefalte innlegg

Noen som klarer og Finne delenummer på "strammeskrue" -servoreim?

 

Strammeskrue til dynamoreim.

 

Audi 100, 1990 modell. 2,3 l.

 

Det er altså selve skruen/bolten jeg trenger, alt av fester o.l er inntakt..

Del dette innlegget


Lenke til innlegg
Del på andre sider

Noen som klarer og Finne delenummer på "strammeskrue" -servoreim?

 

Strammeskrue til dynamoreim.

 

Audi 100, 1990 modell. 2,3 l.

 

Det er altså selve skruen/bolten jeg trenger, alt av fester o.l er inntakt..

 

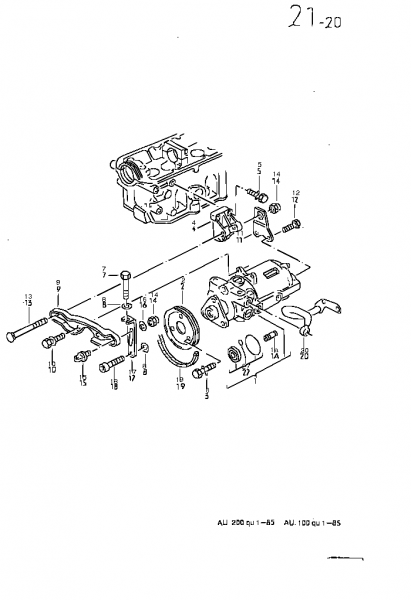
er den her å finne?

 

 

 

021200.png

Del dette innlegget


Lenke til innlegg
Del på andre sider

Vet ikke helt hvordan jeg kan forklare, ser ikke så lett numrene på bildet på telefonen.

 

Det er den eneste skruen på bildet som går rett opp og ned.. Om du skjønner? :P

Kan se ut som det står "r" el.l. Ved siden av den..

Del dette innlegget


Lenke til innlegg
Del på andre sider

Det er da nr 7 som står vertikalt.

 

delenr N 0102741 M8 x75mm

Del dette innlegget


Lenke til innlegg
Del på andre sider

Takk skal du ha! Da er det bare og ringe møller i morgen tidlig :)

Del dette innlegget


Lenke til innlegg
Del på andre sider



VACN 2018- Powered by Invision Community

Bli medlem
×

Viktig informasjon

Vi har plassert informasjonskapsler/cookies på din enhet for å kunne vise siden slik vi har utviklet den.
Godtar du ikke dette, må du avslutte bruken og forlate vårt nettsted, ellers vil VACN anta du aksepterer dette.