#1 Skrevet Mars 18, 2012 Holder på og montere ekstra lys på en bil jeg har. Det blir 4 arbeidslys på taket. Har delt opp så jeg kan skru på en og en side av gangen. Og en bryter på alle fire. Også var planen og fikse en enkel " coming home leaving home " funksjon. Har satt inn en trykkbryter og montert lysforsinkeren til Biltema. Den er koblet in på styre strømmen til releet. Men når jeg trykker på bryteren så lyser det kun når jeg holder inne bryteren. Ikke 15 sec som jeg hadde håpet på skulle gjør! Så jeg lurte på om kansje jeg har gjort noe gale. Eller om det er noen her inne som kan komme med andre forslag på hvordan få 15-30 sec forsinking. Nok vag men moro bil;) 0 Del dette innlegget Lenke til innlegg Del på andre sider Flere delingsalternativer...
#2 Skrevet Mars 18, 2012 lysforsterkeren til biltema er veil beregna på interiørlys o.l, så det sitter bare en liten kondensator som du tømmer med en gang i den, må nokk ha flere av dem eller noe kraftigere om det skal funke 0 Del dette innlegget Lenke til innlegg Del på andre sider Flere delingsalternativer...
#3 Skrevet Mars 18, 2012 Eller så trenger lysforsinkeren motstanden i lyspæren for å fungere, den vil nok ikke greie å holde releet "på", selv om releet trekker lite strøm. Man finner vel alltids noe i bukta. Eksempel: http://www.ebay.com/itm/Auto-Style-Coming-Home-Lighting-Module-Car-Light-To-Illuminated-For-30-Secs-/200721861045?pt=UK_CarsParts_Vehicles_CarParts_SM&hash=item2ebbf489b5 0 Del dette innlegget Lenke til innlegg Del på andre sider Flere delingsalternativer...
#4 Skrevet Mars 18, 2012 Eller så trenger lysforsinkeren motstanden i lyspæren for å fungere, den vil nok ikke greie å holde releet "på", selv om releet trekker lite strøm. Man finner vel alltids noe i bukta. Eksempel: http://www.ebay.com/itm/Auto-Style-Coming-Home-Lighting-Module-Car-Light-To-Illuminated-For-30-Secs-/200721861045?pt=UK_CarsParts_Vehicles_CarParts_SM&hash=item2ebbf489b5 Der sa du noe. Skal gå ut og koble ei pære på den så den får motstand. Kan jo være så enkelt 0 Del dette innlegget Lenke til innlegg Del på andre sider Flere delingsalternativer...
#5 Skrevet Mars 18, 2012 Var ikke så enkelt 0 Del dette innlegget Lenke til innlegg Del på andre sider Flere delingsalternativer...
#6 Skrevet Mars 19, 2012 Forslag taes imot med stor takk 0 Del dette innlegget Lenke til innlegg Del på andre sider Flere delingsalternativer...
#7 Skrevet Mars 19, 2012 Hmm... Jeg brukte en "vanlig" lysforsinker som gløderele, på en gammel Oldsmobile. Koblet den bare mot ett standard lysrele, og siden spolen i dette trekker vesentlig mindre enn interiørlyset, sto det på i ca 20sek. Har du koblet det riktig? Jord på ene siden av spolen, og + på den andre, sammen med signal fra bryteren. 0 Del dette innlegget Lenke til innlegg Del på andre sider Flere delingsalternativer...
#8 Skrevet Mars 19, 2012 Trekk + fra interiørlyset gjennom en likeretter diode 0 Del dette innlegget Lenke til innlegg Del på andre sider Flere delingsalternativer...
#9 Skrevet Mars 19, 2012 Er jo slik jeg har koblet det. Så jeg tror nesten den forsinkeren jeg har er defekt. 0 Del dette innlegget Lenke til innlegg Del på andre sider Flere delingsalternativer...
#10 Skrevet Mars 19, 2012 Likeretter diode: klø : 0 Del dette innlegget Lenke til innlegg Del på andre sider Flere delingsalternativer...
#11 Skrevet Mars 22, 2012 Da styrer du lysene via interiørlysene (da uten biltema tingen) 0 Del dette innlegget Lenke til innlegg Del på andre sider Flere delingsalternativer...
#12 Skrevet Mars 22, 2012 Da styrer du lysene via interiørlysene (da uten biltema tingen) Har vært inne på tanken. Men siden det er 4 stk 20 watt ledd arbeidslys som står på taket så har jeg lyst og bestemme selv når de skal skru seg på trenger ikke flombelysning midt på dagen 0 Del dette innlegget Lenke til innlegg Del på andre sider Flere delingsalternativer...
#13 Skrevet Mars 22, 2012 Hva med å bruke en Arduino microcontroller? F.eks en Arduino Nano... Så trenger du kun et relè, resistorer og gjerne en LDR som kan sjekke "om det er mørkt nok ute" Microcontrolleren kan lese analoge og digitale signal fra hva som helst, f.eks fjernstyrt sentrallås e.l Bare et forslag.. 0 Del dette innlegget Lenke til innlegg Del på andre sider Flere delingsalternativer...
#14 Skrevet Mars 22, 2012 Lagde meg en egen comming home/Leaving home på Audi 80en jeg hadde for en del år siden. Fungerte veldig bra! Problemet med at det ikke skulle skru seg på på dagen "løste" jeg med en egen bryter for anlegget, men skulle jeg montert det nå hadde jeg nok brukt en lyssensor el. slik som originalt på nyere VAG. Lagde en write-up på dette på S2forum for en stund siden. Usikker på om du må være medlem for å se den? http://www.s2forum.com/forum/showthread.php?t=50264 Film: http://s216.photobucket.com/albums/cc94/husebyrs/Quattroen/?action=view¤t=MOV00016.mp4 0 Del dette innlegget Lenke til innlegg Del på andre sider Flere delingsalternativer...
#15 Skrevet Mars 23, 2012 (endret) Krets Linken over viser hvordan du kan løse problemet. Releet er bare et vanlig styrerele som man får kjøpt på biltema f.eks. Relé 42302 Du må bare bestemme deg for størrelsene på C1 og R1. Siden jeg ikke vet verdien Rspole, eller releets frafallspenning så kan jeg ikke regne ut hva du skal benytte. Men du kan prøve med en kondensator på 1000 microFahrad og et motstand med 10000 Ohm til å starte med. Hvis du måler releets spolemotstand og denne er mye lavere enn R1, så kan man forenkle og si at en dobling av R1 vil doble holdetiden til kretsen. Trykkbryteren er en Single Pole Double Throw bryter som egentlig bare er en trykkbryter som gir strøm til pinne A når den ikke er trykt inn, og strøm til pinne B når den er. Lykke til PS! på kretsen er ikke hovedbryteren for lysene vist. Denne kretsen vil være en parallell tilkobling på 12V siden, jordlederen er den samme. 12V spenningtilførselen må også være uavhengig av tenningen, man bør også legge inn en sikring. 0 Del dette innlegget Lenke til innlegg Del på andre sider Flere delingsalternativer...
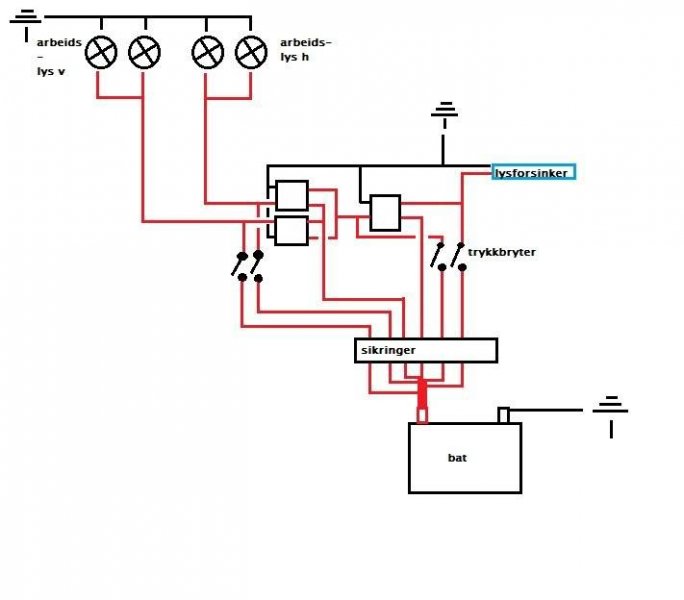
#16 Skrevet Mars 23, 2012 fint og se at det kommer mange gode forslag her litt innvikla til meg da men.. men men. her er slik jeg har koblet det nå. for meg så er det litt merkelig at det ikke skal fungere da. 0 Del dette innlegget Lenke til innlegg Del på andre sider Flere delingsalternativer...
#17 Skrevet Mars 23, 2012 Yes, det der burde virke fint. 0 Del dette innlegget Lenke til innlegg Del på andre sider Flere delingsalternativer...
#18 Skrevet Mars 23, 2012 Hadde trodd det, men det gjør det ikke. Men jeg lurer på om forsinkeren som ikke fungere. 0 Del dette innlegget Lenke til innlegg Del på andre sider Flere delingsalternativer...
#19 Skrevet Mars 26, 2012 Hadde trodd det, men det gjør det ikke. Men jeg lurer på om forsinkeren som ikke fungere. Dette skal fungere hvis jeg tolker det riktig. Problemet er hva den lysforsinkeren er bygd opp av. Hvis det er en kondensator så vil du være avhengig av motstanden i releet helt til høyre. Hvis du øker motstanden i utladningskretsen din skal releet henge lenger, så fremt lysforsinkeren ikke er ødelagt. Så du kan slenge på en motstand på releet til høyre og se om det henger lengre. Kan du ikke ta å måle motstanden i spolen på releet helt til høyre og poste her da? evt åpne lysforsinkeren og se hva som er inni og hvilke verdier komponentene har. 0 Del dette innlegget Lenke til innlegg Del på andre sider Flere delingsalternativer...
#20 Skrevet Mars 26, 2012 Kan måle etter når jeg kommer hjem på torsdag. Kan jeg måle med denne? Og hvordan stille skal den stå på ? http://www.biltema.no/no/Bil---MC/Verktoy-og-verkstedutstyr/Testinstrument-og-Elektronikk/Digitalt-multimeter-15133/ 0 Del dette innlegget Lenke til innlegg Del på andre sider Flere delingsalternativer...
#21 Skrevet Mars 27, 2012 Kan måle etter når jeg kommer hjem på torsdag. Kan jeg måle med denne? Og hvordan stille skal den stå på ? Du kan måle motstanden i relespolen med denne ja. Regner med at det er en kondensator inne i lysforsinkeren din. På denne vil mest sannsynlig verdien stå printet på selve kondensatoren. Denne angis i Fahrad, så det vil typisk stå f.eks 470uF som er 470 microfahrad. Det kan også være en motstand inne i lysforsinkeren, men det finner du vel ut når du tar den opp 0 Del dette innlegget Lenke til innlegg Del på andre sider Flere delingsalternativer...