#1 Skrevet Juli 5, 2012 Har hatt et problem med kjølevifta mi at den ikke ville gå. Feilsøkte litt og har kommet frem til at det er termostatbryteren på radiatoren som har takket for seg:( Har bestilt ny bryter som skl byttes så fort jeg har fått den! I mellomtiden, for at bilen ikke skl koke, så laget jeg en provisorisk løsning og koblet sammen + i kontakta til termobryteren med stikk nr 3 i bryteren. Da går vifta på fullt så lenge tenning er på. Noe som har funka perfekt inntil bryter er i hus:) men i går så sluttet plutselig vifta å gå!? Har målt at det er strøm i tjuvkoblinga mi, men får ikke strøm inn på vifta?? Noen som kan forklare meg hva feilen kan være? Har sett over sikringer, og det klikker i releet. Som det skl gjøre når vifta slår inn? Mvh daniel 0 Del dette innlegget Lenke til innlegg Del på andre sider Flere delingsalternativer...
#2 Skrevet Juli 5, 2012 Når jeg måler nå, så er det også jord (minus) i plusspolen i kontakta? 0 Del dette innlegget Lenke til innlegg Del på andre sider Flere delingsalternativer...
#3 Skrevet Juli 5, 2012 Får du kjørt viften ved å koble på strøm direkte? (Obs: viften har et høyt strømtrekk så det vil gnistre, men det er ikke farlig) 0 Del dette innlegget Lenke til innlegg Del på andre sider Flere delingsalternativer...
#4 Skrevet Juli 5, 2012 Prøvde nå, og det gnistra! Men vifta gikk ikke:( 0 Del dette innlegget Lenke til innlegg Del på andre sider Flere delingsalternativer...
#5 Skrevet Juli 5, 2012 Hvordan er den å snurre på for hånd? Er den hard/tung så kan det hende viftemotoren har gjort sitt.. 0 Del dette innlegget Lenke til innlegg Del på andre sider Flere delingsalternativer...
#6 Skrevet Juli 5, 2012 Faen jeg dreit meg ut! Ikke rart det gnistra og ingenting skjedde! Satte ledningen fra + og til - på vifta: flau : Prøvde på nytt nå, og jo, da funker vifta! Kan nevne at det er rs2 kjølevifte om det har noen betydning:) Men er det riktig at det skl klikke i releet? Virker som vifta ikke får pluss signalet fra hvor enn det kommer fra? 0 Del dette innlegget Lenke til innlegg Del på andre sider Flere delingsalternativer...
#7 Skrevet Juli 5, 2012 Sjekke alle sikringer på nytt, evt. må du finne releet som "klikker" og se om det er noe spenning inn på releet. 0 Del dette innlegget Lenke til innlegg Del på andre sider Flere delingsalternativer...
#8 Skrevet Juli 5, 2012 Sikringer er hele:) har funnet releet, men nå spør jeg kanskje dumt? Det hadde vel ikke klikket i releet om det ikke var strøm inn på det?:-s har prøvd et par andre releer nå, og Ingen vifte da heller:( På vifta mi er det kun en pluss og en minus. Og om jeg setter multimeteret på "pipefunksjon" så får jeg kontakt mellom pluss og minus? Har målt på en annen coupe, og der får jeg både 12v og kontakt(pip) mellom pluss og minus? Skjønner ikke noe jeg nå 0 Del dette innlegget Lenke til innlegg Del på andre sider Flere delingsalternativer...
#9 Skrevet Juli 5, 2012 Anyone? 0 Del dette innlegget Lenke til innlegg Del på andre sider Flere delingsalternativer...
#10 Skrevet Juli 5, 2012 Relet har minst fire pinner... Du skal ha hovedstrøm inn og ut, de som går til vifta, disse styres av en tynn ledning som skal komme som 12v mot jord når thermobryteren slår inn (eller tjuvkoblingen din) Ettersom du hører ett klikk i relet er jeg ganske sikker på at denne funksjonen er i orden og at feilen enten er i relet eller i ledningen som går fra sikringsboksen via relet og til pumpa. Mål inngående på relet og se om du har 12v inn og om du får 12v ut når du setter på tenninga. Hvis ikke er relet gåent. Hvis du får 12v ut, må du sjekke om du får det frem til vifta, hvis ikke , brudd i ledning mellom rele og vifte. Hvis ja, ikke brudd, Sjekk med ohm meter om du har kobling mellom jordkontakten (vifta) og jord i chassis slik at vifta har mulighet til å gå. 0 Del dette innlegget Lenke til innlegg Del på andre sider Flere delingsalternativer...
#11 Skrevet Juli 6, 2012 Kan være greit å sjekke formotstanden som sitter foran i venstre hjørne. Skifta nettopp denne på min egen pga. vifta ikke virka på trinn 1. Denne gjorde også at vifta ikke starta når airconditionknappen ble aktivisert. bilen var s2 aby. 0 Del dette innlegget Lenke til innlegg Del på andre sider Flere delingsalternativer...
#12 Skrevet Juli 7, 2012 Har ikke fått sett så nøye på det her enda, men koblet opp en strømledning med bryter til vifta i går. 4kvd ledning. Da brant bryteren opp!? Er det riktig at den skal dra såå mye strøm da:confused: 0 Del dette innlegget Lenke til innlegg Del på andre sider Flere delingsalternativer...
#13 Skrevet Juli 7, 2012 Kan noen som har peiling på dette lage et koblingsskjema til meg? Så kan jeg Evt lage meg et nytt ledningsnett til vifta:) str på rele? hvor stor sikring? Hvilke ledninger skal fra og til hvor? Skal det være + inn på kontakten til termobryteren? Og til hva skal i såfall 1 og 2 på termokontakten gå? Mvh daniel 0 Del dette innlegget Lenke til innlegg Del på andre sider Flere delingsalternativer...
#14 Skrevet Juli 7, 2012 Vanskelig å si, men om vi går ut ifra at viften er på 500W og du har 12v spenning på den, så er strømtrekket 41,67 Amperè. Startstrømmen kan være større. Men det er absolutt maks, jeg tenker et 40Amp rele vil fungere med en 40Amp sikring Hvis vi sier at du har 5 meter kabel eller mindre, så bør den være minst 2,5mm2 (husk at 5 meter er begge veier, mao. 2,5meter ifra batteri til viften) 0 Del dette innlegget Lenke til innlegg Del på andre sider Flere delingsalternativer...
#15 Skrevet Juli 7, 2012 Det er ikke en sikring i motorrommet også da? Hvis du følger ledningen til vifta. Er ihvertfall det på 200 20v'en min. 0 Del dette innlegget Lenke til innlegg Del på andre sider Flere delingsalternativer...
#16 Skrevet Juli 7, 2012 Skal lage et koblingsskjema til deg jeg Følg med 0 Del dette innlegget Lenke til innlegg Del på andre sider Flere delingsalternativer...
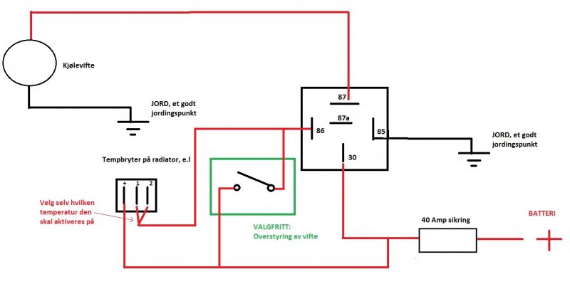
#17 Skrevet Juli 7, 2012 Sånn kan det enkelt gjøres: 0 Del dette innlegget Lenke til innlegg Del på andre sider Flere delingsalternativer...
#18 Skrevet Juli 7, 2012 Det er ikke en sikring i motorrommet også da? Hvis du følger ledningen til vifta. Er ihvertfall det på 200 20v'en min. har ikke funnet noen sikring nei:-/ 0 Del dette innlegget Lenke til innlegg Del på andre sider Flere delingsalternativer...
#19 Skrevet Juli 7, 2012 Sånn kan det enkelt gjøres: tusen takk for tegningen! den blir til stor hjelp! men et spm: har 3 poler på kontakten(termobryteren): + 1 2 hvor skal jordledningen du har tegnet? og skal da både 1 og 2 til nr 86 på rele?? og nr 87a skal ikke i bruk? 0 Del dette innlegget Lenke til innlegg Del på andre sider Flere delingsalternativer...
#20 Skrevet Juli 7, 2012 Jeg vet ikke hvordan din termobryter fungerer så der tør jeg ikke svare deg sikkert. Enten må du ta ut sensoren og koke den også måle, eller så må bilen bli varm også må du måle hvem du får kontakt i når bryteren slår inn 0 Del dette innlegget Lenke til innlegg Del på andre sider Flere delingsalternativer...
#21 Skrevet Juli 7, 2012 Kan prøve koke den nye når jeg får den:) men trodde at 1 og 2 var de 2 forskjellige trinnene på vifta?:-/ Men stemmer det da at den som heter pluss i kontakta skl ha jord? 0 Del dette innlegget Lenke til innlegg Del på andre sider Flere delingsalternativer...
#22 Skrevet Juli 7, 2012 Jeg har tatt utgangspunkt i at du legger opp alt nytt. Skal det komme pluss inn på ene siden av termobryteren, så skal da 85 på tegningen til jord istedet for å få spenning Har du delenummeret på den nye du har bestilt? 0 Del dette innlegget Lenke til innlegg Del på andre sider Flere delingsalternativer...
#23 Skrevet Juli 7, 2012 (endret) Ja jeg tenkte å legge alt på nytt sånn at jeg vet alt er i orden:) derfor jeg er usikker på om det er pluss ell jord som skal inn på føleren, og hva ledningene fra 1og2 går til? Delenr er værtfall: 191 959 481c 0 Del dette innlegget Lenke til innlegg Del på andre sider Flere delingsalternativer...
#24 Skrevet Juli 8, 2012 Ok, for morro skyld, sjekk om du har 12v fortsatt på pinne 3 i stikket Ser ut som pinne 1 skal ha forsyningsspenning, da skal jeg gjøre om tegningen og legge ut en ny en Pinne 2 sender 12v til en resistorpakke for redusert hastighet på viften, vet ikke om du har en slik en, skal sitte på venstre rammevang ihvertfall. Pinne 3 sender full spenning til viften for full fart (jet roar) Så slik jeg ser det kan du velge når du vil viften skal gå på, vil du at den skal gå på tidligere så velger du pinne 2 Pinne 2: 85-95 grader Pinne 3: 92-102 grader 0 Del dette innlegget Lenke til innlegg Del på andre sider Flere delingsalternativer...
#25 Skrevet Juli 8, 2012 Her har du den nye tegninga, si ifra om noe er uklart 0 Del dette innlegget Lenke til innlegg Del på andre sider Flere delingsalternativer...