Verktøy til å låse svingningsdemper s4.

Anbefalte innlegg

Ønsker å kjøpe verktøy til å låse svingningsdemperen på en s4 2.2 20vt.

Del dette innlegget


Lenke til innlegg
Del på andre sider

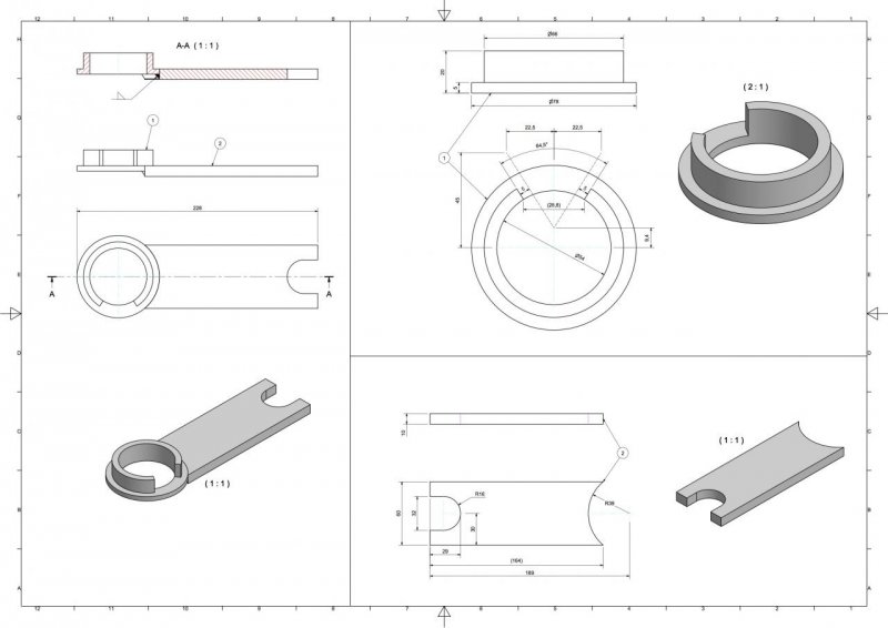
Jeg lagde meg en selv for to dager siden. Ikke så vanskelig :)

 

Brukte målene jeg fant her på forumet (vedlagt i bildeform) men laget den lengere.

 

Veiv_verktøy.jpg

IMG_0068.JPG

IMG_0075.JPG

Del dette innlegget


Lenke til innlegg
Del på andre sider



VACN 2018- Powered by Invision Community

Bli medlem
×

Viktig informasjon

Vi har plassert informasjonskapsler/cookies på din enhet for å kunne vise siden slik vi har utviklet den.
Godtar du ikke dette, må du avslutte bruken og forlate vårt nettsted, ellers vil VACN anta du aksepterer dette.