audi a6 c4 1995 2.6 automat masse feilkoder.. på kamman?

Anbefalte innlegg

00515

00514

00575

00526

 

 

 

tok bare en kjapp test med diagnoseverktøy og ikke vagcom å fikk opp disse feilkodene...

 

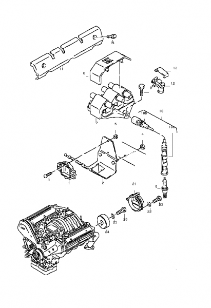
ser at det er en g40 sensor på camshift?

samt en g62 sensor på camshift? er det da en på hver side siden dette er v6?

 

 

bilen lugger av og til... vanskelig og starte til tider... bilen varierer veldig fra 800 omdr til 1400 omdr.

høres også ut at bilen sliter med og få "puste" enkelte ganger på tomgang. men får man endelig start etter mange ganger så går den jo, aldri hatt problemer med at bilen stopper etter start.

 

hva kan være feil? og hvor sitter disse sensorene på abc motorene?

Del dette innlegget


Lenke til innlegg
Del på andre sider

Har du ikke en hallgiver på kammen da, ikke mye annet iallefal på den motoren, fusker den får du startproblemer

Del dette innlegget


Lenke til innlegg
Del på andre sider

ja den er på nippen til og starte hele tiden. men prøvde nettopp i ca 10-15 min ingen start...

 

 

vet du hvor den hallgiveren står? er faderen sin bil så bare sir det jeg fikk vite hos han da.

står det en på hver side bak mot torpedo veggen eller kun på ene siden ?

 

vet du det geir?

Del dette innlegget


Lenke til innlegg
Del på andre sider

Lurer på om den står bak toppen på førersiden?

Del dette innlegget


Lenke til innlegg
Del på andre sider

ja tror det var det jeg så. var vertfall en 3 pins kontakt der. så tipper den er der da... han kjøper ny hallgiver i morgen og håper den er lett og skifte?!?

Del dette innlegget


Lenke til innlegg
Del på andre sider

Ja skal vere greit å bytte denne, sitter bak denne koppen med vindu i

 

hallsender.png

Del dette innlegget


Lenke til innlegg
Del på andre sider

fikk vite hos mekonomen at det finnes 2 forskjellige.. og håper vi får rett sia d måtte bestilles og er oppe på torsdag.

Del dette innlegget


Lenke til innlegg
Del på andre sider



VACN 2018- Powered by Invision Community

Bli medlem
×

Viktig informasjon

Vi har plassert informasjonskapsler/cookies på din enhet for å kunne vise siden slik vi har utviklet den.
Godtar du ikke dette, må du avslutte bruken og forlate vårt nettsted, ellers vil VACN anta du aksepterer dette.