#1 Skrevet Mai 18, 2005 Har kjørt rundt en stund med varsellampa for bremsene lysende. Tenkte jeg skulle se på saken nå. Har vært ute å målt litt rundt omkring. Fant ut at det er strøm på pluggen/stikket til bremsepedalbryter. Målte videre på stikket til bryter på håndbrems. Null strøm. Så da lurer jeg på om det er noen som vet hvor disse 2 ledningene havner? Frister lite å dra ut mesteparten av interiøret....... Går vel under teppet og videre til.......? Vil tippe på at det er ledningsbrudd en plass, fordi "problemet" kom snikende, ikke noe "plutselig" sak dette........ Takker for hjelp! 0 Del dette innlegget Lenke til innlegg Del på andre sider Flere delingsalternativer...
#2 Skrevet Mai 18, 2005 Den kabelen tror jeg går frem til sikringsboksen en plass...uten at jeg er sikker. Kan jo evt. titte i familiealbumet, står sikkert der. 0 Del dette innlegget Lenke til innlegg Del på andre sider Flere delingsalternativer...
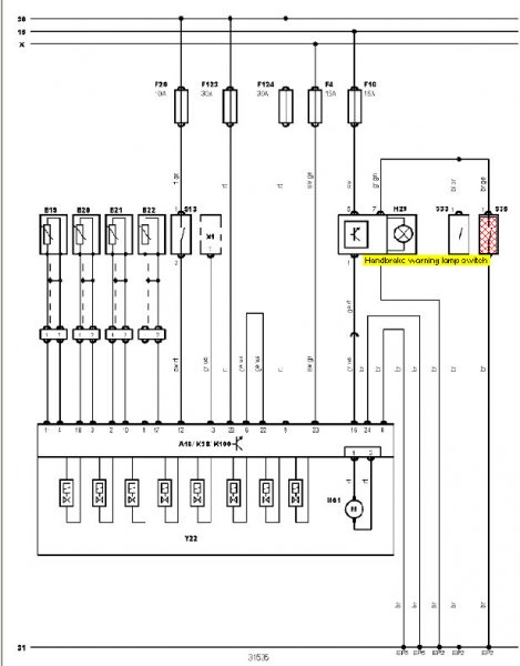
#3 Skrevet Mai 18, 2005 Takker. Skulle hatt "bekreftelse" på min mening utifra disse bildene, at ledningene ifra brekket går opp til ABS-varsel-lampa? 0 Del dette innlegget Lenke til innlegg Del på andre sider Flere delingsalternativer...
#4 Skrevet Mai 18, 2005 Tja...det er litt uvanlig det da. ABS-lampa er vanligvis gul fordi det ikke er en kritisk feil. Lampe for bremsefeil er rød fordi det er en kritisk feil. Håndbremsen går vanligvis på samme lampe som bremsefeil. Hvor er dette skjemaet fra? Regner ikke med at det er du som har skrevet på teksten? Hvis det står slik i skjemaet fra VAG så må man jo stole på det. 0 Del dette innlegget Lenke til innlegg Del på andre sider Flere delingsalternativer...
#5 Skrevet Mai 18, 2005 Har skjekket at bremselyset ikke har varsler for lavt bremsevæskenivå da ? 0 Del dette innlegget Lenke til innlegg Del på andre sider Flere delingsalternativer...
#6 Skrevet Mai 19, 2005 Har kjørt rundt en stund med varsellampa for bremsene lysende. Tenkte jeg skulle se på saken nå. Har vært ute å målt litt rundt omkring. Er det en Golf? 0 Del dette innlegget Lenke til innlegg Del på andre sider Flere delingsalternativer...
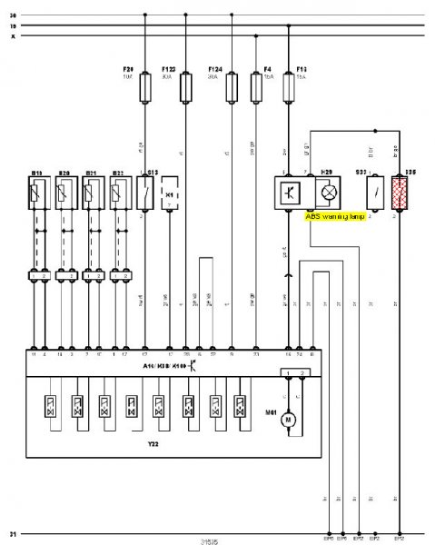
#7 Skrevet Mai 19, 2005 Skal være nok bremsevæske på den. Er en Golf 3 95/96 modell. GTI. Skjemaet er ifra Autohidden. 0 Del dette innlegget Lenke til innlegg Del på andre sider Flere delingsalternativer...
#8 Skrevet Mai 19, 2005 Skal være nok bremsevæske på den. Er en Golf 3 95/96 modell. GTI. Skjemaet er ifra Autohidden. Kan se om jeg finner et annet skjema, skal titte når jeg kommer hjem i løpet av kvelden. Send meg gjerne en PM og minn meg på det...hukommelsen min er ikke kjent for å være god desverre. 0 Del dette innlegget Lenke til innlegg Del på andre sider Flere delingsalternativer...
#9 Skrevet Mai 19, 2005 Tok en telefon til møller-verksted i dag, fikk bekreftet at ledninger til brekk-bryteren faktisk er koblet i sammen med ABS systemet. Skal måle litt mer i kveld. ABS-varsellampa fungerer heller ikke. Tenkte å kjøpe ny ABS-varsellampe i dag, sluttet det av ganske fort. Kostet i overkant av 1400,- kroner!!! Herregud for en pris da! Har fått en dårlig "feeling" for dette her nå......... 0 Del dette innlegget Lenke til innlegg Del på andre sider Flere delingsalternativer...
#10 Skrevet Mai 19, 2005 Har skjekket at bremselyset ikke har varsler for lavt bremsevæskenivå da ?Dette har skjedd meg også. Sjekk bremsevæskebeholderen!!! 0 Del dette innlegget Lenke til innlegg Del på andre sider Flere delingsalternativer...
#11 Skrevet Mai 19, 2005 Saken er løst (etter MYE banning). Som jeg var inne på tidligere i tråden, så er "bremsevæskenivåbryteren" og "håndbrekkbryteren" koblet i sammen med ABS varsellampe. Dette viser jo tydelig på skjemaet som jeg postet. Fikk dette bekreftet ifra merke-verksted også. Grunnen er at bremsetrykket på bakaksel styres ikke av "den gamle" bremsetrykkreduseringsventilen (den på eldre biler), men dette trykket styres av ABS'n! Så da tenkte jeg at siden ABS lampa mi ikke er helt 100%, så kunne kansje denne sørge for at varsellampa til bremsene lyser. Koblet ifra ABS lampa, og da var saken fikset! Så har du en ABS lampe til mk3 til salgs , se DENNE tråden! 0 Del dette innlegget Lenke til innlegg Del på andre sider Flere delingsalternativer...
#12 Skrevet Mai 21, 2005 Fortsetter litt med denne tråden jeg..... Som sagt, så er problemer med bremse-varsellampe løst. Byttet den ene hjulsensoren til abs'n i går. Har ikke fått kontrollert di andre sensorene enda. Hadde et lite håp om at abs'n virket etter bytte av den sensoren, men det gjorde den ikke. Så jeg lurer på om det kan være fordi at abs varsellampa er defekt? Noen som vet hvilke egenskaper/oppgaver abs lampa egentlig har? Kan jo legge til at FØR jeg byttet sensor, så motte jeg koble ifra abs lampe for at bremse lampe skulle slukke. Men ETTER bytte av sensor så kan abs lampe være tilkoblet uten at bremse lampe lyser.... 0 Del dette innlegget Lenke til innlegg Del på andre sider Flere delingsalternativer...