HASTER HASTER! Fått kappet bremserøret - Audi A8 97 høyre bak. Hvor er skjøten?

Anbefalte innlegg

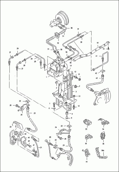
Som topic sier, haster å få lokalisert skjøten innen kl.15 så nytt rør kan bestilles.

 

au1_061425152.gif

 

Det er snakk om #41

Del dette innlegget


Lenke til innlegg
Del på andre sider

4D0 611 746B bremserør 2160mm Høyre bak. (I følge ATKE)

Del dette innlegget


Lenke til innlegg
Del på andre sider

Bremserør er vanligvis ikke skjøtet, men hele fra abs til kalipper

Del dette innlegget


Lenke til innlegg
Del på andre sider

Jeg er klar over lengden men finner ikke skjøten under bilen

 

Vidar: tegningen viser skjøten som du ser.

Del dette innlegget


Lenke til innlegg
Del på andre sider



VACN 2018- Powered by Invision Community

Bli medlem
×

Viktig informasjon

Vi har plassert informasjonskapsler/cookies på din enhet for å kunne vise siden slik vi har utviklet den.
Godtar du ikke dette, må du avslutte bruken og forlate vårt nettsted, ellers vil VACN anta du aksepterer dette.