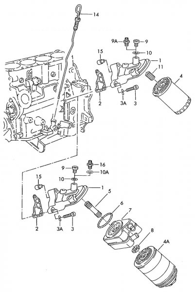
#1 Skrevet Desember 2, 2013 (endret) Hei. Noen med ADR motor som kan kikke på oljefilterbraketten, der hvor oljetrykkgiveren sitter. Mangler jeg en blindskrue? Er to ledige hull der, det ene med gjenger, andre uten. Skal montere oljetrykksmåler, derfor jeg la merke til det. Lampa lyser en sjelden gang i ca 10sek. -Kristian 0 Del dette innlegget Lenke til innlegg Del på andre sider Flere delingsalternativer...
#2 Skrevet Desember 2, 2013 Ene hullet er for oljetemp visning i instrument. Og det andre er for oljetilførsel til turbo. Er de samme brakettene, det er bare ikke borra opp i de hulla som ikke trengs. Du kan ikke montere oljetrykksmåler uten å bytte brakett, evt borre opp den med gjenger. Det letteste er nok å bruke en t-skjøt på den giveren som er der, eller sette på en sandwich mellom huset og filteret 0 Del dette innlegget Lenke til innlegg Del på andre sider Flere delingsalternativer...
#3 Skrevet Desember 2, 2013 Turboen får olje fra et uttak lenger inne på braketten, ikke noen av de han har ringet rundt her. Iallefall på AEB. Hadde det manglet noen plugger her, så hadde det blitt mye gris Du må enten bruke T-stykke på oljetrykksbryteren som sitter der idag (M10x1) eller ta av hele braketten å gjenge opp et nytt hull. 0 Del dette innlegget Lenke til innlegg Del på andre sider Flere delingsalternativer...
#4 Skrevet Desember 2, 2013 Eller erstatte den orginale giveren med sensoren til måleren. De første b5 modellene hadde to oljetrykksmålere, derav det andre hullet med gjenger. 0 Del dette innlegget Lenke til innlegg Del på andre sider Flere delingsalternativer...
#5 Skrevet Desember 2, 2013 Takk for oppklaring folkens! T-stykke med uttak for 1/8npt er bestilt. Hadde selvfølgelig vært masse gris hvis det manglet en plugg, men begynte å lure! 0 Del dette innlegget Lenke til innlegg Del på andre sider Flere delingsalternativer...
#6 Skrevet Desember 2, 2013 Takk for oppklaring folkens! T-stykke med uttak for 1/8npt er bestilt. Hadde selvfølgelig vært masse gris hvis det manglet en plugg, men begynte å lure! Gjengene på det hullet som org giver bruker er M10x1, så 1/8npt passer dårlig. 0 Del dette innlegget Lenke til innlegg Del på andre sider Flere delingsalternativer...
#7 Skrevet Desember 2, 2013 Sant. Har bestilt denne http://www.ebay.co.uk/itm/LMA-Oil-Pressure-Gauge-T-Piece-M10-x-1-Male-Female-With-1-8-NPT-Side-Port-50mm-/141059071377?ssPageName=ADME:L:OC:US:3160 0 Del dette innlegget Lenke til innlegg Del på andre sider Flere delingsalternativer...
#8 Skrevet Desember 2, 2013 Åja! Så kjekt! 0 Del dette innlegget Lenke til innlegg Del på andre sider Flere delingsalternativer...
#9 Skrevet Desember 5, 2013 Men vi først er i gang, hva er normalt oljetrykk på denne motoren? Noen som vet? 0 Del dette innlegget Lenke til innlegg Del på andre sider Flere delingsalternativer...