#1 Skrevet Desember 29, 2014 (endret) Gjorde den store bommerten å komme borti viskerarmen mens det var (tung)snø på ruta, tok ett par sekunder får jeg fikk måkt bort med henda, men etter det virker det som og viskermotoren sliter(hvis det ikke har noe med kulda å gjøre?). Vet ikke hva møller tar for å bytte motor, sikkert 5000-6000,- , tenkte derfor å kjøpe en brukt motor på ebay, men jeg vet ikke helt hvilken jeg skal kjøpe. Ifølge ETKA så er det 8D1 955 133 B (5 polet) for venstrestyrte biler, har en 96' modell og alt på denne pleier å være av den gamle typen så frykter det kan sitte en to polet. Ellers ligger det flere på ebay med delenr. 8D2 955 133 C, tror dere denne passer?. 0 Del dette innlegget Lenke til innlegg Del på andre sider Flere delingsalternativer...
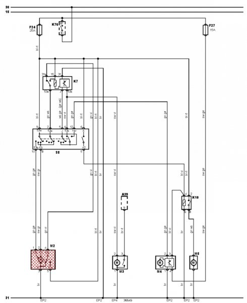
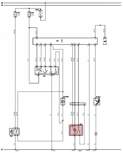
#2 Skrevet Desember 30, 2014 Kan virke som du har en 5 polet den er T.O.M -1997.(merket rødt) F.O.M 1998- ser den slik ut(merket rødt) Diagram kommer fra auto hidden 0 Del dette innlegget Lenke til innlegg Del på andre sider Flere delingsalternativer...
#3 Skrevet Desember 30, 2014 I dag virket ikke viskerne i det hele tatt, høres det ut som motoren eller kan det være noe annet som releet etc? 0 Del dette innlegget Lenke til innlegg Del på andre sider Flere delingsalternativer...
#4 Skrevet Desember 30, 2014 Kan nesten høres ut som dårlig kontakt en plass. Sikring,rele,stikk på motor,Stikk på bryter, 0 Del dette innlegget Lenke til innlegg Del på andre sider Flere delingsalternativer...
#5 Skrevet Desember 30, 2014 Kan det være selve mekanisken som er rustet seg fast?(har lest at det er den vanligste årsken), eventuelt hva er beste metode for å feilsøke uten å skru ut hele greia? 0 Del dette innlegget Lenke til innlegg Del på andre sider Flere delingsalternativer...
#6 Skrevet Desember 30, 2014 Om du for opp noen feilkoder med vagcom i dette tilfelle er jeg ikke sikker på. Men kan jo prøves. Feks. en bakrute pusser er det ikke alltid man for opp feilkoder på når den er fastrustet. 0 Del dette innlegget Lenke til innlegg Del på andre sider Flere delingsalternativer...
#7 Skrevet Desember 30, 2014 Sprayet ned alt av deler jeg rakk med WD-40 for ett par timer siden og nå funker de. Er vel da antagelig mekanismen som trenger en puss. 0 Del dette innlegget Lenke til innlegg Del på andre sider Flere delingsalternativer...
#8 Skrevet Desember 30, 2014 Demonter viskeroverføringen og smør den opp. Bør også kjøpe avdrager til og drege av viskerarmen da de kan sitte noe grise stygt. 0 Del dette innlegget Lenke til innlegg Del på andre sider Flere delingsalternativer...
#9 Skrevet Desember 30, 2014 Kan skrive under på at de sitter noe $@#$##@@. Er trangt rundt armen så du bør ta løs plast deksela så du får mer spillerom 0 Del dette innlegget Lenke til innlegg Del på andre sider Flere delingsalternativer...
#10 Skrevet Desember 30, 2014 Kan skrive under på at de sitter noe $@#$##@@. Er trangt rundt armen så du bør ta løs plast deksela så du får mer spillerom Prøvde først uten, var uheldig og det ble en ørliten sprekk i frontruten, som ble vesentlig større med tiden 0 Del dette innlegget Lenke til innlegg Del på andre sider Flere delingsalternativer...
#11 Skrevet Desember 30, 2014 Tok av viskerarmene fo ca 5 år siden, da satt de ikke så veldig, får satse på at de ikke har blitt værre, har jo også stått å godgjort seg i WD-40 . 0 Del dette innlegget Lenke til innlegg Del på andre sider Flere delingsalternativer...