Motor på plass, lekkasje ved turbo... :(

Anbefalte innlegg

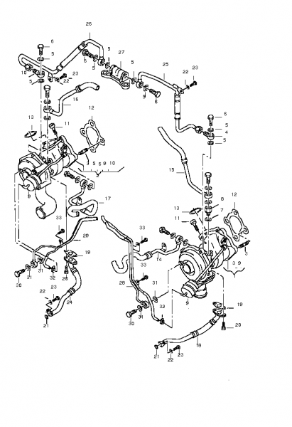
Akkurat fått i motoren og trykktestet. Det lakk ved den lille banjo'en på kompressorhuset :(

 

Nr. 28

TurboDiagram.png

 

https://www.ecstuning.com/Audi-B5_S4--2.7T/ES283910/

 

Det lakk i overgangen fra hardline til banjo. Hvordan er denne hardlinen å bytte? Delvis ut med motoren eller helt ut?

Del dette innlegget


Lenke til innlegg
Del på andre sider



VACN 2018- Powered by Invision Community

Bli medlem
×

Viktig informasjon

Vi har plassert informasjonskapsler/cookies på din enhet for å kunne vise siden slik vi har utviklet den.
Godtar du ikke dette, må du avslutte bruken og forlate vårt nettsted, ellers vil VACN anta du aksepterer dette.