Feilkode P246e - tempsensor - giver 4 - rad 1 - 2012 mod VW Sharan 2012

Anbefalte innlegg

Er det noen som har vært borti denne feilkoden? Motorlampe lyser samt at glødelampa blinker. Kontakta det lokale verkstedet (som jeg har god erfaring med) som igjen tok kontakt med Møller for å bestille riktige deler. Svaret fra Møller var at denne koden/feilen hadde de aldri hørt om og mitt verksted måtte google (!!) for å finne ut hva dette ev er. Høres ut som svada. Kan det stemme at det er tempføler etter dpf?

Feilkoden er avlest med vag-com

 

Bilen er en 2012 VW Sharan 2.0 tdi, 170 hk, DSG

 

Mvh

Øyvind

Del dette innlegget


Lenke til innlegg
Del på andre sider

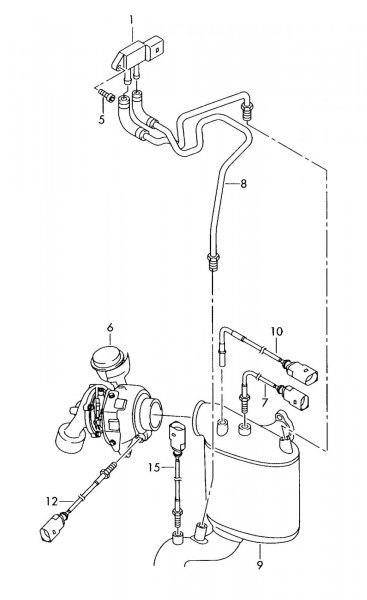
det er svada fra møller. 420906150.jpg

 

- - - Updated - - -

 

tipper det er nr 15 du skal ha

Del dette innlegget


Lenke til innlegg
Del på andre sider



VACN 2018- Powered by Invision Community

Bli medlem
×

Viktig informasjon

Vi har plassert informasjonskapsler/cookies på din enhet for å kunne vise siden slik vi har utviklet den.
Godtar du ikke dette, må du avslutte bruken og forlate vårt nettsted, ellers vil VACN anta du aksepterer dette.