#1 Skrevet Juli 26, 2005 Noen som kan hjelpe meg med screenshot fra "familie-albumet" ?? Trenger det bilde som viser de stagene som "vrir" girskifter-akselen oppe på girkassen. Mekanismen i forbindelse med girskift med andre ord. Bilen er en 1992 mod Audi S4 sedan med AAN motor og 6 trinns girkasse. (pr tiden kun 4 trinns.... ) 0 Del dette innlegget Lenke til innlegg Del på andre sider Flere delingsalternativer...
#2 Skrevet Juli 26, 2005 Kan det være dette? HER 0 Del dette innlegget Lenke til innlegg Del på andre sider Flere delingsalternativer...
#3 Skrevet Juli 26, 2005 Kan det være dette? HER Nja.....det der ser ut som "innvendig" i kassa mens jeg må ha tak i en liten stang med kuleledd i ene enden. 0 Del dette innlegget Lenke til innlegg Del på andre sider Flere delingsalternativer...
#4 Skrevet Juli 26, 2005 Her tenker jeg....til ANN kasse...ikke spesifisert hvor mange gir det var. 0 Del dette innlegget Lenke til innlegg Del på andre sider Flere delingsalternativer...
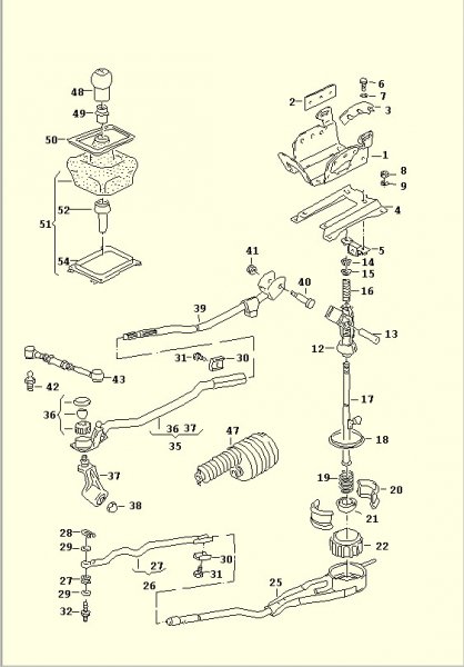
#5 Skrevet Juli 27, 2005 Jepp,der var riktig bilde!! Stag med nummer 43 som jeg må ha nytt.....ene kuleleddet driver å hopper av 0 Del dette innlegget Lenke til innlegg Del på andre sider Flere delingsalternativer...
#6 Skrevet Juli 27, 2005 hva er dette for jalla da? på s2n er det bare et tykkt stag! skal være god om du ødelegger det! Trodde kassene var like jeg! 0 Del dette innlegget Lenke til innlegg Del på andre sider Flere delingsalternativer...
#7 Skrevet Juli 27, 2005 hva er dette for jalla da? på s2n er det bare et tykkt stag! skal være god om du ødelegger det!Trodde kassene var like jeg! Er jo bare selve "kula" som er slitt eller så mangler det en låsing som gjør at staget sitter skikkelig fast. Ser ut som man ikke får det løst heller....... 0 Del dette innlegget Lenke til innlegg Del på andre sider Flere delingsalternativer...
#8 Skrevet Juli 27, 2005 Får du det ikke løst Pål?:BRUK STØRRE HAMMER!!! 0 Del dette innlegget Lenke til innlegg Del på andre sider Flere delingsalternativer...
#9 Skrevet Juli 27, 2005 Jepp,der var riktig bilde!! Stag med nummer 43 som jeg må ha nytt.....ene kuleleddet driver å hopper av Del 43 får du sef ikke kjøpt løs:( Tipper du må ha 36. det skal være rep sett 4A0 798 151 0 Del dette innlegget Lenke til innlegg Del på andre sider Flere delingsalternativer...
#10 Skrevet Juli 27, 2005 Del 43 får du sef ikke kjøpt løs:(Tipper du må ha 36. det skal være rep sett 4A0 798 151 Så spørs det hva det rep-settet inneholder da......helt sikkert ikke det staget/kule-leddet jeg trenger 0 Del dette innlegget Lenke til innlegg Del på andre sider Flere delingsalternativer...
#11 Skrevet Juli 30, 2005 kommer du til alt dette fra inni bilen eller? 0 Del dette innlegget Lenke til innlegg Del på andre sider Flere delingsalternativer...
#12 Skrevet August 1, 2005 kommer du til alt dette fra inni bilen eller? Nei det ligger rett oppunder tannstanga...... 0 Del dette innlegget Lenke til innlegg Del på andre sider Flere delingsalternativer...
#13 Skrevet August 1, 2005 En liten "update" fikk faktisk bilen i både første og andre gir idag!!! Men staget driver å hopper av for den minste ting nå......titta litt på den isted å det ser ut som det er en liten sprekke i den plastdelen som er tredd nedover det kule-leddet. (Del nr 43 på AKTE-bildet over ) 0 Del dette innlegget Lenke til innlegg Del på andre sider Flere delingsalternativer...