Bremsespørsmål:Cosworth - > Audi typ. 85?

Anbefalte innlegg

Ser det er tilfelle at Ford Sierra Cosworth har samme boltsirkel som gamle typ 85 Audi`er (4x108). Er det mulig kunne bruke deler fra bremsesystemet der til Audi?: klø : Noe som passer mon tro?:)

 

 

Mvh.

Erik

Del dette innlegget


Lenke til innlegg
Del på andre sider

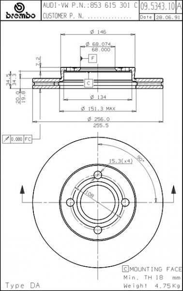
Legger inn et bilde av originalskiva til 1983 A80Q typ 85

 

Det er visst impresset på skiva (A) som er det store problemet, da det blir litt trangt ved felgene...

sc_disc.gif

c09-534310.jpg

Del dette innlegget


Lenke til innlegg
Del på andre sider



VACN 2018- Powered by Invision Community

Bli medlem
×

Viktig informasjon

Vi har plassert informasjonskapsler/cookies på din enhet for å kunne vise siden slik vi har utviklet den.
Godtar du ikke dette, må du avslutte bruken og forlate vårt nettsted, ellers vil VACN anta du aksepterer dette.