#1 Skrevet Januar 26, 2006 HJELP...har byttet til nytt innstrument, ny føler på girkassa, alle ledninger sjekket og ok.. men fortsatt ikke noe spedometer!!!! er den noen som har vert borte i lignende???? noe nede i girkassa kansje??? eller om de er no releer eller no sånt... det er en 97 mod a4 1,8 TQ. 0 Del dette innlegget Lenke til innlegg Del på andre sider Flere delingsalternativer...
#2 Skrevet Januar 29, 2006 ingen som har vert borte i lignende??? 0 Del dette innlegget Lenke til innlegg Del på andre sider Flere delingsalternativer...
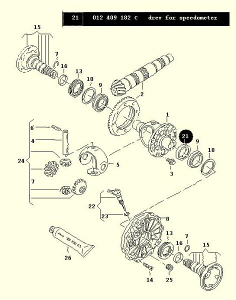
#3 Skrevet Januar 29, 2006 Hadde jo vært greit med litt mer info om bilen det gjelder da. Men hvis du har skiftet instrument og giver, samt kontrollert alle ledninger og alt er iorden, er det jo ikke mange muligheter igjen. Det sitter et "drev" bak drivakselflensen på venstre side i girkassa. Dette er av plast og har vært borti at dette har sprukket og dermed ikke fulgt med rundt lenger. Da vil ikke speedometeret virke. 0 Del dette innlegget Lenke til innlegg Del på andre sider Flere delingsalternativer...
#4 Skrevet Januar 30, 2006 takk for tipset.. har du peil om de er vanskelig for en hobbymekaniker og bytte eller er det verksted som gjeller her... 0 Del dette innlegget Lenke til innlegg Del på andre sider Flere delingsalternativer...
#5 Skrevet Februar 6, 2006 ser ut som om jeg må ha opp girkassa gett... de er da altså en quattrokasse fra 97.. noen som har noen tips om verksteder som gjør sånt..(østlandet) 0 Del dette innlegget Lenke til innlegg Del på andre sider Flere delingsalternativer...
#6 Skrevet Februar 6, 2006 Holder å ta av lokket nr 8 på bildet for å komme til. Da behøver du ikke ha ut kassa, men en løftebukk er nok en fin ting å ha. Har aldri bytta på a4 selv, men har gjort det på en 100 quattro og det var i og for seg ganske kurant det. 0 Del dette innlegget Lenke til innlegg Del på andre sider Flere delingsalternativer...
#7 Skrevet Februar 9, 2006 Holder å ta av lokket nr 8 på bildet for å komme til. Da behøver du ikke ha ut kassa, men en løftebukk er nok en fin ting å ha. Har aldri bytta på a4 selv, men har gjort det på en 100 quattro og det var i og for seg ganske kurant det. takker for tipset...... 0 Del dette innlegget Lenke til innlegg Del på andre sider Flere delingsalternativer...