Forb... eu kontroll, trenger noen tips til feilretting

Anbefalte innlegg

Hadde Coupe'n (2.3 10V FWD) på Eu kontr. i går, og det gikk ikke så veldig bra. : bh :

 

Det enkle først:

 

Slitasje på skiver bak, dårlig brekk og forskjell på bremekraft bak...

Her kjøper jeg bare nye skiver og klosser, og prøver å få løsna på calipperne. Hvis ikke blir det nye / brukte. Noen som har brukbare til salgs?

 

 

Men her kommer problemene.

De målte Co til 5.3%, noe som er ganske høyt. Vet det kan være lamda som er gåen så det er vel det billigste å begynne med. Men hva annet kan det være? Hva hvis det er litt mye olje på motoren? Har denne motoren co potmeter som jeg kan skru litt på? Setter pris på alle tips jeg kan få her :)

 

Så til det andre problemet

Fikk en feil der de skriver: "Bakaksel - dårlig innfestning langsgående fremre; Høyre side 2

Hva i svarte kan det være? En dårlig foring?

 

Håper noen kan hjelpe :)

 

-Thorvald

Del dette innlegget


Lenke til innlegg
Del på andre sider

Hadde Coupe'n (2.3 10V FWD) på Eu kontr. i går, og det gikk ikke så veldig bra. : bh :

 

Det enkle først:

 

Slitasje på skiver bak, dårlig brekk og forskjell på bremekraft bak...

Her kjøper jeg bare nye skiver og klosser, og prøver å få løsna på calipperne. Hvis ikke blir det nye / brukte. Noen som har brukbare til salgs?

 

 

Men her kommer problemene.

De målte Co til 5.3%, noe som er ganske høyt. Vet det kan være lamda som er gåen så det er vel det billigste å begynne med. Men hva annet kan det være? Hva hvis det er litt mye olje på motoren? Har denne motoren co potmeter som jeg kan skru litt på? Setter pris på alle tips jeg kan få her :)

 

Så til det andre problemet

Fikk en feil der de skriver: "Bakaksel - dårlig innfestning langsgående fremre; Høyre side 2

Hva i svarte kan det være? En dårlig foring?

 

Håper noen kan hjelpe :)

 

-Thorvald

 

ny olje og luftfilter pleier hjelpe litt på co,kan vell også justere co på den.

 

er nok den fremre foringa i bærearmen de mener,bytta nettop disse på min.helt kurrant skruing,må bruke ei baufil/luftsag til å splitte den foringa for å få den ut,så presse inn den nye.

 

kjøp ei haynes bok hvis du ikke har,veldig nyttig å ha!!

Del dette innlegget


Lenke til innlegg
Del på andre sider

CO'en var vel ganske høy ja. Jeg regner med du har en katalysator-regulert NG-motor med lambda, og da er det meget sannsynlig at lambdaen har stoppet opp. Det er mulig å justere CO på ke3-jet innsprutet, det er et lite hull (med eller uten plugg) mellom bensinmengdefordeleren og luftmålertrakta. Det går en 4mm unbraco nedi hullet. Men jeg anbefaler at du ikke rører den. En svært liten justering kan føre til store endringer i CO%, og i værste fall at bilen stopper. Og da kan den bli nokså trasig å få startet igjen. Jeg har prøvd : smil :

Hvis du sjekker FAQ på nordicaudi.com så ligger den en prosedyre for å teste lambdasonden der, så slipper du evt å kjøpe en ny om du ikke trenger.

 

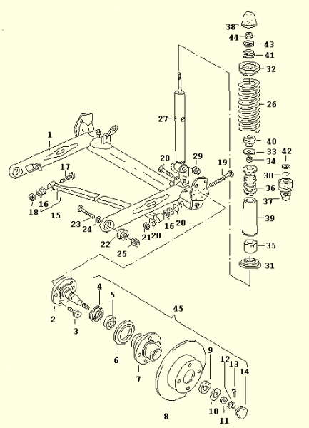
Bakakselen din henger jo enkelt og greit i en bolt på hver side, pluss panhard-staget. Hvis du har fått anmerkning vil jeg anta at det er noe feil med foring, bolt eller mutter (22-23-25), hvis ikke må det jo nesten være i karosseriet. Panhardstaget er også festet i karossen på høyre side, så samme sak gjelder der (16-17-18). Og tallene er selvsagt referanse til tegninga jeg legger ved: :)

bakhjuloppheng.png

Del dette innlegget


Lenke til innlegg
Del på andre sider

CO'en var vel ganske høy ja. Jeg regner med du har en katalysator-regulert NG-motor med lambda, og da er det meget sannsynlig at lambdaen har stoppet opp. Det er mulig å justere CO på ke3-jet innsprutet, det er et lite hull (med eller uten plugg) mellom bensinmengdefordeleren og luftmålertrakta. Det går en 4mm unbraco nedi hullet. Men jeg anbefaler at du ikke rører den. En svært liten justering kan føre til store endringer i CO%, og i værste fall at bilen stopper. Og da kan den bli nokså trasig å få startet igjen. Jeg har prøvd : smil :

Hvis du sjekker FAQ på nordicaudi.com så ligger den en prosedyre for å teste lambdasonden der, så slipper du evt å kjøpe en ny om du ikke trenger.

 

Bakakselen din henger jo enkelt og greit i en bolt på hver side, pluss panhard-staget. Hvis du har fått anmerkning vil jeg anta at det er noe feil med foring, bolt eller mutter (22-23-25), hvis ikke må det jo nesten være i karosseriet. Panhardstaget er også festet i karossen på høyre side, så samme sak gjelder der (16-17-18). Og tallene er selvsagt referanse til tegninga jeg legger ved: :)

 

Takk :)

 

 

Noen flere forslag?

 

Bytter lamda. Koster ikke mange hundrelappene....

Del dette innlegget


Lenke til innlegg
Del på andre sider

Prøvd å lese ut feilkoder da ??

 

Systemet pleier jo å legge inn feil hvis det er defekte givere...

Del dette innlegget


Lenke til innlegg
Del på andre sider

Prøvd å lese ut feilkoder da ??

 

Systemet pleier jo å legge inn feil hvis det er defekte givere...

 

Nei har ikke prøvd dette. Prøver å bytte lamda, da den ikke koster stort.

Hvis ikke det hjelper, så får jeg lese av koder..

Del dette innlegget


Lenke til innlegg
Del på andre sider

Jiiihaw! Bilen ble godkjent :)

 

Takk for tips og hjelp :tilber:

Del dette innlegget


Lenke til innlegg
Del på andre sider



VACN 2018- Powered by Invision Community

Bli medlem
×

Viktig informasjon

Vi har plassert informasjonskapsler/cookies på din enhet for å kunne vise siden slik vi har utviklet den.
Godtar du ikke dette, må du avslutte bruken og forlate vårt nettsted, ellers vil VACN anta du aksepterer dette.