Trenger sårt AKTE-skisse av oljefilter-huset

Anbefalte innlegg

Noen som vil være behjelplig med dette?

Motorkode AUQ på bilen min!

Del dette innlegget


Lenke til innlegg
Del på andre sider

Feil motor gitt.. Da prøver vi med AUQ :)

shop.jpg

Del dette innlegget


Lenke til innlegg
Del på andre sider

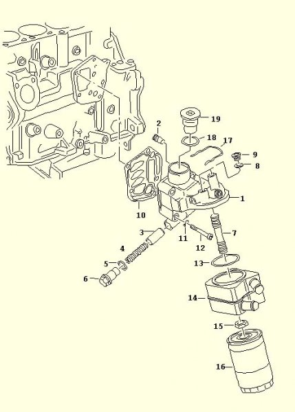
Denne?

 

Edit, litt for sen der gitt....

filterhus mk4.jpg

Del dette innlegget


Lenke til innlegg
Del på andre sider

Takker

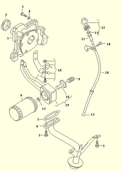
Har sett denne her:http://www.vagcat.com/

 

Finnes det noen litt mer utfyllende skisser

Fra siden som oljetrykkbr. sitter?

Del dette innlegget


Lenke til innlegg
Del på andre sider



VACN 2018- Powered by Invision Community

Bli medlem
×

Viktig informasjon

Vi har plassert informasjonskapsler/cookies på din enhet for å kunne vise siden slik vi har utviklet den.
Godtar du ikke dette, må du avslutte bruken og forlate vårt nettsted, ellers vil VACN anta du aksepterer dette.