Plutselig fungerer ikke vindusviskere, blinklys og klima anlegg! Hva har skjedd?

Anbefalte innlegg

Nå etter mye prøving og feiling med diverse feil på bilen har jeg nå fått den igang. MEN nå har jeg et annet problem;

 

Jeg har IKKE vindusviskere eller vindusspyling, og blinklys fungerer ikke, men varselsblinker fungerer som den skal, samt klima anlegget er dødt, ingen reaksjon, kan ikke skru det på og ingen ting i kontrollpanelet inne i bilen lyser. Pluss, hvis jeg skrur på bakrute varmeren og lar den stå på litt så skrur kontrollen til alle rutene i bilen seg av og ingen ruter kan åpnes eller lukkes, mens bakrutetrådene blir ikke varme!

 

HVA I HULESTE ER DET SOM SKJER MED JENTA MI?

 

Som jeg vet har jeg ikke vært borti å dratt ut noen kontakter når jeg har holdt på, alle sikringer i sikringsboksen er hele, releene fungerer jo tydeligvis siden varselsblink funker, og jeg kan heller ikke finne noen sammenheng mellom problemene, men alle kom samtidig som jeg vet om!

 

Bilen har stått med lader tilkoblet nå i noen dager, men det er av typen ca 2000,- "Smart" bilxtra kjøpt lader som liksom er slik bra for gelé batterier osv (har rødt optima batteri). Burde vel ikke kunne ha noe med dette å gjøre?

Del dette innlegget


Lenke til innlegg
Del på andre sider

Det høres ut som typisk defekt tenningsbryter de feilene dine. Kan være verd å sjekke i alle fall :)

Del dette innlegget


Lenke til innlegg
Del på andre sider

Høres nesten ut som den elektriske delen på tenningslåsen kan vær død..

Del dette innlegget


Lenke til innlegg
Del på andre sider

Noen som vet hvordan jeg kan teste det? Hadde vært greit å fått sjekket det slik at jeg kan få tak i den i morgen så jeg kan dra på gatebil!

 

Eventuelt om jeg kan ta meg til å klippe noen ledninger, koble de til en bryter og lage meg egen tenningsbryter inne i bilen? Noen muligheter for det?

Del dette innlegget


Lenke til innlegg
Del på andre sider

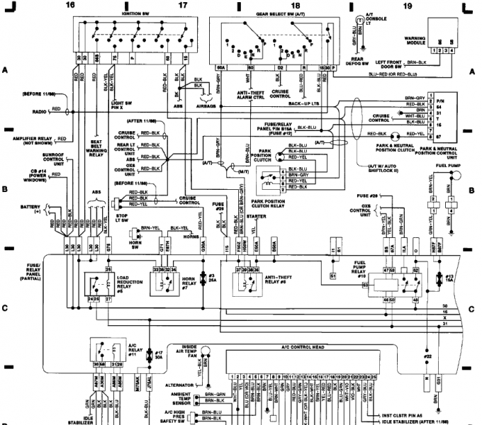
Ingen problem å teste denne. Hvis du bruker koblingsskjemaet jeg legger ved (sorry, litt stort) så ser du tenningsbryteren øverst til venstre. Hvis du piller ut instrumentpanelet så kommer du til denne, den sitter med to skruer (dekket med gurba) i tenningslåsen. Hvis du plugger ut pluggen bakpå kan du bruke noen ledningsbiter med kabelsko (vanlige flatstift han) for å tjuvkoble litt for testingen sin del.

tenningsbryter.png

Del dette innlegget


Lenke til innlegg
Del på andre sider

Det vil da også være mulig at jeg setter en bryter på ledningene og "leker tenningsbryter" ?

Del dette innlegget


Lenke til innlegg
Del på andre sider

Det vil da også være mulig at jeg setter en bryter på ledningene og "leker tenningsbryter" ?

 

Selvsagt, så lenge du bruker ledninger som ikke er for tynne burde ikke det være noe problem :)

Del dette innlegget


Lenke til innlegg
Del på andre sider

Først må jeg si at jeg ikke skjønte for mye av den tegningen :S

2. Hva er Gurba?

Nå har jeg skrudd ut instrumentpanelet og fått dratt av den runde kabeltilkoblingen bak på nøkkelhullet. Der går det endel røde kabler, noen sorte og noen andre. Ser ikke ned dit måtte føle meg frem da jeg kun har dratt instrumentpanelet til siden så jeg kommer til neddi der.

 

Tar imot all hjelp med STOR takk. Hva skal jeg prøve å koble imellom osv?

Del dette innlegget


Lenke til innlegg
Del på andre sider

Det er 4 røde, 1 tykk sort, 1 rød og sort, 1 gul og hvit, 2 gule og sorte som går til samme kontakt. Hva skal kobles hvor? Rød og sorte gir strøm sammen, og rød og gul/sort men gul og hvit gir ikke værken pluss eller minus. Er dette da signal av en type regner jeg med. Hva skal kobles med hva hvor når og hvordan? Jeg ønsker ikke ødelegge noe, derfor skummelt å dytte ledninger inn i alt mulig :P

Del dette innlegget


Lenke til innlegg
Del på andre sider

Det er 4 røde, 1 tykk sort, 1 rød og sort, 1 gul og hvit, 2 gule og sorte som går til samme kontakt. Hva skal kobles hvor? Rød og sorte gir strøm sammen, og rød og gul/sort men gul og hvit gir ikke værken pluss eller minus. Er dette da signal av en type regner jeg med. Hva skal kobles med hva hvor når og hvordan? Jeg ønsker ikke ødelegge noe, derfor skummelt å dytte ledninger inn i alt mulig :P

 

-Rød/sort: Dette er strømmen til startmotoren

-Sort/gul: Dette er tenningsstrøm, altså siste steg på nøkkelen før du vrir på starter

-Tynn rød: "Nøkkel er satt inn" signal, som gjør at radio/lysvarsleren blir tyst når døren er åpen. Får strøm idet du trykker nøkkelen innover i tenningslåsen.

-Tykke røde: +12v inn fra batteri

-Tykk sort: ser ut til å gå til ABS, airbag og motorstyring.

 

Sånn jeg leser skjemaet skal du koble sammen.

1. Rød tykk og rød tynne

2. Rød tykk og gul/sort

3. Rød tykk og sort tykk

4. Rød tykk og rød/sort så lenge som nødvendig for å kjøre startmotor.

 

Den gul/hvite ledninga finner jeg ikke i skjemaet, så den kan jeg ikke hjelpe deg med desverre. Uansett hvordan du ser det så skal det jo kobles strøm fra de strømførende ledningene til de som det ikke står strøm på. Det blandes ikke jord inn på bryteren uansett, så om noe ikke fungerer får du nå prøve å sette strøm på den gul/hvite også.

 

EDIT:

Gurba er min noe upresise beskrivelse av en slags lakk/maling/forsegler (eller egentlig hvasomhelst uønsket materiale) som er fylt oppi sporet til de to skruene som holder tenningsbryteren. Litt innom der strømpluggen står inn i tenningsbryteren er det to "ører" på hver side hvor det ligger en stk. skru under den omtalte forseglingsmassen. Du må pille ut denne massen med et lite skrujern eller lignende for å komme til hodet på skruen så du får løsnet tenningsbryteren (om denne skal byttes). :)

Del dette innlegget


Lenke til innlegg
Del på andre sider

Ok, takker :D Har nå prøvd litt og fant ut at tenning står på med sort mot hvilken som helst rød :S

 

Og starter går med hvilken som helst rød koblet til hverandre. :S

 

Men har prøvd å koblem diverse andre steder og får fortsatt ikke kontakt med blinklys, vindusviskere eller klima.

 

Jogger ut å prøver å koble som du forklarer nå. Takk for hjelpen :D

Del dette innlegget


Lenke til innlegg
Del på andre sider

Vel, nå har jeg prøvd å koble på alle forskjellige måter, men til ingen nytte. Skjønner ikke noe jeg nå!!!

 

Tenkte kanskje det kunne ha noen som helst sammenhenge med coil byttet å gjøre så bare koblet på det gamle orginale og vettuhva! BILEN STARTET!!! : bråk : Nå forstår jeg absolut ikke noen verdens ting!

Del dette innlegget


Lenke til innlegg
Del på andre sider

Sjekk jordingspunkt, det skal være flere små jordingspunkt, bruk den koblingsskjema til å finne dem, og sjekk også jording mellom batteri og karrosseri og karrosseri og motor.

Del dette innlegget


Lenke til innlegg
Del på andre sider

Nå står parklyset på passasjer siden fremme på hele tiden også!!! : faint :: dum :

Ish bare min feil! Seff lyser park når blinklysbryteren står på! Så da vet jeg at det er kontakt til bryteren til blinklyset!

 

Noen som har noen gode slike koblingskjemaer som jeg kan se på! Begynner å lukte jordingsfeil ja!

Del dette innlegget


Lenke til innlegg
Del på andre sider

Hjelp!

 

Driver nå å skrur sammen dashen på bilen igjen.

 

Kan det tenkes at det er noen gåene relér som gjør dette? Men rart at det skal være så mye på en gang som blir borte da? Kan liksom ikke helt se noen sammenheng mellom de 3 elementene heller. Får håpe erling rød er hjelpsomme i morgen. Ihvertfal syns jeg de skal kunne kjøre en Vag-Com test på bilen!

 

Kan noen oversette dette 100% for meg. Tror jeg har det riktig men greit å være sikker:

 

Wisheranlage, Richtungsblinken, Getriebeoeltemp. Schalter ThermoschalteerKuerhlerluefter, Drucksch, Klimaanlage, hizb. Waschduesen.

 

Takk.

Del dette innlegget


Lenke til innlegg
Del på andre sider

Hjelp!

 

Driver nå å skrur sammen dashen på bilen igjen.

 

Kan det tenkes at det er noen gåene relér som gjør dette? Men rart at det skal være så mye på en gang som blir borte da? Kan liksom ikke helt se noen sammenheng mellom de 3 elementene heller. Får håpe erling rød er hjelpsomme i morgen. Ihvertfal syns jeg de skal kunne kjøre en Vag-Com test på bilen!

 

Kan noen oversette dette 100% for meg. Tror jeg har det riktig men greit å være sikker:

 

Wisheranlage, Richtungsblinken, Getriebeoeltemp. Schalter ThermoschalteerKuerhlerluefter, Drucksch, Klimaanlage, hizb. Waschduesen.

 

Takk.

Du kan nå (bare for å ha sjekket det) koble av hendlene rundt rattstammen og se om ting forbedrer seg da. Og du har selvsagt sjekket alle sikringer, jordforbindelser batteri -> karosseri og pluss -> karosseri. Rart om noen gåene releer skal rote opp så mye til deg.

Wischeranlage - Viskeranlegg

Richtungsblinken - Retningsblinker, blinklys

Getriebeoltemp - Girkasse oljetemperatur

ThermoschalterKuehlerleufter - Noe med radiatorvifta i alle fall

Klimaanlage - klimaanlegg

hizb. waschduesen - Oppvarmbare spylerdyser eller noe sånt

drucksch - druck er trykk, sch. kan være kort for schalter, velger, svitsj...

Del dette innlegget


Lenke til innlegg
Del på andre sider

Hmm, har ikke koblet fra hendlene, vil forsovidt også mene det er rart om det er hendlene sin feil da cruise kontroll fungerer, kjørecomputer funkgerer, men kunn de tre nevnte tingene som ikke fungerer som det skal. Batteri - Jord er bra, og strøm kommer det tydeligvis til bilen da den starter og går som den skal. Og som jeg har forklart så er det veldig rart at det skal ha noe med ledninger eller bryter å gjøre da parklyset lyser på den siden blinklyset står på hvis tenning er av noe som er helt normalt! Dermet kan jeg nesten utelukke ødelagt bryter og ledningsfeil. Fant ut at det er Sikring nr. 15 på bilen som inneholder alle de elementene som jeg beskriver der, og det er jo ganske riktig da, Viskeranlegg, Spylere, Blinklys og Klima fungerer ikke, lurer på om jeg skal sjekke om radiatorvifta går i morgen, lurer nemmelig på om den kanskje ikke gjør det da bilen begynnte å koke i går når jeg stod på tumgang en stund... Dersom heller ikke radiatorvifta går så MÅ det ha noe med Kretsen rundt sikring NR15. å gjøre!

Del dette innlegget


Lenke til innlegg
Del på andre sider

Hmm, da er det nok en og samme krets som ikke fungerer, sikring nr. 15 er som sakt alle de elementene som ble lest opp, og Vindusspyler og viskere, blinklys, klima og radiatorvifte fungerer IKKE! Da er jeg ett skritt nærmere målet! Men er fortsatt veldig fasinert over at ikke sikringen har røket! Må være et ledningsbrudd enten i form av jord eller strøm(+) ett sted, så nå er det "bare" det å finne ut av HVOR!!!!!!!! Noen tips?

Del dette innlegget


Lenke til innlegg
Del på andre sider

Jeg skal være enig i at hendlene høres litt søkt ut som feilkilde, men har forsåvidt opplevd at de kan skape litt krøll. Bare for å ha det sagt: cruise og kjørekomp deler bare fysiske hendler med blink og visk, tilkoblingene og ledningene til disse to styringene ligger utenpå bryterne og har forsåvidt ingenting annet til felles med de andre funksjonene i hendelen.

Det begynner vel kanskje å høres mer ut som om en ledning ligger i klem en plass. Drev å feilsøkte et dødt instrumentpanel på en audi 80 en gang, der viste det seg til slutt å være en feil i knappen til varmetrådene i bakruta. Kan garantere deg at det var det siste vi sjekka :)

Men uansett, du får ha lykke til med feilsøkinga. Kan være både trasig og frustrerende å lete etter disse små elektronikktyggende dyra i bilen.

Del dette innlegget


Lenke til innlegg
Del på andre sider

Da har man fått ordnet feilen. Var en jordingsledning som var røket. Har fått loddet den nå og alt fungerer som det skal! :D

Del dette innlegget


Lenke til innlegg
Del på andre sider

Da har man fått ordnet feilen. Var en jordingsledning som var røket. Har fått loddet den nå og alt fungerer som det skal! :D

 

Hvor var bruddet hos deg?

 

Tror jeg sliter med akkurat det samme som du gjorde!

Vifte på klima, vinduspussere og blinklys.

Del dette innlegget


Lenke til innlegg
Del på andre sider

Var en jording neddi sikringsboksen hos meg hvis jeg ikke husker helt galt.

Del dette innlegget


Lenke til innlegg
Del på andre sider

Sliter med dette jeg også. Noen flere tips ang. hvilken ledning det er snakk om. Jeg jaktet etter løse ledninger i dag uten å finne noen.

Men jeg fant en brent sikring i relay 349 som må være abs siden den startet å fungere igjen etter at jeg byttet sikring.

Del dette innlegget


Lenke til innlegg
Del på andre sider



VACN 2018- Powered by Invision Community

Bli medlem
×

Viktig informasjon

Vi har plassert informasjonskapsler/cookies på din enhet for å kunne vise siden slik vi har utviklet den.
Godtar du ikke dette, må du avslutte bruken og forlate vårt nettsted, ellers vil VACN anta du aksepterer dette.