#51 Skrevet Oktober 17, 2006 Takker for tipsene, men denne nye turboen jeg kan få fra Sverige koster meg ca. 3650,- nkr, altså en god del rimeligere og den er jo også helt ny Snakket faktisk med Turboservice også, de skulle ha rundt samme pris som NBS, men jeg spurte om denne turboen ville passe og han mente at det skulle den faktisk (454231-2/6/8/9). "Problemet" var at jeg nevnte den versjonen med -2 bakerst i modellnummeret til Turboservice, mens den jeg kan få har -9 bakerst, derfor jeg lurer på om noen andre her kan bekrefte dette 100%. Vet ikke hva for noen forskjell det siste nummeret gjør heller men Forøvrig virker eksosen ganske normal, virker ikke noe tett der... Styreenheten står det en klistrelapp med MTM på med dato og hk og det hele så jeg går ut i fra at den da er chippet. EDIT: Klarte selvfølgelig ikke å vente og tok dermed en tlf til Turboservice igjen (som virkelig har service forøvrig!) og fikk da vite at de siste tallene på turbonummeret kun var produksjons batch nummeret, altså 2 erstatter 1, 3 erstatter 2 osv og dermed passer denne turbo HELT perfekt til min bil. Var faktisk denne som skulle være der også! Da føler jeg meg passe fornøyd. Bestilte et pakningssett av han og turbo er bestilt så til helga blir det skruing 0 Del dette innlegget Lenke til innlegg Del på andre sider Flere delingsalternativer...
#52 Skrevet Oktober 20, 2006 Da er ny turbo og pakninger hentet, turbo kom på den nette sum av ca. 3700 nkr! Bør vel kanskje fylle litt olje i denne da før man kobler den til? Eventuelt noe annet jeg må passe på? 0 Del dette innlegget Lenke til innlegg Del på andre sider Flere delingsalternativer...
#53 Skrevet Oktober 20, 2006 Forsiktig med oljetilløpsrøret på turboen da du skrur det løs, slik at du ikke knekker det. 0 Del dette innlegget Lenke til innlegg Del på andre sider Flere delingsalternativer...
#54 Skrevet Oktober 20, 2006 var ikke gal turbo pris,hvilket firma var dette? 0 Del dette innlegget Lenke til innlegg Del på andre sider Flere delingsalternativer...
#55 Skrevet Oktober 20, 2006 Ja får skru litt forsiktig så ingenting knekker... men skal jeg bare fylle turboen opp med olje (helt full) før jeg skrur på oljerørene? Er nok inget firma, kom over denne på blocket.se, en privatkar som solgte. Han hadde også en større turbo tilsalgs, 225hk visstnok. 0 Del dette innlegget Lenke til innlegg Del på andre sider Flere delingsalternativer...
#56 Skrevet Oktober 20, 2006 Du behøver ikke å fylle opp turboen med olje, men hvis du får til å kjinne motoren rundt litt før du starter den opp, så er vel det bare bra, selvom det ikke strengt tatt nødvendig det heller.. 0 Del dette innlegget Lenke til innlegg Del på andre sider Flere delingsalternativer...
#57 Skrevet Oktober 26, 2006 Da var endelig ny turbo på plass, men skuffelsen ble stor når det viste seg å ikke være denne! Bilen gikk omtrent helt likt, kanskje bitte litt mer drag når turbo så vidt trår til, men ikke noe bunndrag og bilen går rett i nødmodus som før... Ergo konkluderer jeg med at gammel turbo var helt ok. Fikk dermed et stalltips om en vakum ventil (blå og hvit) som tilhører vakum styringa, en rund liten plastdings til rundt 150kr. Tenker jeg skal prøve denne, kunne blåse gjennom den uten noe motstand, hvilket skulle visstnok være feil. Men kan virkelig denne dingsen lage så mye krøll? Ikke noe bunndrag på lave turtall, og når turbo lader går den ikke for fullt, mister fort trykket også og selvfølgelig at den går i nødmodus da... Ventilen skal riktignok styre trykk til vakum til turbo, så jeg håper nå at det kan være denne... 0 Del dette innlegget Lenke til innlegg Del på andre sider Flere delingsalternativer...
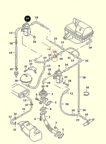
#58 Skrevet Oktober 26, 2006 Lurer på om den ovennevnte dingsen over er denne "trykkomformeren" merket på bildet? 0 Del dette innlegget Lenke til innlegg Del på andre sider Flere delingsalternativer...
#59 Skrevet Februar 1, 2007 Bump 0 Del dette innlegget Lenke til innlegg Del på andre sider Flere delingsalternativer...
#60 Skrevet Februar 1, 2007 Lurer på om den ovennevnte dingsen over er denne "trykkomformeren" merket på bildet? Du har sikkert funnet ut av det nå. Men ihvertfall, den "dingsen" du har avbildet er en enveisventil som skal stenge når du blåser en vei, og åpne når du blåser den andre veien (det er dog litt motstand selv om du blåser rett vei). 0 Del dette innlegget Lenke til innlegg Del på andre sider Flere delingsalternativer...
#61 Skrevet Februar 2, 2007 Jepp, kjøpte ny slik enveisventil, uten at det heller gjorde susen. Til slutt ble jeg så lei at jeg leverte bilen inn til en diesel ekspert, Minge på Havnås, og de fant raskt ut at det var et vakumRØR som hadde ryket. Dvs. det hadde ligget inntil noe og gnaget hull i røret. Dette var godt gjemt langt nede ved torpedoveggen visstnok. Jeg byttet alle vakumslangene jeg kom over, men det falt meg ikke inn å sjekke selve rørene, ikke de der nede i alle fall, heh... Små bagateller blir fort store, og forårsaker mye ugagn. Men i alle fall, motoren ble strøken igjen etter dette 0 Del dette innlegget Lenke til innlegg Del på andre sider Flere delingsalternativer...
#62 Skrevet Februar 2, 2007 Er vel der det kommer inn at liten tue velter stort lass da Irriterende med slike problemer som man ikke kan finne ut av selv. 0 Del dette innlegget Lenke til innlegg Del på andre sider Flere delingsalternativer...
#63 Skrevet Februar 3, 2007 Ja ja, fikk meg jo en ny turbo på veien, og ny LMM som jeg var litt usikker på, nå vet jeg i alle fall at disse tingene er i orden Blir kanskje en tur til TS og få ny chip også så man får hentet ut maks. 0 Del dette innlegget Lenke til innlegg Del på andre sider Flere delingsalternativer...