montering av bakdemper (golf II)

Anbefalte innlegg

har fått nytt justerbartsenkesett men usker ikkje heilt korleis man monterte det sammen igjen på toppen.

 

slik ser demparen ut no:

IMGP1525.jpg

 

er dette riktig satt sammen??

IMGP1527.jpg

 

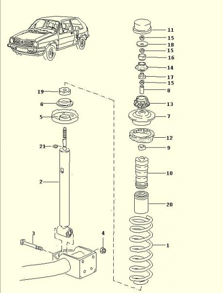
her ligger delane i rekkfølge. begynner fra venstre

IMGP1528.jpg

 

har nemlig ikkje dei gamle demparane så eg kan ikkje sjå på dei

Del dette innlegget


Lenke til innlegg
Del på andre sider

Bilde........

Golf2bakdemperetka.JPG

Del dette innlegget


Lenke til innlegg
Del på andre sider

skulle vel være riktig det. er noen annen måte da?

Del dette innlegget


Lenke til innlegg
Del på andre sider

skulle vel være riktig det. er noen annen måte da?

 

eg veit ikkje. har sett i haynesboka og ser ut som dette er den einaste måten. kan vera at eg mangler noko.

Del dette innlegget


Lenke til innlegg
Del på andre sider

eg veit ikkje. har sett i haynesboka og ser ut som dette er den einaste måten. kan vera at eg mangler noko.

posta den på samme tid som det bildet over kom:o ser jo ut som du mangler en del deler, men hvis ikke noen andre kommer med inspilll her, hadde fertfall jeg kommet til å satt sammen sånn som du viste, å hvis det funker da så er det jo GO!;) merkes jo fort hvis det blir noe slark el.: rolleyes

Del dette innlegget


Lenke til innlegg
Del på andre sider

Bilde........

 

har du delenr til 16 og 17??

var å henta nokre av dette på møller idag,

Del dette innlegget


Lenke til innlegg
Del på andre sider

16 = 191 512 339

17 = 191 512 340

 

Edit : Ser stort sett ut som det er samme delenr på alle golf2 med fwd.

Del dette innlegget


Lenke til innlegg
Del på andre sider

16 = 191 512 339

17 = 191 512 340

 

Edit : Ser stort sett ut som det er samme delenr på alle golf2 med fwd.

 

takk. da trur eg mangler nr 17. kan tenka meg at den er veldig lik nr 6 berre denne har eit større hull.

Del dette innlegget


Lenke til innlegg
Del på andre sider



VACN 2018- Powered by Invision Community

Bli medlem
×

Viktig informasjon

Vi har plassert informasjonskapsler/cookies på din enhet for å kunne vise siden slik vi har utviklet den.
Godtar du ikke dette, må du avslutte bruken og forlate vårt nettsted, ellers vil VACN anta du aksepterer dette.