#1 Skrevet September 10, 2006 eg har ein 9a 2l 16v fra ein passat/corrado som skal i jettaen. men sliter litt med ledningsnettett til motoren. slik eg har skjønnt det så har denna motoren ke-jet innsprut, og det er det samme som PL motoren. har orginal nettet til 9a motoren men den passer ikkje til sikkringsboksen min. har skaffa meg eit KR-nett men vil det egentlig passe til 9A motoren?? og er det nokon som har eit skjema for utgangane på hjernane til KR og 9A nettet?? nr på kr hjernen er 811 907 384 står også 5 DA 005 155-00 9A hjernen står det bosch 0 261 200 858 og 8A0 907 404 C C og 200 858 112 810. står også motronic på hjernen til 9A motoren. i følge dobbel-wopper så har denne motoren ke-monotronic og PL ke-jet. er det da sammme?? 0 Del dette innlegget Lenke til innlegg Del på andre sider Flere delingsalternativer...
#2 Skrevet September 10, 2006 Så lenge du bruker k-jet innpsprut fra KR sammen med ledningsnettet fra KR så burde det gå greit sammen med 9a motor. Her er det en haug med linker om 2,0 16v :http://www.clubgti.com/forum/showthread.php?t=41171 0 Del dette innlegget Lenke til innlegg Del på andre sider Flere delingsalternativer...
#3 Skrevet September 20, 2006 har litt fleire smp. ang ledningsnettes så eg samler alle her. bak sikringsboksen så har eg ein kvit kontakt(6 pin) den kommer fra instrumentet og skal vidare til motoren men eg veit ikkje til kva. nokn som veit dette?? slik ser kontakten ut på det eine ledningsnettet eg har ligganes(kr) så er det rele med nr 43. kva er det til?? fant nokre sider om ledningsnett så ek kommer til å brukke 9a motornettet. holder på å "sveise" det sammen med det andre nettet men finner ikkje heilt ut kva alt er enda, så det kommer fleire spm seinare. 0 Del dette innlegget Lenke til innlegg Del på andre sider Flere delingsalternativer...
#4 Skrevet September 26, 2006 ingen som kan hjelpe meg ???? er det nokon som veit kor eg ka få tak i tegninger eller hidden på kva kvar enkelt utgang på hjernen er for noko?? har ein del ledninger som kommer løst fra hjernen og veit ikkje om det skal signal på dei eller strøm........HJELP MEG 0 Del dette innlegget Lenke til innlegg Del på andre sider Flere delingsalternativer...
#5 Skrevet Oktober 22, 2006 BØMP. trenger seriøst hjelp her. vil ha start på motoren. kva er nr på bensinrelet?? 0 Del dette innlegget Lenke til innlegg Del på andre sider Flere delingsalternativer...
#6 Skrevet Oktober 22, 2006 hvis du har hele lednings nettet til kr motoren,ville jeg flyttet over hele.. når jeg har gjort sånne transplantasjoner har jeg byttet over alt av ledninger... med sikringsbox og alt.. da er det liksom orginalt.. 0 Del dette innlegget Lenke til innlegg Del på andre sider Flere delingsalternativer...
#7 Skrevet Oktober 23, 2006 eg har ledningsnett til kr ja, MEN lite som passer. må vel kjøpe ein komplett kr motor da for å flytte div komponenter over. og dei netta eg har er ikkje så heile. er gjort så mykje mikkmakk med dei 0 Del dette innlegget Lenke til innlegg Del på andre sider Flere delingsalternativer...
#8 Skrevet November 11, 2006 nye spm. har lært meg å lesa litt teginger no;) men engelsk er eg ikkje særlig god på. er "heated o2 sensor" lambdasonde?? kan eg fjerna den?? eller rettare sagt vil motoren oppføre unormalt utan denne?? på 9a motoren så har den olje temp.sensor, finnes det på 16v gti?? eg har olje trykk sensorer på oljefilteret. olje temp sensoren står under fordeleren. 0 Del dette innlegget Lenke til innlegg Del på andre sider Flere delingsalternativer...
#9 Skrevet November 11, 2006 engelsken din er rett.. heated o2=lambda 16v gti har vel temp- eller trykksensor til oljen på siden av toppen (husker ikke helt hvilken:) dersom du skal bruke hjerne fra KR så bryr den vel seg fint lite om lambda.. 0 Del dette innlegget Lenke til innlegg Del på andre sider Flere delingsalternativer...
#10 Skrevet November 12, 2006 engelsken din er rett.. heated o2=lambda 16v gti har vel temp- eller trykksensor til oljen på siden av toppen (husker ikke helt hvilken:) dersom du skal bruke hjerne fra KR så bryr den vel seg fint lite om lambda.. bruker hjernen til 9a motoren, så da må eg vel ha labda. ang olje temp/trykk så står det to oljetrykk sensorer på oljefilter braketten + ein litt større ting. (svart ting på filterbraketten på bildet) og på sida står det ein olje temp. i følge tegninga. men eg skal mest sannsynlig ha ein egen olje trykk og temp måler i bilen så da kan eg vel fjerna den på sida. på vensteside av toppdekselet så er denne karen festet. kva er den til?? kan eg fjerne den?? ledningen går til sikringsboksen men til ingen kontakter. blir avslutta med ein kabelsko 0 Del dette innlegget Lenke til innlegg Del på andre sider Flere delingsalternativer...
#11 Skrevet November 12, 2006 vel sitter litt fast igjen. har litt forskjellige tegninger og enkelte viser litt forskjellige. eine tegningen står det at bensinrelet får signal fra hjernen, men på ein anna så står det at den får signal fra lambdasonden og hjernen. og ein anna står det at lambdasonden skal koblast på bensinrelet. kva er rett? nokon som har nr på bensinrelet?? kan man bruke eit vanligt ett?? 0 Del dette innlegget Lenke til innlegg Del på andre sider Flere delingsalternativer...
#12 Skrevet November 12, 2006 den ene oljetemp bryteren går til hjernen, den andre til instrumentet. og så skal der være en trykkbryter som går til instrmentet og buzzeren. den sensoren med br/ws (braun/weiss) ledning er vel den som styrer after-run på radiatorviften.. dvs den fyrer opp vifta dersom motortempen er over x antall grader etter du stopper motoren. hvis du bruker hjernen fra 9a så følger du koblingsskjemaet for motorrommet til 9a, dersom du skal spleise en 9a hjerne med sensorer på en KR motor må du ta da en titt i KR koblingsskjemaet for å finne tilsvarende sensoren (selv om de fleste er ganske åpenbare). skal du også spleise 9a hjernen/motorledningsnettet med en KR sikringsboks må du gjøre det tilsvarende her.. altså finne den ledningen i KR koblingsskjemaet som passer med det som kommer fra 9a motornettet. strengt tatt er det ikke så komplisert, du har som regel ett sett sensorer fra motor som skal til hjernen, og hjernen skal kobles videre til sikringsboksen for å få styrestrøm og gi styrestrøm til bensinpumpereleet.. og den andre halvdelen av ledningsnettet skal inn i instrumentpanelet. litt simplifisert :-) det positive er vel at du blir en jævel på å lese koblingsskjemaer..det ble hvertfall jeg etter å ha gått amok på PG nettet mitt. 0 Del dette innlegget Lenke til innlegg Del på andre sider Flere delingsalternativer...
#13 Skrevet November 14, 2006 vel. eg bruke 9a motoren sin hjerne og 9a motoren sitt nett men motornettet er eit ce2 og det nettet eg har resten i bilen og sikringsboksen er ce1. slik ser baksida ut på sikringsboksen på eit ce1 nett. http://www.bentleypublishers.com/tech/vw/bentley.vw.fuse.panel.rear.1984-1993.htm og slik ser baksida på eit ce2 sikringsboks ut http://www.bentleypublishers.com/tech/vw/bentley.vw.fuse.panel.rear.1989-1997.htm det eg holder på med no er kontakt D på ce1 nettet. det som skal på denne er kontakt G1 og G2 fra ce2 nettet. her er er info om kontakt D: D 1 - blu/blk- oil pressure switch (0.3 bar) 2 - blk - thermal switch for inlet manifold heater (carb models) or fusebox pin R/1 (digifant f/inj) or idle & WOT switches \- blk/wht- idle overrun cut-off valve (carb models) \- blk - knock sensor control unit pin 5 3 - wht/grn- fuel gauge sender or transmission switch/upshift indicator 7 - blk/yel- low coolant level switch unit pin 6/15, idle boost control unit pin 2/15 (K-Jet f/inj) 8 - wht/red- vacuum switch/upshift indicator 9 - grn/yel- windscreen wiper motor pin 53b 12- grn - windscreen wiper motor pin 53 13- vio/blk- thermal switch for carb heater, inlet manifold heater, auto choke & bypass cut-off valve (carb models) \- red/yel- electronic ignition control unit pin 10 (16v) or digifant ECU pin 3 (digifant f/inj) \- red/yel- knock sensor control unit pin 10 (16v) 15- wht/vio- resistance wire -> ignition coil pin 15 16- blk/red- reverse light switch (M/T) or starter/inhibitor & reverse light switch pin 15 (A/T) 17- grn/blk- windscreen wiper motor pin 53e 19- blu/blk- reverse light switch or starter/inhibitor & reverse light switch pin R & diode (A/T) 20- blk/gry- windscreen wiper motor pin 53a 21- yel - oil pressure switch (1.8 bar) 22- br - windscreen wiper motor pin 31, and spare connector behind fusebox or to earth 'claw' near fusebox 23- blk - ignition coil pin 15 24- red/blk- starter pin 50 (M/T) or starter/inhibitor & reverse light switch pin 50 (A/T) 26- red/blk- ignition coil pin 1 & idle control unit pin 1 (K-Jet f/inj), overrun cut-off valve (K-Jet f/inj) 29- yel/red- coolant temp sender \- yel/blk- low coolant level switch unit pin B/G her er info om kontakt G1 og G2 G1 2 - brn/wht- outside temp sensor 3 - red/yel- Digifant ECU pin 3 or 16V CIS-E Motronic control unit pin 12 (GTI models) or Digijet ECU pin 20 or inlet manifold heater thermoswitch pin 2 (1.6 & 1.8 carb models) 4 - blk - ignition coil pin 15 and/or TCI Unit and/or 16V CIS-E Motronic control unit pin 14 (GTI models) or inlet manifold heater & autochoke thermoswitches pin 1 (1.6 & 1.8 carb models) 5 - brn/wht- earth 7 - brn/blk- Idle over-run cut-off valve (1.6 & 1.8 carb models) 6 - brn/red- 16V CIS-E Motronic control unit pin 34 8 - red/wht- heated O2 sensor (fuse #18) 10- blk/yel- Digifant ECU pin 14 (Digifant control relay) or ISV or Digijet ECU pin 13 12- red/blk- ignition coil pin 1 and/or TCI Unit (Digifant control relay) G2 1 - grn/blk- oil temp sensor 2 - wht/red- outside temp sensor 3 - yel/red- coolant temp sensor 4 - blk/wht- 16V Cold start valve, Carbon canister freq valve, Carbon canister on/off valve and ISV or Lamda probe heater (Digijet model) 10- yel - oil pressure sensor 1.8 bar 11- blue/blk- oil pressure sender 0.3 bar har funne ut ein del men det eg er usikker på er følgande del på kontakt D: pin nr. 2 pin nr. 7 pin nr. 13 pin nr. 26 på kontakt G1 er det: pin nr. 6 (denne går til hjernen på pin nr 34) pin nr. 8 pin nr. 11 (denne er ikkje oppført nokon plass men går til hjernen på pin nr 25) pin nr. 12 på kontakt G2: pin nr. 1 pin nr. 4 0 Del dette innlegget Lenke til innlegg Del på andre sider Flere delingsalternativer...
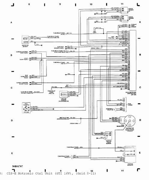
#14 Skrevet November 14, 2006 her er tegninga som eg følger. her er infoen henta fra. ledningsnettet: http://www.clubgti.com/forum/showthread.php?t=94149&highlight=motronic tegningane http://volkswagen.msk.ru/index.php?p=page09_g2 (golf 2 1992mod) 0 Del dette innlegget Lenke til innlegg Del på andre sider Flere delingsalternativer...
#15 Skrevet November 17, 2006 ingen som kan dette?? 0 Del dette innlegget Lenke til innlegg Del på andre sider Flere delingsalternativer...
#16 Skrevet November 17, 2006 går det ann å bruka biltema sin lambdasonde?? pluggen til lambda har fire pin'er men bare tre av dei er tilkobla i den andre enden. kor skal lambdasonden stå egentlig?? før eller etter potte?? 0 Del dette innlegget Lenke til innlegg Del på andre sider Flere delingsalternativer...
#17 Skrevet Desember 3, 2006 bump. ingen som kan lesa litt tegninger?? er ikkje mange ledninger igjen. 0 Del dette innlegget Lenke til innlegg Del på andre sider Flere delingsalternativer...
#18 Skrevet Desember 28, 2006 og opp igjen. begynnte litt igjen idag. men er ein del feil, vertfall på lys nettet. lyset som viser at lang lysa er på lyser heiletida + oljelyset. når eg fjerner hovedlysbrytaren så forsvinner dei og lyset til kjølevatnet blinker i ca 6 sek. i tillegg så er hovedlysbrytaren varm, sjølv om den bare har stått på i ca 5 min. brytraren er ikkje defekt. får heller ikkje blinklysa til å fungera. relet funker og indikatoren kjem på når eg slår på blinklyset men den blinker ikkje. nokon som kan hjelpa meg litt?? 0 Del dette innlegget Lenke til innlegg Del på andre sider Flere delingsalternativer...
#19 Skrevet Januar 2, 2007 fant ut idag at sikring nr 20 til skiltbelysningen ryker heile tida. men den ryker ikkje viss man fjerner hovedlysbrytaren eller klipper den grå/grønne. begynner å bli litt frustrert ang ledningsnettet no. er det nokon i bergens området som kan litt om dette og hadde giddet å hjelpt meg litt eller sett litt på det?? 0 Del dette innlegget Lenke til innlegg Del på andre sider Flere delingsalternativer...
#20 Skrevet Mars 13, 2007 nye spm. turtellaren min funker ikkje. får den signal fra hjernen eller coil?? meiner eg har ein ledning fra "hastighets giver" men veit ikkje kva eg skal kobla den til. temp.føler. er den nødvendig å ha?? 0 Del dette innlegget Lenke til innlegg Del på andre sider Flere delingsalternativer...