#1 Skrevet Februar 21, 2007 Hvordan ettermonterer jeg xenon i grøftelysa? Noen som har en slags how to tegning? H11. Har kjøpt rele hvis jeg skulle trenge det, ser at lysene kanskje kan slokke etter 2-3 sek. Men hvor og hvordan kobler jeg det releet hvis jeg må bruke det? Hva skal det kobles til? Er helt grønn der så kan være godt med litt hjelp.. gjerne noen tegninger i paint eller noe hvis noen har litt tid til overs.. Har søkt litt på forumet men finner nada om grøftelys og rele.. 0 Del dette innlegget Lenke til innlegg Del på andre sider Flere delingsalternativer...
#2 Skrevet Februar 21, 2007 viktigste er vel den rele delen.. hvor og hvordan den skal settes/kobles inn.. 0 Del dette innlegget Lenke til innlegg Del på andre sider Flere delingsalternativer...
#3 Skrevet Februar 21, 2007 Heisann,ikke noe hjelp å få fra meg da,men hadde jeg vært deg hadde jeg ihvertfall prøvd uten Rele først,disse bilene reagerer så forskjellig på AutoChecken at det er helt sykt 0 Del dette innlegget Lenke til innlegg Del på andre sider Flere delingsalternativer...
#4 Skrevet Februar 21, 2007 Eller kanskje det ikke er Autochecken sin feil egentlig,for jeg har tidligere hatt ett sett montert i Grøftelysa,men det settet kjøpte jeg hos Dybvik,og det fungerte uten tull,men det settet ble ofret til ett anna prosjekt,har nå ett sett Xenonlys også fra Dybvik i nærlysa å det virker også bra,men det settet jeg kjøpte her på forumet(til grøftelysa) har ikke heilt lyst å lyse nei,det settet er ganske sikkert av like go kvalitet,men kanskje me ørsmå forskjeller i spesifikasjonene at det er det som mange Autochecker ikke liker,jeg vet ikke,men har nå kjøpt meg ett Relesett sjøl å venter på noen motstandere jeg har bestilt så får jeg prøve sjøl. men som sgat prøv uten først 0 Del dette innlegget Lenke til innlegg Del på andre sider Flere delingsalternativer...
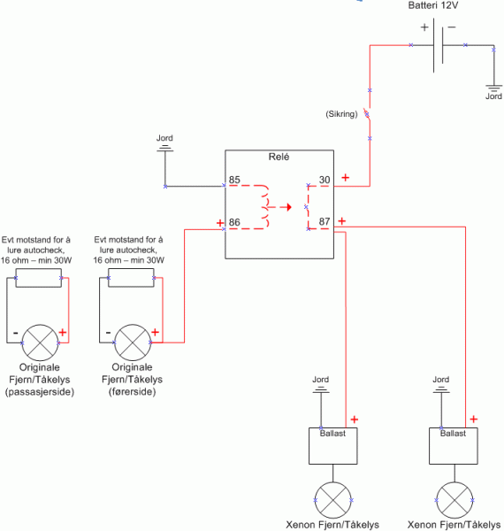
#5 Skrevet Februar 21, 2007 Da har jeg tegnet litt i Visio. Kanskje det hjelper litt? Reléer pleier å være merket med numrene angitt. Noen reléer har også 2 stk 87 terminaler, en for hvert ekstralys. Pass på at reléet klarer minst 20A, gjerne 25 eller 30. Tåler reléet mindre så må du benytte 2 stk. Dette er pga at startstrømmen fra ballasten er ganske stor for å tenne xenon pærene. 0 Del dette innlegget Lenke til innlegg Del på andre sider Flere delingsalternativer...
#6 Skrevet Februar 21, 2007 Heisann,ikke noe hjelp å få fra meg da,men hadde jeg vært deg hadde jeg ihvertfall prøvd uten Rele først,disse bilene reagerer så forskjellig på AutoChecken at det er helt sykt Eller kanskje det ikke er Autochecken sin feil egentlig,for jeg har tidligere hatt ett sett montert i Grøftelysa,men det settet kjøpte jeg hos Dybvik,og det fungerte uten tull,men det settet ble ofret til ett anna prosjekt,har nå ett sett Xenonlys også fra Dybvik i nærlysa å det virker også bra,men det settet jeg kjøpte her på forumet(til grøftelysa) har ikke heilt lyst å lyse nei,det settet er ganske sikkert av like go kvalitet,men kanskje me ørsmå forskjeller i spesifikasjonene at det er det som mange Autochecker ikke liker,jeg vet ikke,men har nå kjøpt meg ett Relesett sjøl å venter på noen motstandere jeg har bestilt så får jeg prøve sjøl. men som sgat prøv uten først Diagrammet mitt ovenfor med effektmotstander er mine erfaringer på min bil med tilkobling av et JSM H7 xenon kit fra Dybvik. Hvordan det fungerer på deres biler med andre sett vet jeg ikke. Jeg spekulerer i at det er forskjell i bla oppstartstrøm på de forskjellige settene som gjør at vi får forskjellige resultater. JSMsettet mitt trakk 8A til å begynne med og stabiliserte seg på ca 4A når pæra var varm. 0 Del dette innlegget Lenke til innlegg Del på andre sider Flere delingsalternativer...
#7 Skrevet Februar 21, 2007 Jeg spekulerer i at det er forskjell i bla oppstartstrøm på de forskjellige settene som gjør at vi får forskjellige resultater. JSMsettet mitt trakk 8A til å begynne med og stabiliserte seg på ca 4A når pæra var varm. : klø : ,ja var noe sånt jeg også funderte på,hehe men der stopper også mine evner,men sitter faktisk å lurer i og kjøpe ett til sett bare av ett anna merke hos en kar her på forumet for å sjekke nettopp dette,blåser gledeligt av 1300spenn for å slippe og ha releer å motstander i hytt å pine,eller kanskje enda billigere er og prøve en av de Dybvik ballastene som eg har koblet på nærlysa:rolleye: 0 Del dette innlegget Lenke til innlegg Del på andre sider Flere delingsalternativer...
#8 Skrevet Februar 22, 2007 Prøve og koble opp uten rele nå men da lyste det bare i 1-2 sek også hørte jeg ett klikk også slokka de igjen! Må vel ha det forbaska releet da? Har kjøpt en sånn pakke på biltema og den står det 12v 30A på så den skal vel gå ann og bruke? Jeg må vel ikke ha noen motstander i tillegg? Fikk forresten ikke opp noe melding i displayet om at pæra ikke fungerte.. 0 Del dette innlegget Lenke til innlegg Del på andre sider Flere delingsalternativer...
#9 Skrevet Februar 22, 2007 Og en ting til 86 og 87 skjønner jeg ikke, hvem kabler/plugger skal jeg hente de ifra ? fra den pluggen som går inn til den pæra som satt der orginalt? den som var klipsa inn på pære holderen. 0 Del dette innlegget Lenke til innlegg Del på andre sider Flere delingsalternativer...
#10 Skrevet Februar 22, 2007 Prøve og koble opp uten rele nå men da lyste det bare i 1-2 sek også hørte jeg ett klikk også slokka de igjen! Må vel ha det forbaska releet da? Har kjøpt en sånn pakke på biltema og den står det 12v 30A på så den skal vel gå ann og bruke? Jeg må vel ikke ha noen motstander i tillegg? Fikk forresten ikke opp noe melding i displayet om at pæra ikke fungerte.. 12V 30A er fint. Du kan prøve først uten motstander. Får du ingen masete varsling så er det jo greit. Og en ting til 86 og 87 skjønner jeg ikke, hvem kabler/plugger skal jeg hente de ifra ? fra den pluggen som går inn til den pæra som satt der orginalt? den som var klipsa inn på pære holderen. 86 er + fra pluggen til originalpæra ja. 87 er + ut til xenon kitene du ettermonterer. 0 Del dette innlegget Lenke til innlegg Del på andre sider Flere delingsalternativer...
#11 Skrevet Februar 22, 2007 Arg.. Jeg skjønner fortsatt ikke 87! Pluss ut til xenon sier du, men hvor er denne plussen? hvem plugg/kabel er det.. finner den ikke ! 0 Del dette innlegget Lenke til innlegg Del på andre sider Flere delingsalternativer...
#12 Skrevet Februar 22, 2007 Det er der du tar strøm til å drive xenon kit'et. 87 får strøm fra 30 punktet dvs batteriets pluss pol. 0 Del dette innlegget Lenke til innlegg Del på andre sider Flere delingsalternativer...
#13 Skrevet Februar 22, 2007 Eneste stedet som er "koblet" til orginal pæra er jo den pluggen? er jo den som må gi strøm da? mener du at på 86 putter jeg inn den ene spaden på pluggen og på 87 putter jeg inn den andre spaden i pluggen? altså samme plugg. men 86 er jo pluss på den pluggen så da må jo det andre hullet hvor man kan putte inn en spade til være minus ? da skal vel ikke 87 inn der kanskje.. 0 Del dette innlegget Lenke til innlegg Del på andre sider Flere delingsalternativer...
#14 Skrevet Februar 22, 2007 nå skjønner jeg kanskje. 86 skal fra pluggen som egentlig går inn til orgninal pæra og 87 skal ut fra den røde spaden (pluss) som går mellom pære/ballast? 0 Del dette innlegget Lenke til innlegg Del på andre sider Flere delingsalternativer...
#15 Skrevet Februar 22, 2007 Ny figur som viser hvordan ting fungerer logisk internt i reléet også. 86 som er pluss som kommer fra sokkelen til originalpære blir bare brukt til å styre releet. 87 er pluss fra batteriet som driver de nye xenon kitene. 0 Del dette innlegget Lenke til innlegg Del på andre sider Flere delingsalternativer...
#16 Skrevet Februar 22, 2007 Skjønner mere og mere.. Men nå har det stoppa helt opp for meg ! Det værste som kan skje er vel at sikringen går eller at det ikke blir lys hvis jeg ikke kobler riktig håper jeg.. tror jeg må prøve meg frem, er HELT blank på det området her.. 0 Del dette innlegget Lenke til innlegg Del på andre sider Flere delingsalternativer...
#17 Skrevet Februar 24, 2007 F... møkk!! Går jo for f... ikke! Noen her som vil koble det for meg mot betaling? hvis ikke selger jeg hele dritten igjen.. 0 Del dette innlegget Lenke til innlegg Del på andre sider Flere delingsalternativer...
#18 Skrevet Mars 4, 2007 Må jeg jorde den spaden som er ved siden av den som skal inn i styrestrøm? går jo to plugger ut ifra den. svart og rød. i tillegg må jeg jo jorde 85, den går jo direkte fra rele til jord. altså jorde 2 steder? eller? får ikke lys jeg altså... 0 Del dette innlegget Lenke til innlegg Del på andre sider Flere delingsalternativer...
#19 Skrevet Mars 5, 2007 Er flere steder som må jordes ja, både releet og ballastene. Er ikke helt med på hva du mener ellers ovenfor. Snakker du om terminalene på reléet? Ta gjerne et bilde eller lag en tegning av kabelsettet ditt hvis mulig. 0 Del dette innlegget Lenke til innlegg Del på andre sider Flere delingsalternativer...
#20 Skrevet Mars 5, 2007 Her.. Den røde skal vel til styrestrømmen (altså i den orginale kontakten til lyset) Det jeg lurer på er om den andre spaden på bilde der må jordes? (Den svarte) Eller om den kan ligge "død" ? Det er kanskje den fra ballasten? 0 Del dette innlegget Lenke til innlegg Del på andre sider Flere delingsalternativer...
#21 Skrevet Mars 5, 2007 Skal jeg hjelpe deg idag marv? 0 Del dette innlegget Lenke til innlegg Del på andre sider Flere delingsalternativer...
#22 Skrevet Mars 5, 2007 Gjerne det, hvis du skjønner mere enn meg ! hehe.. Send meg melding da, går ut og titter litt på det nå jeg.. ! 0 Del dette innlegget Lenke til innlegg Del på andre sider Flere delingsalternativer...
#23 Skrevet Mars 5, 2007 ENDELIG !!!! Da ble det lys ! Takk for hjelpa John ! 0 Del dette innlegget Lenke til innlegg Del på andre sider Flere delingsalternativer...
#24 Skrevet Mars 5, 2007 Np np np.. Tok frontlampa i samma slengen var digg også 0 Del dette innlegget Lenke til innlegg Del på andre sider Flere delingsalternativer...
#25 Skrevet Mars 5, 2007 ENDELIG !!!! Da ble det lys ! Takk for hjelpa John ! Hva var problemet? 0 Del dette innlegget Lenke til innlegg Del på andre sider Flere delingsalternativer...