#1 Skrevet Oktober 7, 2007 Hei! Håper noen kan hjelpe meg, kjærra må være EU-godkjent i løpet av oktober, og bremsene er ikke som de skal: gråter : Når jeg starter bilen lyser ofte dette symbolet ( ! ) (varsellampen for bremsene), den slukker etter litt. Om jeg pumper på bremsepedalen 5-6 ganger begynner den å lyse igjen. Jeg har etter hvert lest meg til at det da er servopumpen som gir for lite trykk, eller "bombene" (trykk-akkumulatorene) som er gåen. Når jeg trykker inn bremsepedalen så kan jeg trykke den helt til bunn, noe EU-kontrolløren neppe er fornøyd med. Ved normal kjøring opplever jeg det ikke som noe problem, trykker jeg bremsen i bunn da slår ABS inn og jeg får maks bremsekraft. Jeg antok at det var luft i systemet, gikk derfor i gang med lufting av bremsene, men desverre hjalp ikke det noen ting: bråk : Jeg er ikke sikker på om jeg startet på bremsen lengst vekk fra forsterkeren, har det mye å si??? Når jeg luftet bremsene oppdaget jeg lekkasje i bremseakkumulatoren på høyre side bak, og gikk derfor ut fra at problemet lå i akkumulatoren. Noen stusser kanskje når jeg skriver bombene og ikke bomben, jeg har blitt et STORT når jeg leser andre innlegg og beskrivelse (bilder) av hvordan akkumulatoren virker, for da er det alltid snakk om kun én akkumulator, men på min S4 er det da 3 stk?? en ved hvert bakhjul og trolig en forran (ikke sett den ennå). Se bilde for de som sitter bak, disse har kun et rør inn og ingenting mer bortsett fra en blindskrue. Jeg åpnet blindskruen for lufte ut eventuell luft, da kom det MYE luft, mest skum egentlig, er det normalt? eller har det da gått hull på membranen i akkumulatoren? Jeg ser at noen foreslår å sjekke bremsekraftforsterkeren, dersom bremsepedalen siger innover, i mitt tilfelle siger ikke pedalen innover. Ved f.eks 3/4 inntrykk har jeg samme bremsekraft hver gang, og altså ikke behov for å trykke ytterligere for å beholde bremsekraften. Blir takknemlig om noen kan forklare meg hvordan mine 3 bremsetrykkakkumulatorer fungerer. Jeg har skjønt prinsippet der hvor akkumulatoren har flere rør inn/ut, men hva er vitsen med de bak med kun ett rør inn/ut??? Det viktigste nå er å få kjærra EU-godkjent, så jeg håper noen har gode forslag til hvordan jeg kan få normal bremsepedal igjen:) 0 Del dette innlegget Lenke til innlegg Del på andre sider Flere delingsalternativer...
#2 Skrevet Oktober 7, 2007 Har du nivåregulering på demperne bak ? I såfall er vel de to bakre bombene til dette ? Eventuelt at bilen har hatt nivåregulering, og at den er fjernet, derav den tilsynelatende uorginale blindpluggen. På en eldre 200 TQ var det en rund klump på bremserøret på bakakselen. Har aldri sett noe lignende før eller siden. Den var til å redusere bremsetrykket ved krenging, for å unngå skrens ved brems i sving. Ikke bland dette med lastavhengig ventil. Denne klumpen krevde spesiell lufteprosedyre for å få ut luft. Hadde en del problemer med samme symptomer som du skriver helt til jeg fikk luftet på skikkelig vis. Måtte lufte som vanlig, og til slutt pumpe kraftig med pedal og lufte høyre bak på nytt til slutt. At trykket på bremsekraftforsterker synker fort har trolig å gjøre med dårlig fremre bome, eller returventilen i denne. Se forøvrig denne: http://forum.vwaudi-club.no/showthread.php?t=55606 0 Del dette innlegget Lenke til innlegg Del på andre sider Flere delingsalternativer...
#3 Skrevet Oktober 7, 2007 Har du nivåregulering på demperne bak ? I såfall er vel de to bakre bombene til dette ? Eventuelt at bilen har hatt nivåregulering, og at den er fjernet, derav den tilsynelatende uorginale blindpluggen. På en eldre 200 TQ var det en rund klump på bremserøret på bakakselen. Har aldri sett noe lignende før eller siden. Den var til å redusere bremsetrykket ved krenging, for å unngå skrens ved brems i sving. Ikke bland dette med lastavhengig ventil. Denne klumpen krevde spesiell lufteprosedyre for å få ut luft. Hadde en del problemer med samme symptomer som du skriver helt til jeg fikk luftet på skikkelig vis. Måtte lufte som vanlig, og til slutt pumpe kraftig med pedal og lufte høyre bak på nytt til slutt. At trykket på bremsekraftforsterker synker fort har trolig å gjøre med dårlig fremre bome, eller returventilen i denne. Se forøvrig denne: http://forum.vwaudi-club.no/showthread.php?t=55606 Delenr på bildet stemmer iallefall med at det er trykkakkumulator for nivåregulering, 441 616 203 B. 0 Del dette innlegget Lenke til innlegg Del på andre sider Flere delingsalternativer...
#4 Skrevet Oktober 7, 2007 Sjekket noe så enkelt som nivået i bremsevæsketanken, eller nivået til hydraulikkolja. Dette gir også (!) i kjørekomputeren. 0 Del dette innlegget Lenke til innlegg Del på andre sider Flere delingsalternativer...
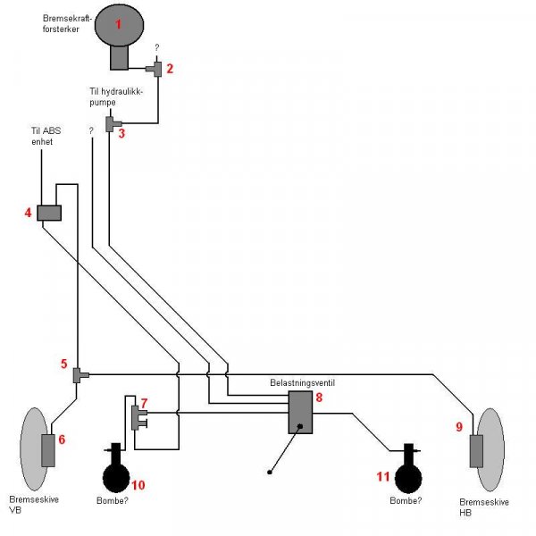
#5 Skrevet Oktober 7, 2007 Da begynner jeg å forstå litt mere:tilber: Det har tydligvis vært nivåregulering på den tidligere, men bytta til vanlige dempere i etterkant. Det var godt at Møller ikke hadde "bombe" inne da, så slapp jeg å svi av 4500,- på det: flau : Jeg blir ikke helt klok på systemet likevell, jeg har prøvd å følge røra og laget følgende skisse. For meg så ser det ut som bremseveske og hydrailikkolje blir blandet i nr 4 (se skisse) Om noen har lyst å forklare så hadde det vært fint, hvis ikke så er det ok det å Jeg har selvsagt sjekket nivået i begge tankene, men takk likevell;) Får prøve meg på en ny runde med lufting av bremser i morgen. Noen som foresten vet om luft i servo hydraulikken kan forårsake bløt bremsepedal? 0 Del dette innlegget Lenke til innlegg Del på andre sider Flere delingsalternativer...
#6 Skrevet Oktober 8, 2007 Er dings nr 4 reduksjonsventilen tro??? 0 Del dette innlegget Lenke til innlegg Del på andre sider Flere delingsalternativer...
#7 Skrevet Oktober 8, 2007 Dette er en hjemmelaget tegning. Lurer på om den er feil ? Bremsevæskerør forfra og bakover skal inn i reduksjonsventilen (hvor det også går rør til/fra bombene bak/demperne) og videre til bakhjulene. Forstår ikke hva ner 4 er utover at det kan være en forgrening, men da kommer det ikke noe hydraulikktrykk inn i den. 0 Del dette innlegget Lenke til innlegg Del på andre sider Flere delingsalternativer...
#8 Skrevet Oktober 9, 2007 Dette er en hjemmelaget tegning. Lurer på om den er feil ?Bremsevæskerør forfra og bakover skal inn i reduksjonsventilen (hvor det også går rør til/fra bombene bak/demperne) og videre til bakhjulene. Forstår ikke hva ner 4 er utover at det kan være en forgrening, men da kommer det ikke noe hydraulikktrykk inn i den. Jeg har fulgt røra etter beste evne, men selvsagt kan jeg ha tatt feil: dum : men jeg er helt sikker på at bremserøra fra kalipperne går til 4 og ikke direkte inn på belastningsventilen. Jeg trodde derfor at 4 var reduksjonsventilen og at den fikk et hydraulisk "styresignal" fra belastningsventilen. 4 er en firkantet dings på ca 10x5x3cm, altså ikke noe typisk T-ledd for sammenkobling av rør. Uansett... jeg fikk luftet i går, det kom ut en del luft på venstre side forran, jeg har ikke kjørt etterpå, så jeg tør ikke ta gleden på forskudd. En ting jeg stusset litt på når jeg drev å luftet, er at om jeg pumpet fort, virket det ikke som om bremsekraftforsterkeren rakk å henge med og pedalen ble blør, altså lite veske som forflyttet seg. Om jeg derimot ventet 3-4sec mellom hvert pump så var pedalen mye hardere og det kom mye veske. Kan det tyde på dårlige pakkninger i forsterkeren? Nå er det ikke så mange som er intressert i denne tråden, så jeg antar at den dør med dette... Uansett mange takk til dere som har svarte:tilber: 0 Del dette innlegget Lenke til innlegg Del på andre sider Flere delingsalternativer...
#9 Skrevet Oktober 9, 2007 Jeg har samme opplegget på min 96 modell. Automatisk nivåregulering bak, som jeg har plugget igjen med blindplugger og jeg kjører nå med H&R+bilstein. I perioder så dukker ( ! ) opp i displayet på min, men det gjorde det også før jeg monterte det nye understellet. I mine "bomber"/akkumulatorene så går det iaf. type dyr hydraulikkolje, ingen bremseveske og jeg har heller aldri hatt noen direkte problemer med bremsene pga disse. Faktisk så hadde jeg i en lang periode en ganske så ugrei oljelekkasje på begge blindpluggene mine uten at det hadde noen som helst innvirkning på bremsene mine. Det finnes anbefalte mønstre for lufting av bremser; søk på forumet. Det har vært et par stykker her på forumet med liknende symptomer som deg som har måttet bytte bremsekraftforsterker. hatt noen problemer med bremsene relatert til disse. Min er faktisk akkurat eu godkjent med tilsvarene "mod" som du har. 0 Del dette innlegget Lenke til innlegg Del på andre sider Flere delingsalternativer...
#10 Skrevet Oktober 9, 2007 Dette er en hjemmelaget tegning. Lurer på om den er feil ?Bremsevæskerør forfra og bakover skal inn i reduksjonsventilen (hvor det også går rør til/fra bombene bak/demperne) og videre til bakhjulene. Forstår ikke hva ner 4 er utover at det kan være en forgrening, men da kommer det ikke noe hydraulikktrykk inn i den. Grunnen til at jeg spør er at jet TIPPER at det skal et bremserør inn på nr 8. Ja både bremse og hydraulikk inn på belastningsventilen på disse som har nivåregulering. Mye last=høyt hydraulikktrykk for å holde bilen rett=hydraulikktrykket påvirker ventil som regulerer bremsekraft. 0 Del dette innlegget Lenke til innlegg Del på andre sider Flere delingsalternativer...
#11 Skrevet Oktober 9, 2007 Du må lufte C4-biler på en bestemt måte, Clutch, (her er det best å lufte med trykk nedenfra..) høyre bak, venstre bak, høure foran og venstre foran. Fordelingen du sannsynligvis har på ramma over venstre bakhjul _kan_ holde på en luftboble, men den lar seg lufte ut hvis du bare har litt tolmodighet. Du har vel forresten sett denne siden ang. bomba?:http://www.sjmautotechnik.com/trouble_shooting/brake.html Genial side.. 0 Del dette innlegget Lenke til innlegg Del på andre sider Flere delingsalternativer...
#12 Skrevet Oktober 9, 2007 Du må lufte C4-biler på en bestemt måte, Clutch, (her er det best å lufte med trykk nedenfra..) høyre bak, venstre bak, høure foran og venstre foran. Fordelingen du sannsynligvis har på ramma over venstre bakhjul _kan_ holde på en luftboble, men den lar seg lufte ut hvis du bare har litt tolmodighet. Du har vel forresten sett denne siden ang. bomba?:http://www.sjmautotechnik.com/trouble_shooting/brake.html Genial side.. Hvordan lufte Clutch?? det kan ikke komme "luft" i clutch kretsen, om du holder på med bremsesystemet bak feks? 0 Del dette innlegget Lenke til innlegg Del på andre sider Flere delingsalternativer...
#13 Skrevet Oktober 9, 2007 Clutch bruker samme tank for væske som bremsene. Synker nivået i tanken under der som slangen super opp væske til clutchen, og så bruker clutch, så får du luft i dette systemet. Har hatt en del dritt med bremser/clutch på min 200 20v, det er omtrent samme greiene på bilene våre. 0 Del dette innlegget Lenke til innlegg Del på andre sider Flere delingsalternativer...
#14 Skrevet Oktober 9, 2007 Clutch bruker samme tank for væske som bremsene. Synker nivået i tanken under der som slangen super opp væske til clutchen, og så bruker clutch, så får du luft i dette systemet. Har hatt en del dritt med bremser/clutch på min 200 20v, det er omtrent samme greiene på bilene våre. ok, det sank bra på nivået i tanken da jeg overhalte calipper bak.. men brukte ikke clutch.. den slurer nå, men det kan ikke ha noe med dette og gjøre.. det er vell fjerdene i trykkplata som styrer dette.. eneste er at jeg merker at den tar litt forskjellig om den er varm eller kald 0 Del dette innlegget Lenke til innlegg Del på andre sider Flere delingsalternativer...
#15 Skrevet Oktober 9, 2007 Du må lufte C4-biler på en bestemt måte, Clutch, (her er det best å lufte med trykk nedenfra..) høyre bak, venstre bak, høure foran og venstre foran. Fordelingen du sannsynligvis har på ramma over venstre bakhjul _kan_ holde på en luftboble, men den lar seg lufte ut hvis du bare har litt tolmodighet. Du har vel forresten sett denne siden ang. bomba?:http://www.sjmautotechnik.com/trouble_shooting/brake.html Genial side.. Joda jeg har sett den siden om "bomba" bra side:) Jeg ble bare litt forivrra, for jeg blanda "bombene" for automatisk nivåregulering på bakjula, men bremsetrykk akkumulatoren "bomba". I dag har jeg lufta lenge og vel. Har bytta ut ca 2liter bremseveske, i tillegg har jeg pumpet lenge med returslange til tanken, har garantert sirkulert samme veske minst en gang! Rygga bilen fornøyd ut av garasjen og konstaterte stolt at bremsepedalen var blir hard og fin:) Kjørte en liten prøvetur for å teste lit nødbremsing osv, abs slo inn og alt virket bra. Når jeg kom tilbake til garasjen oppdaget jeg til min fortvilelse at jeg kunne trykke pedalen helt i bunn igjen: bråk : Er det noen mulighet for at man kan suge falskluft fra ett eller annet sted??? Jeg har ikke gjort noe med clutch'n som du prater om, men jag har automat, så da gjelder vel ikke det min bil? 0 Del dette innlegget Lenke til innlegg Del på andre sider Flere delingsalternativer...
#16 Skrevet Oktober 10, 2007 Øh.. Hvis jeg virkelig vi, kan jeg også tråkke pedalen ganske langt mot bunn.. Men det er jo full lås lenge før det! Mistenker at slangene tar opp dette trykket.. Er lite sjanse for at det suger inn luft hvis ikke du finner mengder væske som har lekket ut samme stedet, i hvertfall! Hva om du stopper motor og pumper til trykket er borte, er det myk pedal da også? 0 Del dette innlegget Lenke til innlegg Del på andre sider Flere delingsalternativer...
#17 Skrevet Oktober 10, 2007 Øh.. Hvis jeg virkelig vi, kan jeg også tråkke pedalen ganske langt mot bunn.. Men det er jo full lås lenge før det! Mistenker at slangene tar opp dette trykket.. Er lite sjanse for at det suger inn luft hvis ikke du finner mengder væske som har lekket ut samme stedet, i hvertfall! Hva om du stopper motor og pumper til trykket er borte, er det myk pedal da også? Pedalen blir hard uten motor i gang ja. Det er første gang jeg har kjører 4 ringer, men jeg har aldrig før kjørt bil hvor man kan trykke bremsepedalen til bunn med motoren i gang! Heter det seg ikke at en bremsepedal minimum skal tåle 100kg trykk, om min ikke skal tåle det, så må man jo trykke pedalen mellom torpedoveggen! 0 Del dette innlegget Lenke til innlegg Del på andre sider Flere delingsalternativer...
#18 Skrevet Oktober 10, 2007 Hehe.. Ja, det kan virke litt ekkelt! Er noe av det samme på cabben, så jeg tar det rolig. Går alltid gjennom EU for min del, i hvertfall.. 0 Del dette innlegget Lenke til innlegg Del på andre sider Flere delingsalternativer...
#19 Skrevet Februar 28, 2008 Kan dere andre som kjører S4 her inne bekrefte eller avkrefte at man skal kunne trykke bremsepedalen helt i bunn, dersom motoren er i gang. Bremsene blokerer ved ca 1/3 nedtrykk, men det skal da ikke være sånn at man skal kunne fortsette å trykke pedalen helt i bunn??? Jeg har til nå skiftet alle bremseskiver, klosser, skrudd stemplene helt tilbake og luftet x antall ganger, å ja, jeg har begynt å lufte lengst vekk fra pumpa. Men pedalen kan fortsatt trykkes i bunn. Mottat gjerne tips til hva jeg bør gjøre:tilber: 0 Del dette innlegget Lenke til innlegg Del på andre sider Flere delingsalternativer...
#20 Skrevet Februar 28, 2008 slitene bremseslanger som "fjerer" trykket? 0 Del dette innlegget Lenke til innlegg Del på andre sider Flere delingsalternativer...
#21 Skrevet Februar 28, 2008 slitene bremseslanger som "fjerer" trykket? Du mener at bremseslangene "blåser seg opp" når jeg trykker på pedalen? det høres i tilfelle skummelt ut: eek : 0 Del dette innlegget Lenke til innlegg Del på andre sider Flere delingsalternativer...
#22 Skrevet Februar 28, 2008 det skal ikke gå ann å trykke denn i bunn nei. dette er sikkert ikke riktig i ditt tilfelle, men på bilen til mora mi så hadde hovedsylinderen til bremsene tatt kvelden, resultatet da var myk pedal som gikk i bunn om man ville, men kunne bli hard ved pumping et par ganger. for så å bli myk igjen ved neste nedbremsing. 0 Del dette innlegget Lenke til innlegg Del på andre sider Flere delingsalternativer...
#23 Skrevet Februar 29, 2008 Husk at dårlige lagre/slitte bremsesleider (alt som kan bevege seg), eldre slanger og ikke minst en mikroskopisk luftboble i systemet kan gi ganske lang vandring på pedalen, det er ikke store væskemengden som kommer ut av masterpumpa når alt kommer til alt. 0 Del dette innlegget Lenke til innlegg Del på andre sider Flere delingsalternativer...
#24 Skrevet Februar 29, 2008 Kan dere andre som kjører S4 her inne bekrefte eller avkrefte at man skal kunne trykke bremsepedalen helt i bunn, dersom motoren er i gang. Bremsene blokerer ved ca 1/3 nedtrykk, men det skal da ikke være sånn at man skal kunne fortsette å trykke pedalen helt i bunn??? Jeg har til nå skiftet alle bremseskiver, klosser, skrudd stemplene helt tilbake og luftet x antall ganger, å ja, jeg har begynt å lufte lengst vekk fra pumpa. Men pedalen kan fortsatt trykkes i bunn. Mottat gjerne tips til hva jeg bør gjøre:tilber: Jeg har en myk pedal mens bilen er i gang jeg og. Når jeg pumper bremsen med motoren av, så blir den hard. Men når motoren er i gang kan jeg trykke bremsepedalen nesten helt ned. Men det er jo ikke vits, for det er bråbrems lenge før pedalen er halvveis. 0 Del dette innlegget Lenke til innlegg Del på andre sider Flere delingsalternativer...