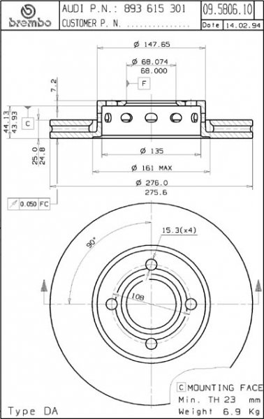
#1 Skrevet Oktober 8, 2004 Siden jeg har en Audi 80 2,0E B4 av fra første produskjonsår har jeg til nå bare hatt 256x22 mm ventilerte bremseskiver og 22,2 mm hovedbremsesylinder. Dette er alt for små bremser, og i forbindelse med den kommende turbokonverteringen av motoren min, 2,0 16V, bestemte jeg meg for å oppgradere bremsene. Da jeg ikke har budsjett til kjøpe feks RS2 bremser bestemte jeg meg for å finne ut om S2 bremser (276x25 mm) var ”bolt on”. Noen vil kanskje si at disse også er underdimensjonert, men for meg er i alle fall dette en stor oppgradering. Nå kan i alle fall jeg bekrefte at S2 callipere passer rett på hjulagerhus og nav på en helt standard Audi 80 B4 med 4-sylindret motor. For å beholde 4 bolts navet kjøpe jeg skiver til A80 2,8 V6 (denne har også samme callipere som S2). Skivene jeg brukte kjøpte jeg fra http://www.quattro.se. De heter sport et eller annet. Byttet også bremsesylinder til en med 23,8 mm stempel. Denne tror jeg er standard på alle A80 B4 men 280 mm skiver. Dette gjelder vell alle fra 1993 ellerno. Klossene er standard S2. Mvh Vegard 0 Del dette innlegget Lenke til innlegg Del på andre sider Flere delingsalternativer...
#2 Skrevet Oktober 8, 2004 Triste gamle bremser. 0 Del dette innlegget Lenke til innlegg Del på andre sider Flere delingsalternativer...
#3 Skrevet Oktober 12, 2004 ser bra ut det der!! hadde tenkt å gjøre det samme på min(87mod 90 q)... men gikk ikke pga for mye innpress på 276 skivene:( surt! for det er ikke så mange billige opgraderinger som passer ettersom det er 4 bolta 0 Del dette innlegget Lenke til innlegg Del på andre sider Flere delingsalternativer...
#4 Skrevet Oktober 12, 2004 Ble tøft det der da. Holder sikkert på bane og nå. Skal du ha det godkjent? 0 Del dette innlegget Lenke til innlegg Del på andre sider Flere delingsalternativer...
#5 Skrevet Oktober 12, 2004 Sweet 0 Del dette innlegget Lenke til innlegg Del på andre sider Flere delingsalternativer...
#6 Skrevet Oktober 12, 2004 Det blir godkjenning etterhvert. Tar det i samme slengen som turbokonverteringen. Kommer endelig blokk som jeg skal bygge på i løpet av uken. Om det holder til så alt for mye banekjøring vet jeg nå ikke. Vi får se. Må få ut litt mere luft av systemet før det blir helt kjørbart, men jeg merkere allerede store forbedringer! mvh Vegard 0 Del dette innlegget Lenke til innlegg Del på andre sider Flere delingsalternativer...
#7 Skrevet Oktober 12, 2004 Er de nye skivene samme dim. som står på 92 80 2,8? 0 Del dette innlegget Lenke til innlegg Del på andre sider Flere delingsalternativer...
#8 Skrevet Oktober 12, 2004 Opprinnelig postet av Eirik Birkeland Er de nye skivene samme dim. som står på 92 80 2,8? Jepp, 276x25 mm. Kjøpte "sport" skivene til denne fra http://www.quattro.se. mvh Vegard 0 Del dette innlegget Lenke til innlegg Del på andre sider Flere delingsalternativer...
#9 Skrevet Oktober 12, 2004 vet du hva inpresset på de skiven er? feks høyden fra anleggsflaten mot felgen, og til selve bremseflata på skiva? 0 Del dette innlegget Lenke til innlegg Del på andre sider Flere delingsalternativer...
#10 Skrevet Oktober 12, 2004 Opprinnelig postet av Helge Gjerseth vet du hva inpresset på de skiven er? feks høyden fra anleggsflaten mot felgen, og til selve bremseflata på skiva? Søk deg fram til skivene på http://www.mekonomen.no Der finner du hiddenblad for Bremboskivene (standard) som de selger. Regner med alle målene du trenger står der. mvh Vegard 0 Del dette innlegget Lenke til innlegg Del på andre sider Flere delingsalternativer...
#11 Skrevet Oktober 12, 2004 takker, har sjekket,og der passer det heller dårlig til min. 0 Del dette innlegget Lenke til innlegg Del på andre sider Flere delingsalternativer...
#12 Skrevet Oktober 12, 2004 Hadde vært en fristende oppgradering... Arne K 0 Del dette innlegget Lenke til innlegg Del på andre sider Flere delingsalternativer...
#13 Skrevet Oktober 12, 2004 Det burde passe med Audi 90 2,3 20V 7A skiver på en B3 går jeg ut fra. Denne har originalt "S2 bremser" med 4 bolt. mvh Vegard 0 Del dette innlegget Lenke til innlegg Del på andre sider Flere delingsalternativer...
#14 Skrevet Oktober 13, 2004 7a bremser er vel samme som v6 bremsene. de passer IKKE på i på min 87 mod 2.2 q vertfall! innpresset stemmer ei:( 0 Del dette innlegget Lenke til innlegg Del på andre sider Flere delingsalternativer...
#15 Skrevet Oktober 13, 2004 B4 2,8 V6 AAH Brembo hiddenblad 0 Del dette innlegget Lenke til innlegg Del på andre sider Flere delingsalternativer...
#16 Skrevet Oktober 13, 2004 B3 90Q 2,3 20V 7A Brembo hiddenblad. Kikka litt på disse, og og det er jo en forskjell på avstanden fra festeflaten på skiven mot navet, og inn til innerst på sliteflaten. Jeg er ingen ekspert på B3, men kan det være så mye forskjell på nav og hjulagerhus da? mvh Vegard 0 Del dette innlegget Lenke til innlegg Del på andre sider Flere delingsalternativer...
#17 Skrevet Oktober 13, 2004 jepp, er samme som 2,3 20v (7a) 0 Del dette innlegget Lenke til innlegg Del på andre sider Flere delingsalternativer...
#18 Skrevet Januar 16, 2005 Søkte litt på "bremser 80" og fant denne tråden Skulle gjerne hatt litt bedre bremser på bilen min ('92 80 2,3E), denne har vel 256x22 skiver ? Blir ganske varme innimellom.. Tenkte da på å få tak i EBC Turbo Grooved skiver og green stuff klosser.. Men i denne dim'en lages kun "original"-skiver, uten slisser.. Så lurte jeg på hva jeg trenger å bytte for å komme opp 280mm bremser ? Hvis jeg skaffer Turbo-grooved 280x22 skiver (std.dim fra '93) og klosser til disse, hva mer trenger jeg ? '93 modell kaliper og bremse-sylinder 23,8mm ? Og vil disse delene passe rett på ? Orker ikke noen "custom-ombygging".. 0 Del dette innlegget Lenke til innlegg Del på andre sider Flere delingsalternativer...
#19 Skrevet Januar 16, 2005 Søkte litt på "bremser 80" og fant denne tråden Så lurte jeg på hva jeg trenger å bytte for å komme opp 280mm bremser ? Hvis jeg skaffer Turbo-grooved 280x22 skiver (std.dim fra '93) og klosser til disse, hva mer trenger jeg ? '93 modell kaliper og bremse-sylinder 23,8mm ? Og vil disse delene passe rett på ? Orker ikke noen "custom-ombygging".. Om du har 92 modell har du sikkert 256 mm ja. Det eneste du trenger er callipere (Egentlig er disse også like. Bare holderen som er forskjellig). Kan være lurt å bytte til den større hovedbremsesylinderen også, men det trengs ikke. Går også an å bytte selve bremsekraftforsterkeren også. Alt er bolt on. mvh Vegard 0 Del dette innlegget Lenke til innlegg Del på andre sider Flere delingsalternativer...
#20 Skrevet Januar 16, 2005 Så når jeg løsner kaliperen så bytter jeg bare skiva og den passer rett på navet, innpress er likt og alt ? 0 Del dette innlegget Lenke til innlegg Del på andre sider Flere delingsalternativer...
#21 Skrevet Januar 16, 2005 Så når jeg løsner kaliperen så bytter jeg bare skiva og den passer rett på navet, innpress er likt og alt ? Alt er likt. Det som er så genialt. Sjekk ut litt mål og slikt på mekonomen sine tegninger av skivene, så ser du det. Du trenger som sagt callipere (eventult holdere) som er laget for den skivedimmensjonen du velger. mvh Vegard 0 Del dette innlegget Lenke til innlegg Del på andre sider Flere delingsalternativer...
#22 Skrevet Januar 10, 2007 Du har pm 0 Del dette innlegget Lenke til innlegg Del på andre sider Flere delingsalternativer...
#23 Skrevet Februar 23, 2008 Slenger opp en gammel tråd igjen fordi jeg lurer på litt om bremseoppgradering:) Har en -92 Audi 80 2,3E Quattro, denne har EU snart og skal skifte ut bremsene om litt, (er første årgang så har 256x22 mm foran). Samtidig tenkte jeg kanskje å sette på noe større, når jeg alikevell hadde ting ute. Lurer på, er det noen større skiver som jeg kan sette på, uten å bytte kalipper? Fks fra 2,6 V6 ? Eller må jeg bytte kalipper for å få større bremser på denne? Og bak, hva kan gjøres her? 0 Del dette innlegget Lenke til innlegg Del på andre sider Flere delingsalternativer...
#24 Skrevet Februar 23, 2008 ligger et par s2 calipere til 600kr ute... kjøp, overhal, nye 2,8 skiver og s2 klosser... blir ikke så dyrt og bremsene er MYE bedre.. gjorde det selv på en 80 2,3 for en liten stund siden:) 0 Del dette innlegget Lenke til innlegg Del på andre sider Flere delingsalternativer...
#25 Skrevet Februar 23, 2008 Slenger opp en gammel tråd igjen fordi jeg lurer på litt om bremseoppgradering:)Har en -92 Audi 80 2,3E Quattro, denne har EU snart og skal skifte ut bremsene om litt, (er første årgang så har 256x22 mm foran). Samtidig tenkte jeg kanskje å sette på noe større, når jeg alikevell hadde ting ute. Lurer på, er det noen større skiver som jeg kan sette på, uten å bytte kalipper? Fks fra 2,6 V6 ? Eller må jeg bytte kalipper for å få større bremser på denne? Og bak, hva kan gjøres her? Du trenger ikke bytte kalipper, du har Girling60 kalipperen, altså samme som sitter på s2 - og er forsåvidt underdimensjonert på disse, men det er en annen sak. Det du kan gjøre er å kjøpe skiver som er beregnet for 93-> og bytte braketten som kalipperene dine sitter på til en fra samme årsmodell. Da får du 280mm bremser istedet for 256 som sitter på din 0 Del dette innlegget Lenke til innlegg Del på andre sider Flere delingsalternativer...